Запчасти Komatsu 50E ДВИГАТЕЛЬ, КРЕПЛЕНИЕ ДВИГАТЕЛЯ ДВИГАТЕЛЬ, АКСЕССУАРЫ И ЭЛЕКТРИЧ. СИСТЕМА

Схема запчастей Komatsu 50E - ДВИГАТЕЛЬ, КРЕПЛЕНИЕ ДВИГАТЕЛЯ ДВИГАТЕЛЬ, АКСЕССУАРЫ И ЭЛЕКТРИЧ. СИСТЕМА
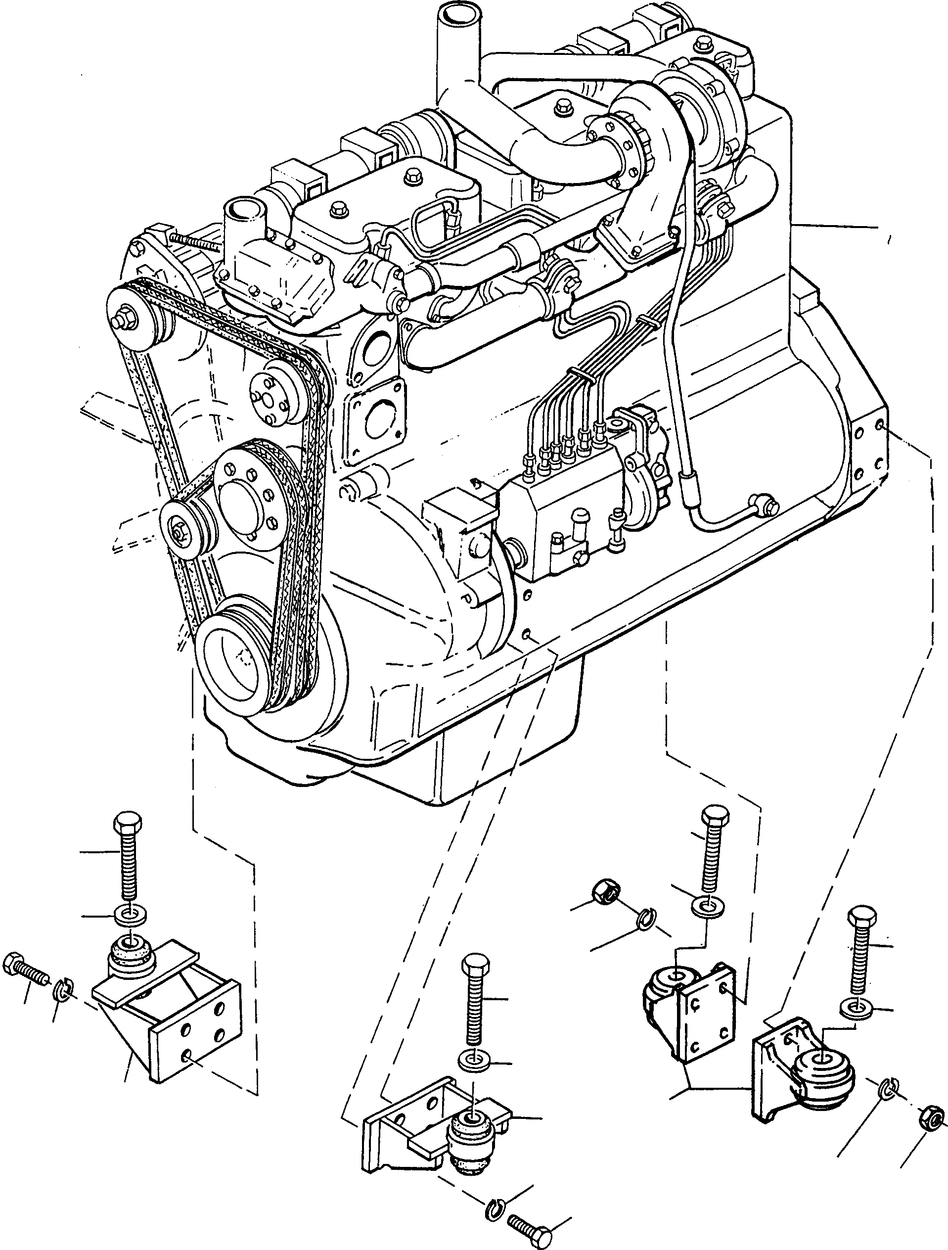
1A
1
8
8
8
9
9
3
9
8
4
8
9
6
7
9
5
2
5
4
7
3
6
FIT
1:1
100%

Артикул

Название

Примечание

Количество

0

2992267M91

ENGINE

EnglischBem: ORDER 2992 268 M91

1шт.

1

2992250M91

ENGINE

SN: 376220441

1шт.

1A

2992268M91

ENGINE

SN: 376220442-UP

1шт.

2

4215289M91

CARRIER

DeutschDesc: TRAEGER

2шт.

3

3002011X1

SCREW

DeutschDesc: SCHRAUBE

8шт.

4

1443794X1

SPRING WASHER

DeutschDesc: FEDERRING

8шт.

5

4210134M91

ENGINE CARRIER

DeutschDesc: MOTORTRAEGER

2шт.

6

1443669X1

SCREW

DeutschDesc: SCHRAUBE

8шт.

7

1443792X1

SPRING WASHER

DeutschDesc: FEDERRING

8шт.

8

1442730X1

SCREW

DeutschDesc: SCHRAUBE

4шт.

9

2948089M1

PLAIN WASHER

DeutschDesc: UNTERLEGSCHEIBE

4шт.

Выбрано товаров: 11