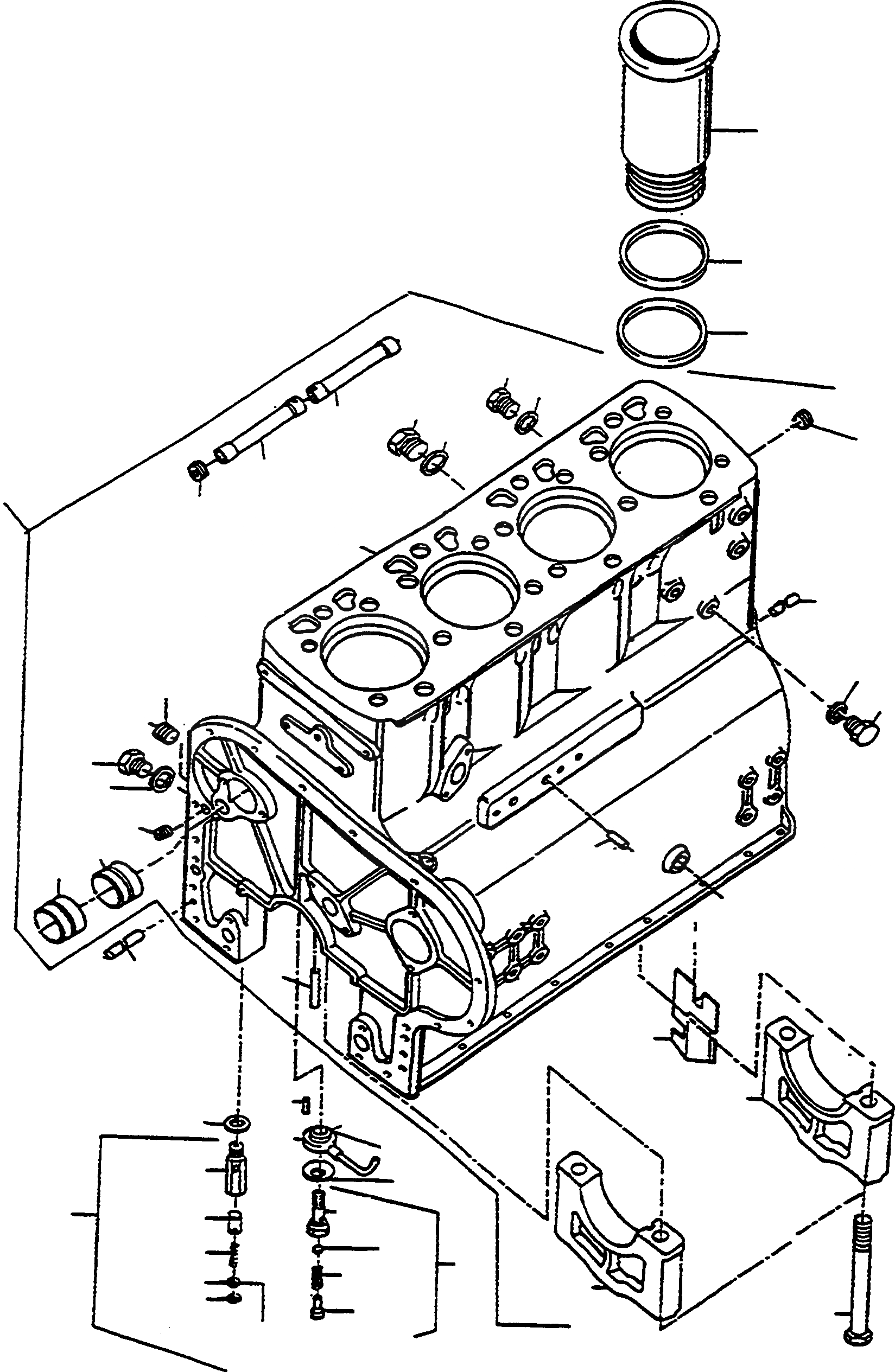
Запчасти Komatsu 50E БЛОК ЦИЛИНДРОВ И ATTACHING ЧАСТИ ДВИГАТЕЛЬ, АКСЕССУАРЫ И ЭЛЕКТРИЧ. СИСТЕМА

Схема запчастей Komatsu 50E - БЛОК ЦИЛИНДРОВ И ATTACHING ЧАСТИ ДВИГАТЕЛЬ, АКСЕССУАРЫ И ЭЛЕКТРИЧ. СИСТЕМА
42
43
44
14
4
9
10
33
31A
11
40
41
34
24
5
12
7
6
1
7
2
19
17
18
16
15
8
3
20
21
19
22
23
26
35
28
36
38
27
29
39
30
37
31
32
25
FIT
1:1
100%

Артикул

Название

Примечание

Количество

1

3095261M91

CYLINDER BLOCK

DeutschDesc: KURBELGEHAEUSE

1шт.

|$46

SEAL KIT

DeutschDesc: DICHTUNGSSATZ

-3шт.

2

CYLINDER BLOCK

EnglischBem: ORDER 3095 261 M91

1шт.

3

2870803M1

BEARING

DeutschDesc: LAGER

1шт.

4

2870804M1

BEARING

DeutschDesc: LAGER

8шт.

5

2872174M1

TUBE

DeutschDesc: ROHR

2шт.

6

2872173M1

TUBE

DeutschDesc: ROHR

2шт.

7

1443743X1

PLUG

DeutschDesc: VERSCHLUSSSTOPFEN

2шт.

8

1444256X1

PLUG

DeutschDesc: VERSCHLUSSSTOPFEN

1шт.

9

1444261X1

PLUG

DeutschDesc: VERSCHLUSSSTOPFEN

4шт.

10

1440993X1

SEAL

DeutschDesc: DICHTRING

4шт.

11

1444267X1

SCREW

DeutschDesc: SCHRAUBE

1шт.

12

1440997X1

SEAL

DeutschDesc: DICHTRING

1шт.

13

NOT USED

DeutschDesc: NICHT VERWENDET

-1шт.

14

390588X1

PLUG

DeutschDesc: VERSCHLUSSSTOPFEN

1шт.

15

391313X1

SEAL

DeutschDesc: DICHTRING

1шт.

16

1443750X1

PLUG

DeutschDesc: VERSCHLUSSSTOPFEN

1шт.

17

390839X1

SEAL

DeutschDesc: DICHTRING

1шт.

18

3004780X1

PLUG

DeutschDesc: VERSCHLUSSSTOPFEN

1шт.

19

1444406X1

DOWEL

DeutschDesc: ZYLINDERSTIFT

4шт.

20

1444402X1

DOWEL

DeutschDesc: ZYLINDERSTIFT

2шт.

21

1443800X1

DOWEL

DeutschDesc: ZYLINDERSTIFT

5шт.

22

2872172M1

BAFFLE

DeutschDesc: LEITBLECH

1шт.

23

BED BRACKET

EnglischBem: ORDER 3095 261 M91

1шт.

24

BED BRACKET

EnglischBem: ORDER 3095 261 M91

4шт.

25

1444035X1

SCREW

DeutschDesc: SCHRAUBE

10шт.

26

1444747X1

SEAL

DeutschDesc: DICHTRING

1шт.

27

3093426M91

VALVE

DeutschDesc: VENTIL

1шт.

28

VALVE

EnglischBem: ORDER 3093 426 M91

1шт.

29

3093424M1

POPPET

DeutschDesc: VENTILKEGEL

1шт.

30

3093425M1

COMPRESSION SPRING

DeutschDesc: DRUCKFEDER

1шт.

31

2871742M1

DISC

DeutschDesc: SCHEIBE

1шт.

31A

DUMMY

DeutschDesc: DUMMY

1шт.

32

1444472X1

CIRCLIP

DeutschDesc: SICHERUNGSRING

1шт.

33

1440397X1

SLEEVE

DeutschDesc: HUELSE

4шт.

34

2870849M92

NOZZLE

EnglischBem: RIGHT

2шт.

35

2870848M92

NOZZLE

DeutschDesc: DUESE

2шт.

36

2867218M1

SPRING

DeutschDesc: FEDER

4шт.

37

2870844M91

VALVE

DeutschDesc: VENTIL

4шт.

38

VALVE

EnglischBem: ORDER 2870 844 M91

4шт.

39

1444586X1

BALL

DeutschDesc: KUGEL

4шт.

40

2870820M1

SPRING

DeutschDesc: FEDER

4шт.

41

2870826M1

PEG

DeutschDesc: STIFT

4шт.

42

3093482M1

LINER

DeutschDesc: LAUFBUCHSE

4шт.

43

2997353M1

O-RING

DeutschDesc: O-RING

8шт.

44

2869916M2

SEAL

DeutschDesc: DICHTRING

8шт.

Выбрано товаров: 46