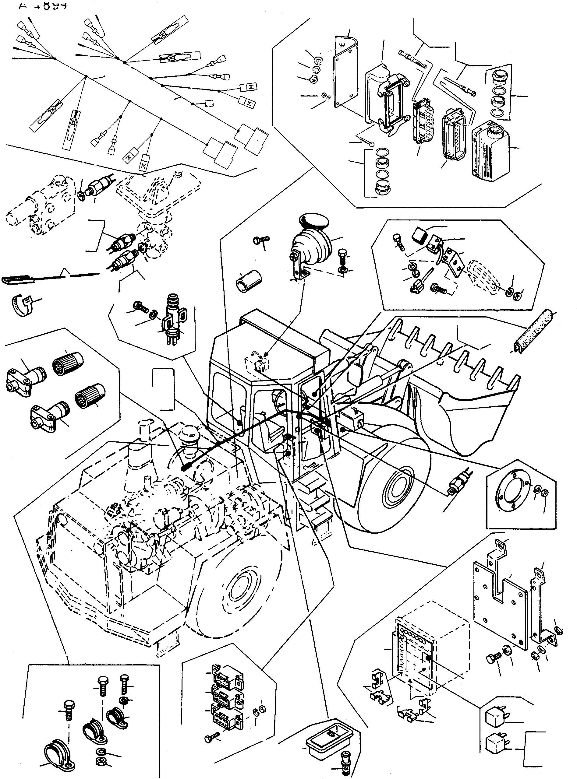
Запчасти Komatsu 50E ЭЛЕКТРИЧ. СИСТЕМА, ПЕРЕДН. РАМА ДВИГАТЕЛЬ, АКСЕССУАРЫ И ЭЛЕКТРИЧ. СИСТЕМА

Схема запчастей Komatsu 50E - ЭЛЕКТРИЧ. СИСТЕМА, ПЕРЕДН. РАМА ДВИГАТЕЛЬ, АКСЕССУАРЫ И ЭЛЕКТРИЧ. СИСТЕМА
64
14
1A
16B
16A
78
24
75
24
73
4
28
76
34
44
82
49
47
46
54
71
72
83
84
67
77
81
68
80
79
69
77
74
5
70
10
21
8
16
20
9
22
19
17
66
18
23
5
23
6
7
15
52
25
12
13
3
11
65
1
2
62
63
28
26
27
29
30
31
32
33
38
35
36
37
58
39
57
51
61
56
48
55
41
40
50
42
45
43
60
53
59
FIT
1:1
100%

Артикул

Название

Примечание

Количество

1

4215868M91

HARNESS

SN: 376220441

1шт.

1A

4216054M91

HARNESS

SN: 376220442-UP

1шт.

2

3097021M1

DIODE

EnglischBem: NOTE: Pos. (2) included in Pos. (1) and (1A) Kit

1шт.

3

4910050M91

ELECTRICAL PLUG

EnglischBem: FOR STARTER SWITCH WITH 4 CONNECTORS

1шт.

4

4910051M91

ELECTRICAL PLUG

EnglischBem: FOR STARTER SWITCH WITH 6 CONNECTORS

1шт.

5

1444746X1

SEAL

EnglischBem: Ш 12 MM

3шт.

6

4200351M1

PRESSURE SWITCH

EnglischBem: FOR BRAKE LIGHT M12x1,5

1шт.

7

4005054M1

PRESSURE SWITCH

EnglischBem: FOR BRAKE LIGHT M10x1

1шт.

8

4211290M1

PRESSURE SWITCH

EnglischBem: TRANSMISSION CUT OFF M12x1,5 25 BAR

1шт.

9

4202821M1

PRESSURE SWITCH

EnglischBem: TRANSMISSION CUT OFF M10x1

1шт.

10

4005056M1

PRESSURE SWITCH

EnglischBem: RESERVOIR PRESSURE OR BRAKE 65 BAR

1шт.

11

4201442M1

SWITCH

EnglischBem: HAND BRAKE

1шт.

12

3004763X1

SCREW

DeutschDesc: SCHRAUBE

2шт.

13

3006154X1

SPRING WASHER

DeutschDesc: FEDERRING

2шт.

14

4201469M91

CABLE

EnglischBem: FOR STARTER SWITCH WITH 4 CONNECTORS 2862 643 M1

1шт.

15

2999878M1

BRACE

DeutschDesc: HALTEBAND

15шт.

16

4005745M91

HORN

EnglischBem: REPAIRS AND REPLACES 4202 046 M91

1шт.

16A

391357X1

SCREW

DeutschDesc: SCHRAUBE

1шт.

16B

4203110M91

ANGLE

DeutschDesc: WINKEL

1шт.

17

339228X1

SCREW

DeutschDesc: SCHRAUBE

1шт.

18

390972X1

PLAIN WASHER

DeutschDesc: UNTERLEGSCHEIBE

1шт.

19

4200985M1

ANGLE

DeutschDesc: WINKEL

1шт.

20

4201470M91

SOLENOID SWITCH

DeutschDesc: MAGNETSCHALTER

1шт.

21

2904719M1

MAGNET

DeutschDesc: MAGNET

1шт.

22

1443706X1

SCREW

DeutschDesc: SCHRAUBE

2шт.

23

1443798X1

SPRING WASHER

DeutschDesc: FEDERRING

4шт.

24

392289X1

NUT

DeutschDesc: MUTTER

4шт.

25

2999890M1

PROFILE

DeutschDesc: PROFIL

1шт.

26

4005054M1

PRESSURE SWITCH

EnglischBem: STEERING M10x1 8 BAR

1шт.

27

4201370M1

RETAINER

DeutschDesc: HALTERING

2шт.

28

390972X1

PLAIN WASHER

DeutschDesc: UNTERLEGSCHEIBE

8шт.

29

1444329X1

NUT

DeutschDesc: MUTTER

4шт.

30

4201793M1

BRACKET

DeutschDesc: HALTER

1шт.

31

4201794M1

BRACKET

DeutschDesc: HALTER

1шт.

32

4201149M1

CARRIER

DeutschDesc: TRAEGER

1шт.

33

390735X1

PLAIN WASHER

DeutschDesc: UNTERLEGSCHEIBE

4шт.

34

339169X1

NUT

DeutschDesc: MUTTER

4шт.

35

390971X1

PLAIN WASHER

DeutschDesc: UNTERLEGSCHEIBE

4шт.

36

3005004X1

SCREW

DeutschDesc: SCHRAUBE

4шт.

37

4210971M1

NOTE PLATE

DeutschDesc: HINWEISSCHILD

1шт.

38

4911645M1

COVER

DeutschDesc: DECKEL

1шт.

39

4201028M1

FUSE

EnglischBem: 10 A

16шт.

40

4201029M1

FUSE

EnglischBem: 15 A

4шт.

41

3097003M1

RELAY

DeutschDesc: RELAIS

4шт.

42

4200800M1

RELAY

DeutschDesc: RELAIS

3шт.

43

4211452M1

RELAY

EnglischBem: TRANSMISSION CUT OFF

1шт.

44

3093147M91

LIGHTER

DeutschDesc: ANZUENDER

1шт.

45

4201976M91

ASHTRAY

DeutschDesc: ASCHENBECHER

1шт.

46

3096322M91

DISTRIBUTOR

DeutschDesc: VERTEILER

1шт.

47

3095141M91

DISTRIBUTOR

DeutschDesc: VERTEILER

1шт.

48

3095109M91

DISTRIBUTOR

DeutschDesc: VERTEILER

1шт.

49

390990X1

SCREW

DeutschDesc: SCHRAUBE

4шт.

50

1443793X1

SPRING WASHER

DeutschDesc: FEDERRING

4шт.

51

392290X1

NUT

DeutschDesc: MUTTER

4шт.

52

1444168X1

SCREW

DeutschDesc: SCHRAUBE

2шт.

53

1444663X1

CLIP

DeutschDesc: SCHELLE

2шт.

54

1444670X1

HOLDING CLAMP

DeutschDesc: HALTESCHELLE

4шт.

55

1444666X1

CLIP

DeutschDesc: SCHELLE

3шт.

56

339230X1

SCREW

DeutschDesc: SCHRAUBE

2шт.

57

339560X1

SCREW

DeutschDesc: SCHRAUBE

4шт.

58

339160X1

SCREW

DeutschDesc: SCHRAUBE

3шт.

59

339030X1

NUT

DeutschDesc: MUTTER

9шт.

60

1443791X1

SPRING WASHER

DeutschDesc: FEDERRING

9шт.

61

1443793X1

SPRING WASHER

DeutschDesc: FEDERRING

2шт.

62

3235701M91

ELECTRICAL PLUG

SN: 376220441

1шт.

63

3235700M91

SOCKET

SN: 376220441

1шт.

64

3235702M91

SOCKET

SN: 376220441

1шт.

65

3235703M91

ELECTRICAL PLUG

SN: 376220441

1шт.

66

3000658X1

HOSE

DeutschDesc: SCHLAUCH

1шт.

67

4216094M91

HARNESS

SN: 376220442-UP

1шт.

68

4216093M91

HARNESS

SN: 376220442-UP

1шт.

69

2996776M1

HOUSING

SN: 376220442-UP

1шт.

70

2996773M1

INSET

SN: 376220442-UP

1шт.

71

2996774M1

MALE CONTACT

SN: 376220442-UP

48шт.

72

2996868M1

MALE CONTACT

SN: 376220442-UP

2шт.

73

2996775M1

HOUSING

SN: 376220442-UP

1шт.

74

2996771M1

INSET

SN: 376220442-UP

1шт.

75

2996772M1

FEMALE CONTACT

SN: 376220442-UP

48шт.

76

2996869M1

FEMALE CONTACT

SN: 376220442-UP

2шт.

77

2996885M1

UNION

SN: 376220442-UP

2шт.

78

4202851M1

BRACKET

SN: 376220442-UP

1шт.

79

390990X1

SCREW

SN: 376220442-UP

4шт.

80

1443793X1

SPRING WASHER

SN: 376220442-UP

4шт.

81

390290X1

NUT

SN: 376220442-UP

4шт.

82

2964056M1

DISC

SN: 376220442-UP

2шт.

83

1443790X1

SPRING WASHER

SN: 376220442-UP

2шт.

84

390678X1

NUT

SN: 376220442-UP

2шт.

85

4216194M91

HARNESS

SN: 376220466

1шт.

86

2996459M1

SLEEVE

DeutschDesc: HUELSE

2шт.

Выбрано товаров: 89