Запчасти Komatsu 50E ТРАНСМИССИЯ SHIFT ТРАНСМИССИЯ И ЗАДН. МОСТ

Схема запчастей Komatsu 50E - ТРАНСМИССИЯ SHIFT ТРАНСМИССИЯ И ЗАДН. МОСТ
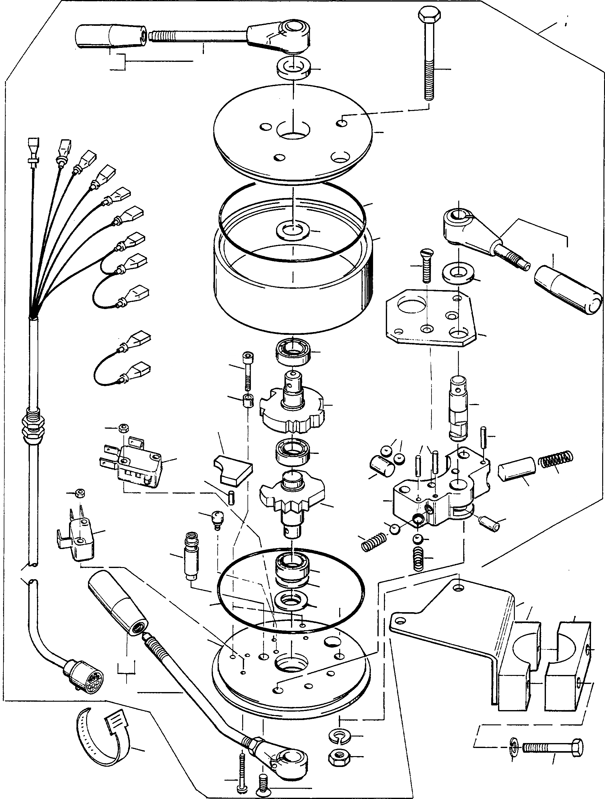
1
1A
34
22
33B
33A
16
17
22B
22A
30
26
34
35
2
14
27
6
15
24
26
4
28
9
7
22
29
25
25
28
20
32
13
10
5
8
33
31
30
20
12
11
12
28
38
27
39
26
40
3
19
18
36
43
37
42
41
21
23
FIT
1:1
100%

Артикул

Название

Примечание

Количество

1

4400393M91

SHIFT

EnglischBem: 4-GEARCHANGE

1шт.

1A

4400411M91

SHIFT

EnglischBem: 3-GEARCHANGE

1шт.

2

4400394M1

COVER

EnglischBem: NOTE: Pos. (2) included in Pos. (1) and (1A) Kit

1шт.

3

4400395M1

BOTTOM

EnglischBem: NOTE: Pos. (3) included in Pos. (1) and (1A) Kit

1шт.

4

4400396M1

PLATE

EnglischBem: NOTE: Pos. (4) included in Pos. (1) and (1A) Kit

1шт.

5

4400397M1

B0OK

EnglischBem: NOTE: Pos. (5) included in Pos. (1) and (1A) Kit

1шт.

6

4400398M1

HOUSING

EnglischBem: NOTE: Pos. (6) included in Pos. (1) and (1A) Kit

1шт.

7

4400399M1

REVERSER SHAFT

EnglischBem: NOTE: Pos. (7) included in Pos. (1) and (1A) Kit

1шт.

8

4400400M1

SHIFTER SHAFT

EnglischBem: NOTE: Pos. (8) included in Pos. (1) and (1A) Kit

1шт.

9

4400401M1

PIN

EnglischBem: NOTE: Pos. (9) included in Pos. (1) and (1A) Kit

1шт.

10

4400402M1

PIN

EnglischBem: NOTE: Pos. (10) included in Pos. (1) and (1A) Kit

1шт.

11

4400403M1

LOCATOR

EnglischBem: NOTE: Pos. (11) included in Pos. (1) and (1A) Kit

1шт.

12

2889669M1

SPRING

EnglischBem: NOTE: Pos. (12) included in Pos. (1) and (1A) Kit

2шт.

13

4400405M1

COMPRESSION SPRING

EnglischBem: NOTE: Pos. (13) included in Pos. (1) and (1A) Kit

2шт.

14

4400425M91

LEVER

EnglischBem: NOTE: Pos. (14) included in Pos. (1) and (1A) Kit

1шт.

15

4400416M1

BUTTON

DeutschDesc: KNOPF

1шт.

16

4400426M91

LEVER

EnglischBem: NOTE: Pos. (16) included in Pos. (1) and (1A) Kit

1шт.

17

4400416M1

BUTTON

DeutschDesc: KNOPF

1шт.

18

4400427M91

LEVER

EnglischBem: NOTE: Pos. (18) included in Pos. (1) and (1A) Kit

1шт.

19

4400416M1

BUTTON

DeutschDesc: KNOPF

1шт.

20

4400419M1

MICRO SWITCH

EnglischBem: NOTE: Pos. (20) included in Pos. (1) and (1A) Kit

4шт.

21

2993453X1

SCREW

EnglischBem: NOTE: Pos. (21) included in Pos. (1) and (1A) Kit

4шт.

22

4700013X1

NUT

EnglischBem: REPAIRS AND REPLACES 3067 706 M8 NOTE: Pos. (22) included in Pos

4шт.

22A

4400434M1

SLEEVE

EnglischBem: NOTE: Pos. (22A) included in Pos. (1) and (1A) Kit

2шт.

22B

3004636X1

SCREW

EnglischBem: NOTE: Pos. (22B) included in Pos. (1) and (1A) Kit

2шт.

23

3004515X1

SCREW

EnglischBem: NOTE: Pos. (23) included in Pos. (1) and (1A) Kit

2шт.

24

2993163X1

SCREW

EnglischBem: NOTE: Pos. (24) included in Pos. (1) and (1A) Kit

2шт.

25

3067962M8

DOWEL

EnglischBem: REPAIRS AND REPLACES 3006 270 X1 NOTE: Pos. (25) included in Pos

3шт.

26

4400418M1

SHAFT SEAL

EnglischBem: NOTE: Pos. (26) included in Pos. (1) and (1A) Kit

3шт.

27

3000355X1

SHIM

EnglischBem: NOTE: Pos. (27) included in Pos. (1) and (1A) Kit

2шт.

28

2906948M91

BALL BEARING

EnglischBem: NOTE: Pos. (28) included in Pos. (1) and (1A) Kit

3шт.

29

1442085X1

BALL

EnglischBem: NOTE: Pos. (29) included in Pos. (1) and (1A) Kit

3шт.

30

1444586X1

BALL

EnglischBem: NOTE: Pos. (30) included in Pos. (1) and (1A) Kit

2шт.

31

1443799X1

DOWEL

EnglischBem: REPAIRS AND REPLACES 1443 800 X1 NOTE: Pos. (31) included in Pos

2шт.

32

3003600X1

ROLLER

EnglischBem: NOTE: Pos. (32) included in Pos. (1) and (1A) Kit

1шт.

33

4400412M1

STOP

DeutschDesc: ANSCHLAG

1шт.

33A

NOT USED

DeutschDesc: NICHT VERWENDET

-1шт.

33B

NOT USED

DeutschDesc: NICHT VERWENDET

-1шт.

34

3004895X1

O-RING

EnglischBem: NOTE: Pos. (34) included in Pos. (1) and (1A) Kit

2шт.

35

339291X1

SCREW

EnglischBem: NOTE: Pos. (35) included in Pos. (1) and (1A) Kit

2шт.

36

1443789X1

SPRING WASHER

EnglischBem: NOTE: Pos. (36) included in Pos. (1) and (1A) Kit

2шт.

37

339169X1

NUT

EnglischBem: NOTE: Pos. (37) included in Pos. (1) and (1A) Kit

2шт.

38

4211124M91

HARNESS

EnglischBem: NOTE: Pos. (38) included in Pos. (1) and (1A) Kit

1шт.

39

4202539M91

BRACKET

DeutschDesc: HALTER

1шт.

40

4202537M1

HOLDER

DeutschDesc: HALTETEIL

1шт.

41

391176X1

SCREW

DeutschDesc: SCHRAUBE

2шт.

42

1443789X1

SPRING WASHER

DeutschDesc: FEDERRING

2шт.

43

2999878M1

BRACE

DeutschDesc: HALTEBAND

2шт.

Выбрано товаров: 48