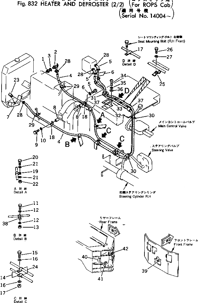
Запчасти Komatsu 510-1 ОБОГРЕВАТЕЛЬ. И АНТИОБЛЕДЕНИТЕЛЬ (/) (ДЛЯ КАБИНА ROPS)(№-) ОПЦИОННЫЕ КОМПОНЕНТЫ

Схема запчастей Komatsu 510-1 - ОБОГРЕВАТЕЛЬ. И АНТИОБЛЕДЕНИТЕЛЬ (/) (ДЛЯ КАБИНА ROPS)(№-) ОПЦИОННЫЕ КОМПОНЕНТЫ
FIT
1:1
100%

Артикул

Название

Примечание

Количество

|1

385-10270851

HEATER KIT,WITH DEFROSTER

SN: 14004-UP

1шт.

1

385-10119411

ADAPTER

SN: 14004-UP

1шт.

2

381-988157-1

VALVE,WATER

SN: 14004-UP

1шт.

3

381-982679-1

SEAL

SN: 14004-UP

1шт.

4

385-10068991

HOSE,4700MM

SN: 14004-UP

2шт.

5

381-988152-1

HOSE

SN: 14004-UP

2шт.

6

381-988153-1

CONNECTOR

SN: 14004-UP

2шт.

7

385-10265281

TUBE

SN: 14004-UP

1шт.

8

385-10094731

SPACER

SN: 14004-UP

2шт.

9

01010-51250

BOLT

SN: 14004-UP

2шт.

10

01641-01223

WASHER

SN: 14004-UP

2шт.

11

382-024860-1

BOLT

SN: 14004-UP

1шт.

12

382-025546-1

WASHER

SN: 14004-UP

2шт.

13

382-025526-1

NUT

SN: 14004-UP

1шт.

14

385-10137831

CLAMP

SN: 14004-UP

4шт.

15

382-024840-1

BOLT

SN: 14004-UP

2шт.

16

382-025543-1

WASHER

SN: 14004-UP

4шт.

17

382-025522-1

NUT

SN: 14004-UP

2шт.

18

385-10094761

CLAMP

SN: 14004-UP

2шт.

19

381-299567-1

CLIP

SN: 14004-UP

1шт.

20

382-024840-1

BOLT

SN: 14004-UP

1шт.

21

382-025534-1

WASHER

SN: 14004-UP

2шт.

22

382-025522-1

NUT

SN: 14004-UP

1шт.

23

381-988161-1

ELBOW

SN: 14004-UP

1шт.

24

385-10162131

PAD

SN: 14004-UP

4шт.

25

385-10119331

CLAMP

SN: 14004-UP

2шт.

26

382-024840-1

BOLT

SN: 14004-UP

2шт.

27

382-025544-1

WASHER

SN: 14004-UP

2шт.

28

383-30667581

CLAMP

SN: .-UP

8шт.

|28

0

CLAMP

SN: 14004-.

8шт.

29

381-935522-1

STRAP

SN: 14004-UP

5шт.

30

381-976197-1

STRAP

SN: 14004-UP

5шт.

31

381-986753-1

GROMMET

SN: 14004-UP

1шт.

32

385-10131343

COVER

SN: .-UP

1шт.

|32

0

COVER

SN: 14004-.

1шт.

33

385-10095642

HOLDER

SN: 14004-UP

1шт.

34

384-0132908

SCREW

SN: 14004-UP

6шт.

35

01601-20513

WASHER

SN: 14004-UP

6шт.

36

384-0120391

WASHER

SN: 14004-UP

6шт.

37

381-981468-1

INSULATOR

SN: 14004-UP

2шт.

38

385-10094751

CLAMP

SN: .-UP

2шт.

|38

385-10094751

CLAMP

SN: 14004-.

1шт.

|39

385-10270831

FRAME,FRONT

SN: 14004-UP

1шт.

39

385-10137851

PLATE (WELDED)

SN: 14004-UP

1шт.

|40

385-10270841

FRAME,REAR

SN: 14004-UP

1шт.

40

385-10094801

PLATE (WELDED)

SN: 14004-UP

1шт.

41

385-10137881

SUPPORT (WELDED)

SN: 14004-UP

1шт.

42

385-11051011

SUPPORT (WELDED)

SN: 14004-UP

1шт.

Выбрано товаров: 48