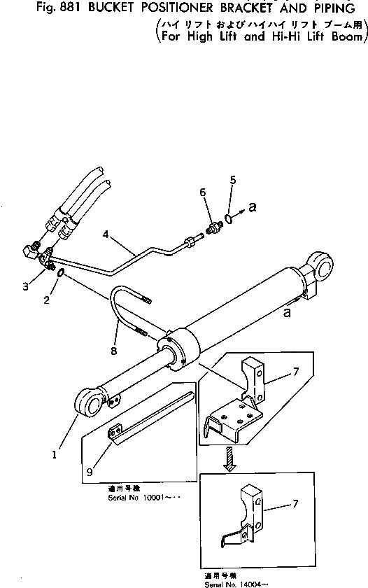
Запчасти Komatsu 510-1 ПОЗИЦИОНЕР КОВШАAND ТРУБЫ (ДЛЯ ВЫС. И HI-HI LIFT СТРЕЛА) ОПЦИОННЫЕ КОМПОНЕНТЫ

Схема запчастей Komatsu 510-1 - ПОЗИЦИОНЕР КОВШАAND ТРУБЫ (ДЛЯ ВЫС. И HI-HI LIFT СТРЕЛА) ОПЦИОННЫЕ КОМПОНЕНТЫ
FIT
1:1
100%

Артикул

Название

Примечание

Количество

|1

385-10131031

CYLINDER KIT,(FOR HIGH LIFT BOOM WITH BUCKE

SN: 10001-UP

1шт.

|1

385-10281861

CYLINDER KIT,(FOR HIGH OR HI-HI LIFT WITH F

SN: 14004-UP

1шт.

|1

385-10131021

CYLINDER KIT,(FOR HIGH OR HI-HI LIFT WITH F

SN: 10001-14003

1шт.

|1

707-00-10221

CYLINDER ASS'Y,(FOR HIGH LIFT BOOM)

SN: ..-UP

1шт.

|1

0

CYLINDER ASS'Y,(FOR HIGH LIFT BOOM)

SN: .-..

1шт.

|1

0

CYLINDER ASS'Y,(FOR HIGH LIFT BOOM)

SN: 10001-.

1шт.

|1

707-15-22503

CYLINDER ASS'Y,(FOR HI-HI LIFT BOOM)

SN: ...-UP

1шт.

|1

0

CYLINDER ASS'Y,(FOR HI-HI LIFT BOOM)

SN: ..-...

1шт.

|1

0

CYLINDER ASS'Y,(FOR HI-HI LIFT BOOM)

SN: .-..

1шт.

|1

0

CYLINDER ASS'Y,(FOR HI-HI LIFT BOOM)

SN: 10001-.

1шт.

2

382-297459-1

O-RING

SN: 10001-UP

1шт.

3

385-11052111

ELBOW

SN: 10001-UP

1шт.

4

385-10255051

TUBE

SN: 14004-UP

1шт.

|4

385-11051661

TUBE

SN: 10001-14003

1шт.

5

382-297459-1

O-RING

SN: 10001-UP

1шт.

6

382-468202-1

ADAPTER

SN: 10001-UP

1шт.

7

385-11092552

BRACKET

SN: ..-UP

1шт.

|7

0

BRACKET

SN: 14004-..

1шт.

|7

385-10063941

BRACKET

SN: 10001-14003

1шт.

8

385-10063961

U-BOLT

SN: 10001-UP

1шт.

9

385-10063971

BAR

SN: 10001-14003

1шт.

Выбрано товаров: 21