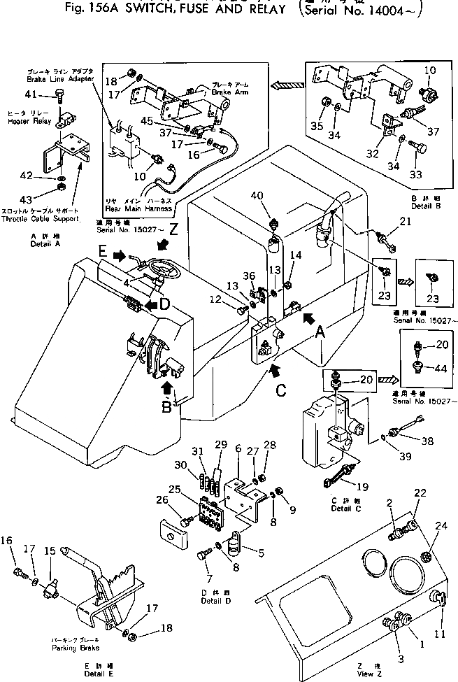
Запчасти Komatsu 510-1 ПЕРЕКЛЮЧАТЕЛЬ¤ ПРЕДОХРАНИТЕЛЬ И РЕЛЕ(№-) КОМПОНЕНТЫ ДВИГАТЕЛЯ И ЭЛЕКТРИКА

Схема запчастей Komatsu 510-1 - ПЕРЕКЛЮЧАТЕЛЬ¤ ПРЕДОХРАНИТЕЛЬ И РЕЛЕ(№-) КОМПОНЕНТЫ ДВИГАТЕЛЯ И ЭЛЕКТРИКА
FIT
1:1
100%

Артикул

Название

Примечание

Количество

1

08061-50010

SWITCH,LIGHT

SN: 14004-UP

1шт.

2

08061-30050

SWITCH,PARKING LAMP

SN: 14004-UP

1шт.

3

08061-30020

SWITCH,WORKING LAMP

SN: 14004-UP

1шт.

4

08075-60000

SWITCH,TURN SIGNAL

SN: 14004-UP

1шт.

5

08077-32400

FLASHER

SN: 14004-UP

1шт.

6

385-10214512

SUPPORT

SN: 14016-UP

1шт.

|6

0

SUPPORT

SN: 14004-14015

1шт.

7

382-025228-1

NUT

SN: 14004-UP

1шт.

8

382-025533-1

WASHER

SN: 14004-UP

2шт.

9

382-025520-1

NUT

SN: 14004-UP

1шт.

10

385-11093021

SWITCH,STOP LAMP

SN: 14004-UP

1шт.

11

08086-10000

SWITCH,STARTING

SN: 14270-UP

1шт.

|11

0

SWITCH,STARTING

SN: 10001-14269

1шт.

12

382-025493-1

BOLT

SN: 14004-UP

2шт.

13

382-025533-1

WASHER

SN: 14004-UP

4шт.

14

382-025520-1

NUT

SN: 14004-UP

2шт.

15

385-10427281

SWITCH,PARKING BRAKE

SN: 16108-UP

1шт.

|15

385-10294261

SWITCH,PARKING BRAKE

SN: 15027-16107

1шт.

|15

380-183135-2

SWITCH,PARKING BRAKE

SN: 14004-15026

1шт.

16

382-025493-1

BOLT

SN: 16108-UP

4шт.

|16

382-025228-1

NUT

SN: 15027-16107

2шт.

|16

382-025228-1

NUT

SN: 14004-15026

1шт.

17

382-025543-1

WASHER

SN: 16108-UP

8шт.

|17

382-025533-1

WASHER

SN: 15027-16107

4шт.

|17

382-025533-1

WASHER

SN: 14004-15026

2шт.

18

382-025520-1

NUT

SN: 16108-UP

4шт.

|18

382-025520-1

NUT

SN: 15027-16107

2шт.

|18

382-025520-1

NUT

SN: 14004-15026

1шт.

19

385-10224411

SWITCH,OIL TEMPERATURE

SN: 14004-UP

1шт.

20

385-10051642

SENSOR,TORQUE CONVERTER OIL TEMP.

SN: 15027-UP

1шт.

|20

385-11015831

SENDER,TORQUE CONVERTER OIL TEMP.

SN: 10001-15026

1шт.

21

385-10224401

SWITCH,ENGINE WATER TEMPERATURE

SN: 14004-UP

1шт.

22

08061-30070

SWITCH,THERMOSTART

SN: 14004-UP

1шт.

23

385-10051642

SENSOR,ENGINE WATER TEMPERATURE

SN: 15027-UP

1шт.

|23

381-121756-2

SENDER,ENGINE WATER TEMPERATURE

SN: 14990-15026

1шт.

|23

381-121756-1

SENDER,ENGINE WATER TEMPERATURE

SN: 14004-14989

1шт.

24

385-10241161

SIGNAL,HEATER

SN: 14004-UP

1шт.

25

08043-04000

BOX,FUSE

SN: 14004-UP

1шт.

26

01220-40520

SCREW

SN: 14004-UP

2шт.

27

01601-20513

WASHER

SN: 14004-UP

2шт.

28

01580-10504

NUT

SN: 14004-UP

2шт.

29

08040-02000

FUSE¤ 20A

SN: 14004-UP

2шт.

30

08040-01000

FUSE¤ 10A

SN: 14004-UP

1шт.

31

08040-00200

FUSE¤ 2A

SN: 14004-UP

1шт.

32

385-11092931

SUPPORT

SN: 14004-15026

1шт.

33

380-140483-1

BOLT

SN: 14004-15026

2шт.

34

382-025534-1

WASHER

SN: 14004-15026

4шт.

35

382-025522-1

NUT

SN: 14004-15026

2шт.

36

08088-10000

SWITCH,BATTERY RELAY

SN: 14004-UP

1шт.

37

385-10427281

SWITCH,DISCONNECT

SN: 16108-UP

1шт.

|37

385-10294261

SWITCH,DISCONNECT

SN: 15027-16107

1шт.

|37

385-10136341

SWITCH,DISCONNECT

SN: 11604-15026

1шт.

38

385-10210443

SWITCH,BACK LAMP

SN: 15483-UP

1шт.

|38

0

SWITCH,BACK LAMP

SN: 12564-15482

1шт.

39

07002-01623

O-RING

SN: 12564-UP

1шт.

40

08073-00505

SWITCH

SN: 14004-UP

1шт.

41

01010-50620

BOLT

SN: 14234-UP

2шт.

|41

382-025482-1

BOLT

SN: 14004-14233

2шт.

42

01641-00608

WASHER

SN: 14234-UP

2шт.

|42

382-025532-1

WASHER

SN: 14004-14233

2шт.

43

01580-00605

NUT

SN: 14234-UP

2шт.

|43

382-025519-1

NUT

SN: 14004-14233

2шт.

44

380-885320-2

ADAPTER

SN: 15027-15387

1шт.

45

382-025533-1

WASHER

SN: 15435-16107

1шт.

Выбрано товаров: 64