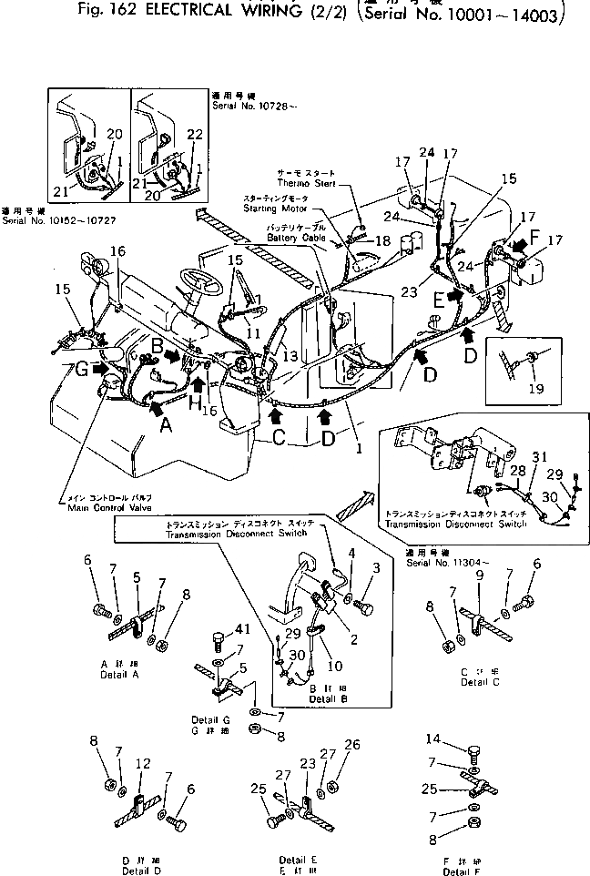
Запчасти Komatsu 510-1 ЭЛЕКТР. ЭЛЕКТРОПРОВОДКА (/)(№-) КОМПОНЕНТЫ ДВИГАТЕЛЯ И ЭЛЕКТРИКА

Схема запчастей Komatsu 510-1 - ЭЛЕКТР. ЭЛЕКТРОПРОВОДКА (/)(№-) КОМПОНЕНТЫ ДВИГАТЕЛЯ И ЭЛЕКТРИКА
FIT
1:1
100%

Артикул

Название

Примечание

Количество

1

385-10225122

WIRING HARNESS,MAIN

SN: .-14003

1шт.

|1

0

WIRING HARNESS,MAIN

SN: 12996-. 14003

1шт.

|1

385-11091424

WIRING HARNESS,MAIN

SN: 11304-12995

1шт.

|1

0

WIRING HARNESS,MAIN

SN: 10728-11303

1шт.

|1

385-11091662

WIRING HARNESS,MAIN

SN: 10500-10727

1шт.

|1

385-11090252

WIRING HARNESS,MAIN

SN: 10152-10499

1шт.

|1

385-11051332

WIRING HARNESS,MAIN

SN: 10020-10151

1шт.

|1

0

WIRING HARNESS,MAIN

SN: 10001-10019

1шт.

2

381-299402-1

CLIP

SN: 10001-11303

2шт.

3

382-024838-1

BOLT

SN: 10001-11303

2шт.

4

382-025534-1

WASHER

SN: 10001-11303

2шт.

5

381-299413-1

CLAMP

SN: 10001-14003

2шт.

6

382-024840-1

BOLT

SN: 10001-@

5шт.

7

382-025534-1

WASHER

SN: 10001-14003

16шт.

8

382-025522-1

NUT

SN: 10001-@

8шт.

9

381-299566-1

CLAMP

SN: 10001-14003

1шт.

10

381-299404-1

CLIP

SN: 10001-11303

1шт.

11

380-129668-1

CLIP

SN: 10001-10019

1шт.

12

382-129083-1

CLAMP

SN: 10001-14003

3шт.

13

381-299407-1

CLAMP

SN: 10001-14003

2шт.

14

382-024839-1

BOLT

SN: 10001-14003

3шт.

15

381-935522-1

STRAP

SN: .-14003

11шт.

|15

0

STRAP

SN: 10001-.

11шт.

16

385-11051991

GROMMET

SN: 10001-@

2шт.

17

08037-03614

GROMMET

SN: 10001-@

4шт.

18

381-935522-1

STRAP

SN: .-14003

1шт.

|18

0

STRAP

SN: 10001-.

1шт.

19

381-970088-1

PLUG

SN: 10001-14003

2шт.

20

385-10225181

WIRING HARNESS,TRANSMISSION VALVE

SN: 12996-@

1шт.

|20

385-11090261

WIRING HARNESS,TRANSMISSION VALVE

SN: 10152-12995

1шт.

21

385-11090302

WIRING HARNESS,RELAY

SN: 11304-14003

1шт.

|21

0

WIRING HARNESS,RELAY

SN: 10728-11303

1шт.

|21

385-11091671

WIRING HARNESS,RELAY

SN: 10500-10727

1шт.

|21

385-11090272

WIRING HARNESS,RELAY

SN: 10152-10499

1шт.

22

385-11091442

WIRING HARNESS,TRANSMISSION

SN: 13140-@

1шт.

|22

0

WIRING HARNESS,TRANSMISSION

SN: 10278-13139

1шт.

23

385-10005701

CLIP

SN: 10380-10727

2шт.

|23

0

CLIP

SN: 10001-10379

2шт.

24

385-10005701

CLIP

SN: 10380-14003

5шт.

|24

0

CLIP

SN: 10001-10379

4шт.

25

382-024840-1

BOLT

SN: 10001-10727

2шт.

26

382-025522-1

NUT

SN: 10001-10727

2шт.

27

382-025534-1

WASHER

SN: 10001-10727

4шт.

28

385-11092981

WIRING HARNESS,TRANSMISSION CUT OFF

SN: 11304-@

1шт.

29

385-10131051

WIRING HARNESS,DIODE

SN: 11208-@

1шт.

30

381-935522-1

STRAP

SN: 11208-14003

3шт.

31

381-935522-1

STRAP

SN: 12924-14003

1шт.

Выбрано товаров: 47