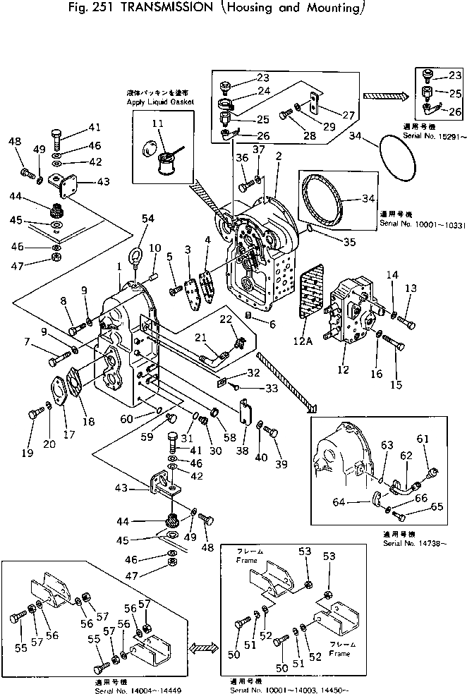
Запчасти Komatsu 510-1 ТРАНСМИССИЯ (КОЖУХ КРЕПЛЕНИЕ) ТРАНСМИССИЯ

Схема запчастей Komatsu 510-1 - ТРАНСМИССИЯ (КОЖУХ КРЕПЛЕНИЕ) ТРАНСМИССИЯ
FIT
1:1
100%

Артикул

Название

Примечание

Количество

|1

385-11052463

TRANSMISSION ASS'Y

SN: 16420-UP

1шт.

|1

0

TRANSMISSION ASS'Y

SN: 15002-16419

1шт.

|1

0

TRANSMISSION ASS'Y

SN: 10001-15001

1шт.

1

385-11106982

HOUSING,FRONT

SN: 14738-UP

1шт.

|1

385-10253751

HOUSING,FRONT

SN: 14126-14737

1шт.

|1

381-935225-1

HOUSING,FRONT

SN: 10001-14125

1шт.

2

385-11052061

HOUSING,REAR

SN: 10001-UP

1шт.

3

381-941419-1

PLATE

SN: 10001-UP

1шт.

4

381-937074-1

GASKET

SN: 10001-UP

1шт.

5

381-941418-1

SCREW

SN: 10001-UP

10шт.

6

384-0444600

PLUG

SN: 10001-UP

1шт.

7

381-941415-1

BOLT

SN: 10001-UP

2шт.

8

382-024862-1

BOLT

SN: 10001-UP

12шт.

9

382-025536-1

WASHER

SN: 10001-UP

14шт.

10

382-019904-1

PIN

SN: 10001-UP

2шт.

11

385-11092821

LOCKTITE¤ 515

SN: 13164-UP

1шт.

|11

0

LIQUID GASKET

SN: 10272-13163

1шт.

|11

0

LIQUID GASKET

SN: 10001-10271

1шт.

12

385-10211212

VALVE ASS'Y

SN: 16012-UP

1шт.

|12

0

VALVE ASS'Y

SN: 12564-16011

1шт.

|12

0

VALVE ASS'Y

SN: 12528-12563

1шт.

|12

0

VALVE ASS'Y

SN: 10992-12527

1шт.

|12

0

VALVE ASS'Y

SN: 10260-10991

1шт.

|12

0

VALVE ASS'Y

SN: 10020-10259

1шт.

|12

0

VALVE ASS'Y

SN: 10001-10019

1шт.

12A

381-707022-3

GASKET

SN: 10260-UP

1шт.

|12A

0

GASKET

SN: 10020-10259

1шт.

|12A

0

GASKET

SN: 10001-10019

1шт.

13

382-025500-1

BOLT

SN: 10001-UP

11шт.

14

382-025534-1

WASHER

SN: 10001-UP

11шт.

15

382-024846-1

BOLT

SN: 10001-UP

4шт.

16

382-025534-1

WASHER

SN: 10001-UP

4шт.

17

381-935039-2

COVER

SN: 10128-UP

1шт.

|17

0

COVER

SN: 10001-10127

1шт.

18

381-935048-2

GASKET

SN: 10128-UP

1шт.

|18

0

GASKET

SN: 10001-10127

1шт.

19

382-024860-1

BOLT

SN: 10001-UP

2шт.

20

384-0103323

WASHER

SN: 10001-UP

2шт.

21

385-11051911

FITTING

SN: 10001-14737

1шт.

22

385-11055461

PLUG

SN: 10001-UP

1шт.

23

382-445682-1

BREATHER

SN: 10001-UP

1шт.

24

385-11088981

CLAMP

SN: 10001-15290

1шт.

25

381-897627-1

ADAPTER

SN: 15291-UP

1шт.

|25

385-11088931

ADAPTER

SN: 10001-15290

1шт.

26

385-11051881

ELBOW

SN: 15291-UP

1шт.

27

385-11088991

BRACKET

SN: 10001-15290

1шт.

28

382-024839-1

BOLT

SN: 10001-15290

1шт.

29

382-025534-1

WASHER

SN: 10001-15290

1шт.

30

381-941323-1

GAUGE,OIL

SN: 14306-UP

1шт.

|30

381-941323-1

GAUGE,OIL

SN: 10001-14305

2шт.

31

382-364879-1

O-RING

SN: 14306-UP

1шт.

|31

382-364879-1

O-RING

SN: 10001-14305

2шт.

32

0

PLATE¤ NAME

SN: 10001-UP

1шт.

33

384-0145372

SCREW,DRIVE

SN: .-UP

2шт.

|33

0

SCREW,DRIVE

SN: 10001-.

2шт.

34

385-10090911

O-RING

SN: 10332-UP

1шт.

|34

0

O-RING

SN: 10001-10331

1шт.

35

382-355966-1

O-RING

SN: 10001-UP

1шт.

36

380-140483H

BOLT

SN: 10001-UP

12шт.

37

382-025544-1

WASHER

SN: 10001-UP

12шт.

38

385-11015622

ANGLE

SN: 10001-UP

1шт.

39

382-024860-1

BOLT

SN: .-UP

2шт.

|39

0

BOLT

SN: 10001-.

2шт.

40

382-025536-1

WASHER

SN: 10001-UP

2шт.

41

382-024894-1

BOLT

SN: 10001-UP

2шт.

42

380-167521-1

WASHER

SN: 10001-UP

2шт.

43

381-943879-2

BASE

SN: 10001-UP

2шт.

44

381-938685-1

CUSHION

SN: 10001-UP

2шт.

45

381-938356-1

WASHER

SN: 10001-UP

2шт.

46

382-025538-1

WASHER

SN: 10001-UP

4шт.

47

384-9413983

NUT

SN: 10001-UP

2шт.

48

382-024874-1

BOLT

SN: 10001-UP

8шт.

49

382-025537-1

WASHER

SN: 10001-UP

8шт.

50

382-024861-1

BOLT

SN: 10001-UP

4шт.

51

385-11050371

WASHER

SN: 10001-UP

8шт.

52

382-025546-1

WASHER

SN: 10001-UP

4шт.

53

382-025526-1

NUT

SN: 10001-UP

4шт.

54

381-941324-1

BOLT

SN: 10001-UP

1шт.

55

385-10246461

BOLT

SN: 14004-14449

4шт.

56

382-025536-1

WASHER

SN: 14004-14449

8шт.

57

382-025526-1

NUT

SN: 14004-14449

8шт.

58

385-10235121

GAUGE,OIL

SN: 14306-UP

1шт.

59

384-9410359

PLUG

SN: 14738-UP

2шт.

60

382-570828-1

O-RING

SN: 14738-UP

2шт.

61

385-11111621

CAP

SN: 14738-UP

1шт.

62

385-11110791

TUBE

SN: 14738-UP

1шт.

63

382-708560-1

O-RING

SN: 14738-UP

1шт.

64

381-877949-2

FLANGE

SN: 14738-UP

2шт.

65

380-140483H

BOLT

SN: 14738-UP

4шт.

66

384-0131099

WASHER

SN: 14738-UP

4шт.

Выбрано товаров: 0