Запчасти Komatsu 510-1 ТРАНСМИССИЯ (ВАЛ) ТРАНСМИССИЯ

Схема запчастей Komatsu 510-1 - ТРАНСМИССИЯ (ВАЛ) ТРАНСМИССИЯ
FIT
1:1
100%

Артикул

Название

Примечание

Количество

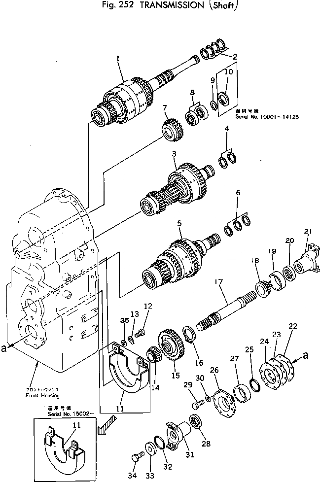
|1

385-11052463

TRANSMISSION ASS'Y

SN: 16420-UP

1шт.

|1

0

TRANSMISSION ASS'Y

SN: 15002-16419

1шт.

|1

0

TRANSMISSION ASS'Y

SN: 10001-15001

1шт.

1

385-11122861

CLUTCH ASS'Y,FORWARD AND REVERSE

SN: 15002-UP

1шт.

|1

0

CLUTCH ASS'Y,FORWARD AND REVERSE

SN: 10001-15001

1шт.

2

385-11051501

RING

SN: 10001-UP

4шт.

3

385-11122632

CLUTCH ASS'Y,1ST

SN: 10001-UP

1шт.

|3

381-941283-1

CLUTCH ASS'Y,1ST

SN: 10001-15001

1шт.

4

385-11051501

RING,SEAL

SN: 10001-UP

2шт.

5

385-11122652

CLUTCH ASS'Y,2ND AND 3RD

SN: 15002-UP

1шт.

|5

0

CLUTCH ASS'Y,2ND AND 3RD

SN: 10001-15001

1шт.

6

385-11051501

RING

SN: 10001-UP

3шт.

7

385-11105442

GEAR¤ 28 TEETH

SN: 14270-UP

1шт.

|7

0

GEAR¤ 28 TEETH

SN: 14126-14269

1шт.

|7

381-941316-1

GEAR¤ 28 TEETH

SN: 10001-14125

1шт.

8

385-11107291

BEARING

SN: 14126-UP

2шт.

|8

385-11035661

BEARING

SN: 10001-14125

2шт.

9

382-233041-1

RING

SN: 10001-UP

1шт.

10

382-659676-1

RING

SN: 10001-14125

1шт.

11

385-11105451

SHROUD

SN: 15002-UP

1шт.

|11

0

SHROUD

SN: 10001-15001

1шт.

12

382-024860-1

BOLT

SN: 10001-UP

2шт.

13

385-10004051

WASHER

SN: 10001-UP

2шт.

14

380-890123-1

CONE

SN: 10001-UP

1шт.

15

381-941315-1

GEAR¤ 31 TEETH,OUTPUT

SN: 10001-UP

1шт.

16

382-233042-1

RING

SN: 10001-UP

1шт.

17

381-941297-1

SHAFT,OUTPUT

SN: 10001-UP

1шт.

18

380-890123-1

CONE

SN: 10001-UP

1шт.

19

380-890120-1

CAP

SN: 10001-UP

1шт.

20

381-935049-2

SEAL

SN: 11772-UP

1шт.

|20

0

SEAL

SN: 10001-11771

1шт.

21

381-941330-1

YOKE

SN: 10001-UP

1шт.

22

381-935061-1

SHIM¤ 0.05MM

SN: 10001-UP

1шт.

23

381-935062-1

SHIM¤ 0.10MM

SN: 10001-UP

4шт.

24

381-935063-1

SHIM¤ 0.19MM

SN: 10001-UP

6шт.

25

382-022412-1

O-RING

SN: 10001-UP

1шт.

|26

381-941281-2

RETAINER ASS'Y

SN: 10020-UP

1шт.

|26

0

RETAINER ASS'Y

SN: 10001-10019

1шт.

26

381-941328-1

RETAINER

SN: 10001-UP

1шт.

27

380-890120-1

CAP

SN: 10001-UP

1шт.

28

381-935049-2

SEAL

SN: 10001-UP

1шт.

29

382-024862-1

BOLT

SN: 10001-UP

6шт.

30

382-025536-1

WASHER

SN: 10001-UP

6шт.

31

381-941329-1

YOKE

SN: 10001-UP

1шт.

32

382-702283-1

O-RING

SN: 10001-UP

1шт.

33

381-935017-1

WASHER

SN: 10001-UP

1шт.

34

382-024867-1

BOLT

SN: 10001-UP

1шт.

35

382-025546-1

WASHER

SN: 10001-UP

2шт.

Выбрано товаров: 0