Запчасти Komatsu 510-1 КОМПОНЕНТЫ ДВИГАТЕЛЯ(№78-) КОМПОНЕНТЫ ДВИГАТЕЛЯ И ЭЛЕКТРИКА

Схема запчастей Komatsu 510-1 - КОМПОНЕНТЫ ДВИГАТЕЛЯ(№78-) КОМПОНЕНТЫ ДВИГАТЕЛЯ И ЭЛЕКТРИКА
FIT
1:1
100%

Артикул

Название

Примечание

Количество

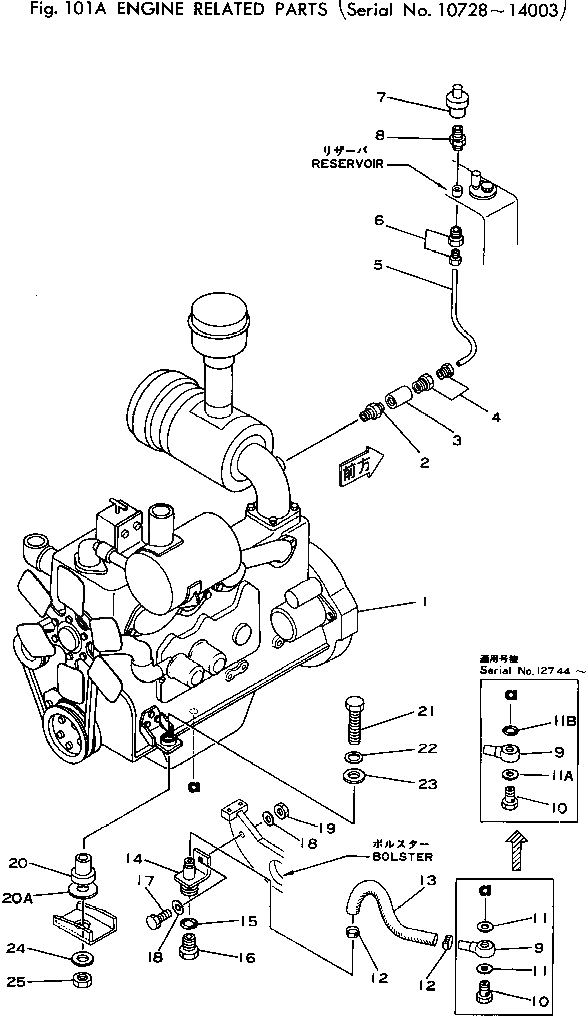
1

385-11091681

ENGINE ASS'Y

SN: 10728-14003

1шт.

2

380-890337-1

NIPPLE

SN: 10380-14003

1шт.

3

380-107352-1

COUPLING

SN: 10001-14003

1шт.

4

380-175773-1

CONNECTOR

SN: 10001-14003

1шт.

5

385-11091362

TUBE

SN: 12348-14003

1шт.

|5

0

TUBE

SN: 10728-12347

1шт.

6

380-175773-1

CONNECTOR

SN: 10728-14003

1шт.

7

381-366078-1

INDICATOR

SN: 10001-@

1шт.

8

381-971896-1

NIPPLE

SN: 10728-14003

1шт.

9

380-888737-2

TUBE

SN: .-@

1шт.

|9

0

TUBE

SN: 10728-.

1шт.

10

385-10193721

BOLT

SN: 12744-@

1шт.

|10

380-888736-1

BOLT

SN: 10001-12743

1шт.

11

385-11038371

GASKET

SN: 10001-12743

2шт.

11A

07005-02416

GASKET

SN: 12744-@

1шт.

11B

07002-02434

O-RING

SN: 12744-14003

1шт.

12

382-333710-1

CLAMP

SN: 10001-14003

2шт.

13

385-11038281

HOSE

SN: 10001-14003

1шт.

14

381-938655-1

BRACKET

SN: 10728-14003

1шт.

15

382-570828-1

O-RING

SN: 10001-14003

1шт.

16

384-9410359

PLUG

SN: 10001-14003

1шт.

17

382-025285-1

BOLT

SN: 10728-14003

1шт.

18

382-025536-1

WASHER

SN: 10728-14003

2шт.

19

384-9412230

NUT

SN: 10001-@ 14003

1шт.

20

381-938685-1

CUSHION

SN: 10728-14003

2шт.

20A

385-11091351

SPACER

SN: 10728-14003

2шт.

21

382-024895-1

BOLT

SN: 10728-14003

2шт.

22

382-025538-1

WASHER

SN: 10728-14003

2шт.

23

380-167521-1

WASHER

SN: 10728-14003

2шт.

24

382-025557-1

WASHER

SN: 10728-14003

2шт.

25

384-9413983

NUT

SN: 10728-14003

2шт.

Выбрано товаров: 31