Запчасти Komatsu 510-1 РУЛЕВ. УПРАВЛЕНИЕ МАСЛ. ЛИНИЯ (/) РУЛЕВ. УПРАВЛЕНИЕ И СИСТЕМА УПРАВЛЕНИЯ

Схема запчастей Komatsu 510-1 - РУЛЕВ. УПРАВЛЕНИЕ МАСЛ. ЛИНИЯ (/) РУЛЕВ. УПРАВЛЕНИЕ И СИСТЕМА УПРАВЛЕНИЯ
FIT
1:1
100%

Артикул

Название

Примечание

Количество

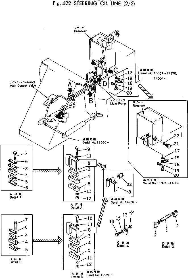
1

385-11029942

HOSE

SN: 10001-UP

1шт.

2

383-30746151

CLAMP

SN: .-UP

4шт.

|2

0

CLAMP

SN: 10001-.

4шт.

3

385-11203261

PAD

SN: 10260-UP

2шт.

|3

381-941075-1

PAD

SN: 10001-10259

2шт.

4

381-941074-2

PAD

SN: 10299-UP

2шт.

|4

0

PAD

SN: 10001-10298

2шт.

5

381-941075-1

PAD

SN: 10001-UP

2шт.

6

381-941111-1

BAR

SN: 10001-12959

3шт.

7

382-024847-1

BOLT

SN: 10001-12959

4шт.

8

385-10214371

CLAMP

SN: 14702-UP

2шт.

|8

385-10199871

CHANNEL

SN: 12960-14701

2шт.

9

382-025684-1

BOLT

SN: 12960-UP

2шт.

10

382-025759-1

BOLT

SN: 12960-UP

2шт.

11

382-025534-1

WASHER

SN: 12960-UP

8шт.

12

384-9413979

NUT

SN: 12960-UP

4шт.

13

381-892033-1

CLIP

SN: 10001-UP

1шт.

14

382-024839-1

BOLT

SN: 10001-UP

1шт.

15

382-025544-1

WASHER

SN: 10001-UP

1шт.

16

382-025522-1

NUT

SN: 10001-UP

1шт.

17

382-343906-1

O-RING

SN: 11371-UP

1шт.

|17

382-343906-1

O-RING

SN: 10001-11370

2шт.

18

380-188638-1

FLANGE

SN: 11371-UP

1шт.

|18

380-188638-1

FLANGE

SN: 10001-11370

2шт.

19

381-877949-2

FLANGE

SN: 11484-UP

2шт.

|19

0

FLANGE

SN: 11371-11483

2шт.

|19

382-295698-1

FLANGE

SN: 10001-11370

4шт.

20

380-140483H

BOLT

SN: 11371-UP

4шт.

|20

380-140483H

BOLT

SN: 10001-11370

8шт.

21

382-022357-1

PLUG

SN: 11371-14003

1шт.

22

382-307916-1

O-RING

SN: 11371-14003

1шт.

23

385-11089471

PAD

SN: 14702-UP

2шт.

Выбрано товаров: 32