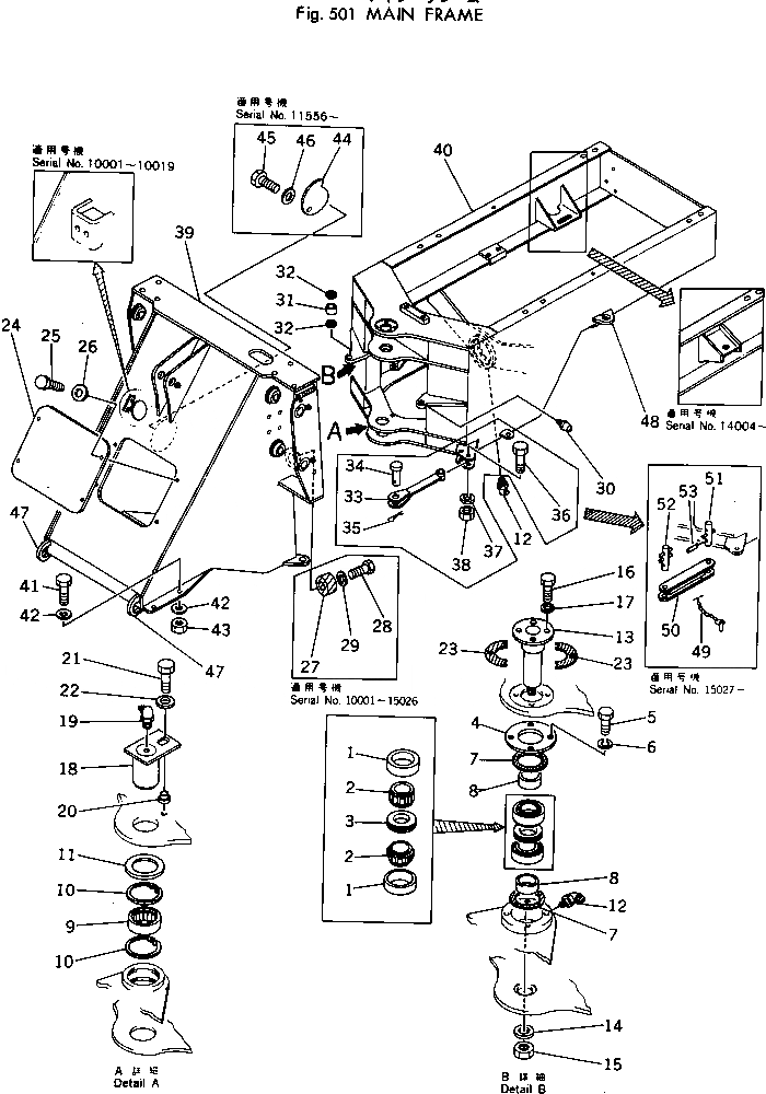
Запчасти Komatsu 510-1 ОСНОВН. РАМА РАМА И ЧАСТИ КОРПУСА

Схема запчастей Komatsu 510-1 - ОСНОВН. РАМА РАМА И ЧАСТИ КОРПУСА
FIT
1:1
100%

Артикул

Название

Примечание

Количество

|1

381-934410-1

BEARING ASS'Y

SN: 10001-12671

2шт.

1

385-11221431

CUP

SN: 12672-UP

2шт.

|1

0

CUP

SN: 10001-12671

2шт.

2

385-11221421

CONE

SN: 12672-UP

2шт.

|2

0

CONE

SN: 10001-12671

2шт.

3

381-935763-1

SPACER

SN: 10001-UP

1шт.

4

381-936884-1

RETAINER

SN: 10001-UP

1шт.

5

380-140483H

BOLT

SN: 10001-UP

4шт.

6

382-025544-1

WASHER

SN: 10001-UP

4шт.

7

385-11209211

SEAL

SN: 12672-UP

2шт.

|7

0

SEAL

SN: 10001-12671

2шт.

8

381-936886-1

SPACER

SN: 10001-UP

2шт.

9

385-11209001

BEARING

SN: 12672-UP

1шт.

|9

0

BEARING

SN: 10001-12671

1шт.

10

381-267743-1

RING

SN: 10001-UP

2шт.

11

381-939915-1

WASHER

SN: 10001-UP

1шт.

12

384-0109462

FITTING

SN: 10001-UP

2шт.

13

381-936887-2

PIN

SN: 10512-UP

1шт.

|13

0

PIN

SN: 10001-10511

1шт.

14

381-942823-1

WASHER

SN: 10001-UP

1шт.

15

382-025878-1

NUT

SN: 10001-UP

1шт.

16

382-024862-1

BOLT

SN: 10001-UP

4шт.

17

382-025536-1

WASHER

SN: 10001-UP

4шт.

18

381-936986-1

PIN

SN: 10001-UP

1шт.

19

384-0109462

FITTING

SN: 10020-UP

1шт.

|19

0

FITTING

SN: 10001-10019

1шт.

20

381-941546-1

BUSHING

SN: 10001-UP

1шт.

21

382-024861-1

BOLT

SN: 10001-UP

1шт.

22

382-025536-1

WASHER

SN: 10001-UP

1шт.

23

385-11036891

SHIM

SN: 10001-UP

-2шт.

24

381-944532-1

PLATE

SN: 10001-UP

1шт.

25

382-024861-1

BOLT

SN: 10001-UP

4шт.

26

382-025536-1

WASHER

SN: 10001-UP

4шт.

27

380-216293-2

BUMPER

SN: 10001-15026

2шт.

28

382-024860-1

BOLT

SN: 10001-15026

2шт.

29

382-025536-1

WASHER

SN: 10001-15026

2шт.

30

384-0109461

FITTING

SN: 10001-UP

2шт.

31

381-939062-1

BUSHING

SN: 11280-UP

2шт.

|31

0

BUSHING

SN: 10001-11279

2шт.

32

385-11037131

SEAL

SN: 10001-UP

4шт.

33

385-11021221

SUPPORT

SN: 10001-15026

1шт.

34

385-11021852

PIN

SN: 11292-15026

1шт.

|34

0

PIN

SN: 10001-11291

1шт.

35

381-897849-1

PIN

SN: 10001-15026

1шт.

36

382-025982-1

BOLT

SN: 10001-15026

1шт.

37

382-025558-1

WASHER

SN: 10001-15026

1шт.

38

382-027008-1

NUT

SN: 10001-15026

1шт.

39

385-10422541

FRAME,FRONT

SN: 16228-UP

1шт.

|39

385-10311561

FRAME,FRONT

SN: 15027-16227

1шт.

|39

385-10241231

FRAME,FRONT

SN: 14004-15026

1шт.

|39

385-10199784

FRAME,FRONT

SN: 13392-14003

1шт.

|39

0

FRAME,FRONT

SN: 13104-13391

1шт.

|39

0

FRAME,FRONT

SN: 12960-13103

1шт.

|39

385-11036822

FRAME,FRONT

SN: 11280-12959

1шт.

|39

0

FRAME,FRONT

SN: 10428-11279

1шт.

|39

0

FRAME,FRONT

SN: 10020-10427

1шт.

|39

0

FRAME,FRONT

SN: 10001-10019

1шт.

40

385-10311581

FRAME,REAR

SN: 15027-UP

1шт.

|40

385-10233782

FRAME,REAR

SN: 14004-15026

1шт.

|40

385-11037096

FRAME,REAR

SN: 12960-14003

1шт.

|40

0

FRAME,REAR

SN: 11100-12959

1шт.

|40

0

FRAME,REAR

SN: 10908-11099

1шт.

|40

0

FRAME,REAR

SN: 10728-10907

1шт.

|40

0

FRAME,REAR

SN: 10428-10727

1шт.

|40

0

FRAME,REAR

SN: 10001-10427

1шт.

41

382-026019-1

BOLT

SN: 10001-UP

8шт.

42

382-025550-1

WASHER

SN: 10001-UP

16шт.

43

382-025531-1

NUT

SN: 14954-UP

8шт.

|43

0

NUT

SN: 10001-14953

8шт.

44

385-11211851

COVER

SN: 11556-UP

1шт.

45

382-024861-1

BOLT

SN: 11556-UP

2шт.

46

382-025536-1

WASHER

SN: 11556-UP

2шт.

|47

385-10225271

LIFTING EYE KIT

SN: 10001-UP

1шт.

47

385-11076981

EYE,LIFTING

SN: 10001-UP

2шт.

48

385-11076991

SUPPORT

SN: 10001-UP

2шт.

49

385-10310821

PIN ASS'Y

SN: 15027-UP

1шт.

50

385-11269141

BAR

SN: 15027-UP

1шт.

51

385-11259971

SHAFT ASS'Y

SN: 15027-UP

1шт.

52

385-11259981

SHAFT ASS'Y

SN: 15027-UP

1шт.

53

382-017086-1

PIN

SN: 15027-UP

1шт.

Выбрано товаров: 80