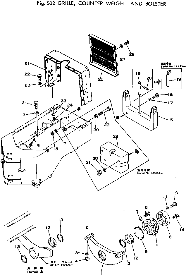
Запчасти Komatsu 510-1 РЕШЕТКА¤ ПРОТИВОВЕС AND BOLSTER РАМА И ЧАСТИ КОРПУСА

Схема запчастей Komatsu 510-1 - РЕШЕТКА¤ ПРОТИВОВЕС AND BOLSTER РАМА И ЧАСТИ КОРПУСА
FIT
1:1
100%

Артикул

Название

Примечание

Количество

1

385-10338661

PIVOT

SN: 15267-UP

1шт.

|1

381-936968-4

PIVOT

SN: 13536-15266

1шт.

|1

0

PIVOT

SN: 10001-15535

1шт.

2

382-025700-1

BOLT

SN: 10001-UP

4шт.

3

382-025538-1

WASHER

SN: 10001-UP

8шт.

4

384-9413983

NUT

SN: 10001-UP

4шт.

5

381-934439-2

PLATE

SN: 10344-UP

1шт.

|5

0

PLATE

SN: 10001-10343

1шт.

6

382-024861-1

BOLT

SN: 10001-UP

6шт.

7

382-025536-1

WASHER

SN: 10001-UP

6шт.

8

381-934438-2

CAP

SN: 10001-UP

1шт.

9

381-936971-1

SHIM¤ 0.20MM

SN: 10001-UP

-2шт.

10

382-024865-1

BOLT

SN: 10001-UP

6шт.

11

382-025536-1

WASHER

SN: 10001-UP

6шт.

12

381-940660-2

STRIP

SN: 10212-UP

2шт.

|12

0

STRIP

SN: 10001-10211

2шт.

13

382-022760-1

O-RING

SN: 10001-UP

3шт.

14

384-0109462

FITTING

SN: 10001-UP

2шт.

15

385-11092761

WEIGHT,COUNTER

SN: 11124-UP

1шт.

|15

381-938495-1

WEIGHT,COUNTER

SN: 10001-11123

1шт.

16

382-025699-1

BOLT

SN: 11124-UP

2шт.

|16

382-025515-1

BOLT

SN: 10001-11123

2шт.

17

382-025557-1

WASHER

SN: 10001-UP

4шт.

18

384-9413983

NUT

SN: 10001-UP

2шт.

19

385-11092791

PIN ASS'Y

SN: 11124-UP

1шт.

|19

381-944811-2

PIN ASS'Y

SN: 10001-11123

1шт.

|19

381-944810-2

PIN

SN: 10001-11123

1шт.

20

04025-01280

PIN

SN: 10001-11123

2шт.

21

385-11038614

SUPPORT

SN: 14270-UP

1шт.

|21

0

SUPPORT

SN: 10001-14269

1шт.

|21

0

SUPPORT

SN: 12024-14003

1шт.

|21

0

SUPPORT

SN: 10001-12023

1шт.

22

382-024863-1

BOLT

SN: 14270-UP

4шт.

|22

382-024862-1

BOLT

SN: 10001-14269

4шт.

23

382-025555-1

WASHER

SN: 10020-UP

8шт.

|23

0

WASHER

SN: 10001-10019

8шт.

24

384-9412230

NUT

SN: 10001-UP

4шт.

25

385-11022422

SUPPORT

SN: 11184-UP

1шт.

|25

0

SUPPORT

SN: 10001-11183

1шт.

26

382-024861-1

BOLT

SN: 10001-UP

6шт.

27

382-025546-1

WASHER

SN: 10001-UP

6шт.

28

385-10233391

WEIGHT,COUNTER

SN: 14004-UP

1шт.

29

382-025699-1

BOLT

SN: 14004-UP

2шт.

30

382-025557-1

WASHER

SN: 14004-UP

4шт.

31

384-9413983

NUT

SN: 14004-UP

2шт.

Выбрано товаров: 45