Запчасти Komatsu 510-1 РЕЗЕРВУАР(№-) УПРАВЛ-Е РАБОЧИМ ОБОРУДОВАНИЕМ

Схема запчастей Komatsu 510-1 - РЕЗЕРВУАР(№-) УПРАВЛ-Е РАБОЧИМ ОБОРУДОВАНИЕМ
FIT
1:1
100%

Артикул

Название

Примечание

Количество

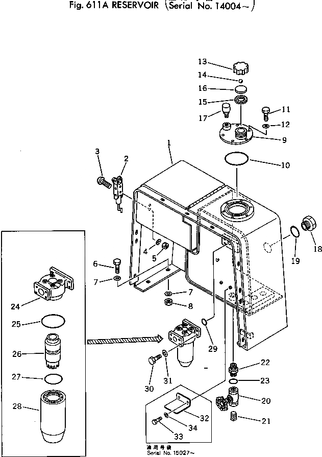
1

385-10214655

RESERVOIR

SN: 15027-UP

1шт.

|1

0

RESERVOIR

SN: 14004-15026

1шт.

2

385-11237251

LATCH

SN: 14004-UP

1шт.

3

384-0132908

SCREW

SN: 11088-UP

2шт.

4

384-0131096

WASHER

SN: 11088-UP

2шт.

5

384-0120614

NUT

SN: 11088-UP

2шт.

6

382-024863-1

BOLT

SN: 10001-UP

4шт.

7

382-025555-1

WASHER

SN: 10001-UP

8шт.

8

384-9412230

NUT

SN: 10001-UP

4шт.

9

381-937608-2

NECK

SN: 10001-UP

1шт.

10

382-022401-1

O-RING

SN: 10001-UP

1шт.

11

382-024840-1

BOLT

SN: 10001-UP

6шт.

12

382-025534-1

WASHER

SN: 10001-UP

6шт.

|13

385-11037681

CAP ASS'Y

SN: 10001-UP

1шт.

13

381-988178-1

CAP

SN: 10001-UP

1шт.

14

382-017012-1

BALL

SN: 13392-UP

1шт.

15

381-618688-1

GASKET

SN: 10001-UP

1шт.

16

381-618689-1

PLATE

SN: 10001-UP

1шт.

17

381-985272-1

BREATHER

SN: 10001-UP

1шт.

18

381-933022-1

GAUGE

SN: 10001-UP

1шт.

19

382-384942-1

O-RING

SN: 12024-UP

1шт.

20

385-10051171

VALVE,DRAIN

SN: 10001-UP

1шт.

21

382-020969-1

PLUG

SN: 10001-UP

1шт.

22

384-9402711

CONNECTOR

SN: 10001-UP

1шт.

23

381-876108-1

O-RING

SN: 10001-UP

1шт.

|24

385-10314301

FILTER ASS'Y

SN: 15027-UP

1шт.

|24

0

FILTER ASS'Y

SN: 10001-15026

1шт.

24

385-11278371

HEAD ASS'Y

SN: .-UP

1шт.

|24

0

HEAD ASS'Y

SN: 10001-.

1шт.

25

381-940388-1

O-RING

SN: 10001-UP

1шт.

26

385-11278381

CAGE ASS'Y

SN: .-UP

1шт.

|26

0

CAGE ASS'Y

SN: 10001-.

1шт.

27

381-876077-1

O-RING

SN: 10001-UP

1шт.

28

385-10314311

ELEMENT

SN: 15027-UP

1шт.

|28

0

ELEMENT

SN: 10001-15026

1шт.

29

381-876074-1

O-RING

SN: 10001-UP

1шт.

30

382-024840-1

BOLT

SN: 10001-UP

4шт.

31

382-025534-1

WASHER

SN: 10001-UP

4шт.

32

385-10269271

PLATE

SN: 15027-UP

1шт.

33

382-024839-1

BOLT

SN: 15027-UP

2шт.

34

382-025544-1

WASHER

SN: 15027-UP

2шт.

Выбрано товаров: 41