Запчасти Komatsu 510-1 РАДИАТОР И СОЕДИН-Е(№-) КОМПОНЕНТЫ ДВИГАТЕЛЯ И ЭЛЕКТРИКА

Схема запчастей Komatsu 510-1 - РАДИАТОР И СОЕДИН-Е(№-) КОМПОНЕНТЫ ДВИГАТЕЛЯ И ЭЛЕКТРИКА
FIT
1:1
100%

Артикул

Название

Примечание

Количество

1

0

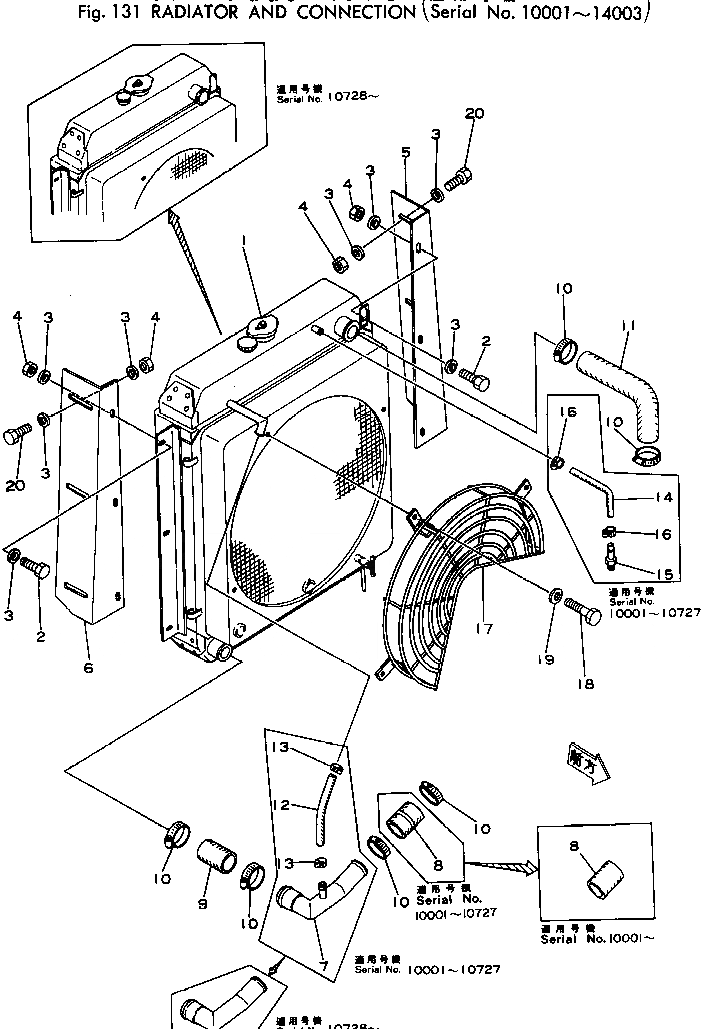
RADIATOR ASS'Y

SN: 10728-14003

1шт.

|$$2

(385-10313522{385-10813801¤}

-1шт.

|$$3

385-10313791)

-1шт.

|1

385-11050682

RADIATOR ASS'Y

SN: 10020-10727

1шт.

|1

0

RADIATOR ASS'Y

SN: 10001-10019

1шт.

2

382-024862-1

BOLT

SN: 10001-@

6шт.

3

382-025555-1

WASHER

SN: 10001-@

24шт.

4

384-9412230

NUT

SN: 10001-@

12шт.

5

385-11048782

SUPPORT,L.H.

SN: 10176-@

1шт.

|5

0

SUPPORT,L.H.

SN: 10001-10175

1шт.

6

385-11048772

SUPPORT,R.H.

SN: 10176-@

1шт.

|6

0

SUPPORT,R.H.

SN: 10001-10175

1шт.

7

385-11091541

TUBE

SN: 10728-14003

1шт.

|7

385-11038431

TUBE

SN: 10001-10727

1шт.

8

382-278546-1

HOSE

SN: 10728-14003

1шт.

|8

0

HOSE

SN: 10001-10727

1шт.

9

382-278546-1

HOSE

SN: 10728-14003

1шт.

|9

385-11048401

HOSE

SN: 10001-10727

1шт.

10

382-279026-1

CLAMP

SN: 10001-14003

6шт.

11

385-11091551

HOSE

SN: 10728-14003

1шт.

|11

385-11038451

HOSE

SN: 10001-10727

1шт.

12

385-11038441

HOSE

SN: 10001-10727

1шт.

13

382-333710-1

CLAMP

SN: 10001-10727

2шт.

14

07260-20932

HOSE

SN: 10001-10727

1шт.

15

385-11038461

ADAPTER

SN: 10001-10727

1шт.

16

382-279025-1

CLAMP

SN: 10001-10727

2шт.

17

385-11050691

GUARD

SN: 10001-14003

1шт.

18

382-024840-1

BOLT

SN: 10001-@

3шт.

19

382-025534-1

WASHER

SN: 10001-@

3шт.

20

382-024865-1

BOLT

SN: 10001-@

6шт.

Выбрано товаров: 0