Запчасти Komatsu 510-1 РАДИАТОР И СОЕДИН-Е(№-) КОМПОНЕНТЫ ДВИГАТЕЛЯ И ЭЛЕКТРИКА

Схема запчастей Komatsu 510-1 - РАДИАТОР И СОЕДИН-Е(№-) КОМПОНЕНТЫ ДВИГАТЕЛЯ И ЭЛЕКТРИКА
FIT
1:1
100%

Артикул

Название

Примечание

Количество

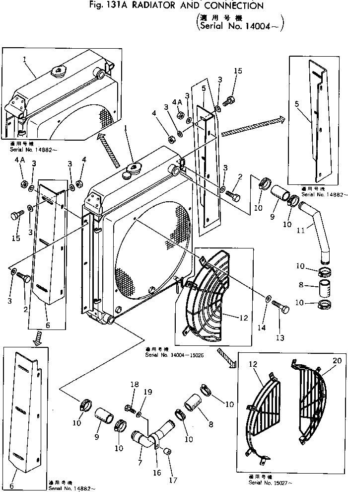
1

385-10313522

RADIATOR ASS'Y

SN: 15027-UP

1шт.

|1

0

RADIATOR ASS'Y

SN: 14882-15026

1шт.

|1

0

RADIATOR ASS'Y

SN: 14004-14881

1шт.

|$$4

(385-10313522{385-10313801¤}

-1шт.

|$$5

385-10313791)

-1шт.

2

382-024862-1

BOLT

SN: 10001-UP

6шт.

3

382-025555-1

WASHER

SN: 10001-UP

24шт.

4

384-9412230

NUT

SN: 10001-UP

6шт.

4A

382-025526-1

NUT

SN: 15675-UP

6шт.

|4A

384-9412230

NUT

SN: 14004-15674

6шт.

5

385-10313801

SUPPORT,L.H.

SN: 14882-UP

1шт.

|5

385-11048783

SUPPORT,L.H.

SN: 14270-14881

1шт.

|5

0

SUPPORT,L.H.

SN: 10176-14269

1шт.

6

385-10313791

SUPPORT,R.H.

SN: 14882-UP

1шт.

|6

385-11048773

SUPPORT,R.H.

SN: 14270-14881

1шт.

|6

0

SUPPORT,R.H.

SN: 10176-14269

1шт.

7

385-10233671

TUBE

SN: 14004-UP

1шт.

8

385-11092691

HOSE

SN: 14004-UP

2шт.

9

385-10233661

HOSE

SN: 14004-UP

2шт.

10

383-30252911

CLAMP

SN: 14004-UP

8шт.

11

385-10241111

TUBE

SN: 14004-UP

1шт.

12

385-10307011

GUARD,R.H.

SN: 15027-UP

1шт.

|12

385-10201562

GUARD,R.H.

SN: 14270-15026

1шт.

|12

0

GUARD,R.H.

SN: 14004-14269

1шт.

13

382-024840-1

BOLT

SN: 15027-UP

7шт.

|13

382-024840-1

BOLT

SN: 14004-15026

3шт.

14

382-025534-1

WASHER

SN: 15027-UP

7шт.

|14

382-025534-1

WASHER

SN: 14004-15026

3шт.

15

382-024865-1

BOLT

SN: 10001-UP

6шт.

16

385-10201581

CLAMP

SN: 14004-UP

1шт.

17

380-137344-1

SPACER

SN: 14004-UP

1шт.

18

01010-50830

BOLT

SN: 15795-UP

1шт.

|18

01010-50835

BOLT

SN: 14004-15794

1шт.

19

01643-30823

WASHER

SN: 14004-UP

1шт.

20

385-10307021

GUARD,L.H.

SN: 15027-UP

1шт.

Выбрано товаров: 35