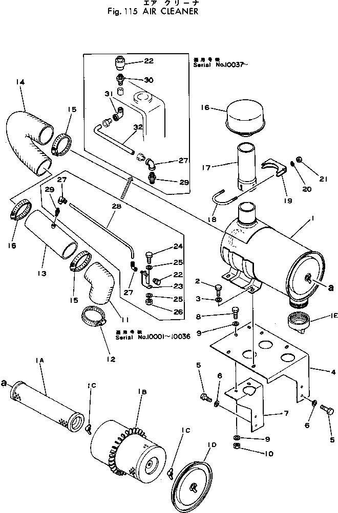
Запчасти Komatsu 515-1 ВОЗДУХООЧИСТИТЕЛЬ КОМПОНЕНТЫ ДВИГАТЕЛЯ И ЭЛЕКТРИКА

Схема запчастей Komatsu 515-1 - ВОЗДУХООЧИСТИТЕЛЬ КОМПОНЕНТЫ ДВИГАТЕЛЯ И ЭЛЕКТРИКА
FIT
1:1
100%

Артикул

Название

Примечание

Количество

|1

385-11283671

AIR CLEANER ASS'Y

SN: ..-UP

1шт.

|1

0

AIR CLEANER ASS'Y

SN: .-..

1шт.

|1

0

AIR CLEANER ASS'Y

SN: 10205-.

1шт.

|1

0

AIR CLEANER ASS'Y

SN: 10061-10204

1шт.

|1

0

AIR CLEANER ASS'Y

SN: 10001-10060

1шт.

1

0

BODY ASS'Y

SN: 10001-UP

1шт.

1A

385-11291121

ELEMENT,INNER

SN: .-UP

1шт.

|1A

0

ELEMENT,INNER

SN: 10001-.

1шт.

1B

385-11291111

ELEMENT,OUTER

SN: .-UP

1шт.

|1B

0

ELEMENT,OUTER

SN: 10061-.

1шт.

|1B

0

ELEMENT,OUTER

SN: 10001-10060

1шт.

1C

382-381342-2

NUT ASS'Y

SN: 10001-UP

2шт.

1D

381-625040-1

COVER ASS'Y

SN: 10001-UP

1шт.

1E

385-11238241

VALVE

SN: .-UP

1шт.

|1E

0

VALVE

SN: 10061-.

1шт.

|1E

0

VALVE

SN: 10001-10060

1шт.

2

382-101896-1

BOLT

SN: 10913-UP

4шт.

|2

0

BOLT

SN: 10505-10912

4шт.

|2

0

BOLT

SN: 10001-10504

4шт.

3

382-025553-1

WASHER

SN: 10505-UP

4шт.

|3

0

WASHER

SN: 10001-10504

4шт.

4

385-11049505

SUPPORT

SN: 10913-UP

1шт.

|4

0

SUPPORT

SN: 10565-10912

1шт.

|4

0

SUPPORT

SN: 10421-10564

1шт.

|4

0

SUPPORT

SN: 10001-10420

1шт.

5

01010-51025

BOLT

SN: 10001-UP

4шт.

6

01643-31032

WASHER

SN: 10001-UP

4шт.

7

385-11049523

SUPPORT

SN: 10913-UP

1шт.

|7

0

SUPPORT

SN: 10565-10912

1шт.

|7

0

SUPPORT

SN: 10001-10564

1шт.

8

382-024862-1

BOLT

SN: 10565-UP

2шт.

|8

0

BOLT

SN: 10001-10564

2шт.

9

382-025536-1

WASHER

SN: 10001-UP

4шт.

10

382-025526-1

NUT

SN: 10001-UP

2шт.

11

385-11049571

HOSE

SN: 10001-UP

1шт.

12

382-279029-1

CLAMP

SN: 10001-UP

1шт.

13

385-11049591

TUBE

SN: 10001-UP

1шт.

14

385-11049581

HOSE

SN: 10001-UP

1шт.

15

381-690068-1

CLAMP

SN: 10625-UP

3шт.

|15

0

CLAMP

SN: 10001-10624

3шт.

16

380-49464DA

CAP

SN: 10001-UP

1шт.

17

381-668211-1

TUBE

SN: 10001-UP

1шт.

18

385-11051511

U-BOLT

SN: 10001-UP

1шт.

19

385-11051521

CLAMP

SN: 10001-UP

1шт.

20

382-025533-1

WASHER

SN: 10001-UP

2шт.

21

382-025520-1

NUT

SN: 10001-UP

2шт.

22

381-366078-1

INDICATOR,SERVICE

SN: .-UP

1шт.

|22

0

INDICATOR,SERVICE

SN: 10025-.

1шт.

|22

0

INDICATOR,SERVICE

SN: 10001-10024

1шт.

23

385-11038781

SUPPORT

SN: 10001-10036

1шт.

24

382-024861-1

BOLT

SN: 10001-10036

1шт.

25

382-025536-1

WASHER

SN: 10001-10036

2шт.

26

382-025526-1

NUT

SN: 10001-10036

1шт.

27

380-182866-1

ELBOW

SN: 10037-UP

1шт.

|27

380-182866-1

ELBOW

SN: 10001-10036

2шт.

28

381-978032-1

TUBE

SN: 10001-10036

1шт.

29

380-890337-1

NIPPLE

SN: 10001-UP

1шт.

30

381-971896-1

NIPPLE

SN: 10037-UP

1шт.

31

380-175775-1

ELBOW

SN: 10037-UP

1шт.

32

380-888375-2

TUBE

SN: 10445-UP

1шт.

|32

0

TUBE

SN: 10037-10444

1шт.

Выбрано товаров: 61