Запчасти Komatsu 515-1 МАЧТАER POWER ЦИЛИНДР ПРИВОДВАЛ¤ ДИФФЕРЕНЦ. И КОЛЕСА

Схема запчастей Komatsu 515-1 - МАЧТАER POWER ЦИЛИНДР ПРИВОДВАЛ¤ ДИФФЕРЕНЦ. И КОЛЕСА
FIT
1:1
100%

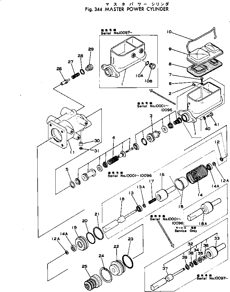
Артикул

Название

Примечание

Количество

|1

385-11090224

CYLINDER ASS'Y

SN: 10889-UP

1шт.

|1

0

CYLINDER ASS'Y

SN: 10097-10888

1шт.

|1

0

CYLINDER ASS'Y

SN: 10085-10096

1шт.

|1

0

CYLINDER ASS'Y

SN: 10001-10084

1шт.

|1

385-11090702

CYLINDER ASS'Y,MASTER

SN: 10097-UP

1шт.

|1

0

CYLINDER ASS'Y,MASTER

SN: 10001-10096

1шт.

1

385-11226091

BODY

SN: 10097-UP

1шт.

|1

385-11052561

BODY

SN: 10001-10096

1шт.

2

385-11052571

SEAT,TUBE

SN: 10001-UP

2шт.

3

385-11052581

PISTON ASS'Y,PRIMARY

SN: 10001-UP

1шт.

4

385-11090691

PISTON,SECONDARY

SN: 10001-UP

1шт.

5

385-11052601

RING

SN: 10001-UP

1шт.

6

385-11052611

PACKING

SN: 10001-UP

1шт.

7

385-11052621

STOPPER

SN: 10001-UP

1шт.

8

385-11052631

DIAPHRAGM

SN: 10001-UP

1шт.

9

385-11052641

COVER

SN: 10001-UP

1шт.

10

385-11052651

CLAMP

SN: 10001-UP

1шт.

10A

382-253070-1

O-RING

SN: 10097-UP

2шт.

10B

381-941323-1

GAUGE,OIL

SN: 10097-UP

2шт.

11

385-11090714

CYLINDER ASS'Y,POWER

SN: 10889-UP

1шт.

|11

0

CYLINDER ASS'Y,POWER

SN: 10097-10888

1шт.

|11

0

CYLINDER ASS'Y,POWER

SN: 10085-10096

1шт.

|11

0

CYLINDER ASS'Y,POWER

SN: 10001-10084

1шт.

11

385-11090722

BODY

SN: 10889-UP

1шт.

|11

0

BODY

SN: 10001-10888

1шт.

12

385-11090791

E-RING (KIT)

SN: 10001-10096

1шт.

12A

385-11089761

RING,BACK-UP

SN: 10001-UP

2шт.

13

385-11090732

SEAL (KIT)

SN: 10085-10096

1шт.

|13

0

SEAL (KIT)

SN: 10001-10084

1шт.

13A

385-11089761

RING,BACK-UP (KIT)

SN: 10001-10096

1шт.

14

385-11090742

SPRING,RETURN

SN: 10097-UP

1шт.

|14

0

SPRING,RETURN

SN: 10001-10096

1шт.

14A

385-11090732

SEAL

SN: 10085-UP

2шт.

|14A

0

SEAL

SN: 10001-10084

2шт.

15

385-11090751

SEAT,SPRING

SN: 10001-UP

1шт.

16

0

CONNECTOR (KIT)

SN: 10001-10096

1шт.

17

0

SPRING (KIT)

SN: 10001-10096

1шт.

18

0

SPOOL (KIT)

SN: 10001-10096

1шт.

19

385-11090801

PISTON

SN: 10001-UP

1шт.

20

385-11090811

O-RING

SN: 10001-UP

1шт.

21

385-11090821

RING,SEAL

SN: 10001-UP

1шт.

22

385-11090841

COVER

SN: 10001-UP

1шт.

23

385-11090831

O-RING

SN: 10001-UP

1шт.

24

385-11090851

RING

SN: 10001-UP

1шт.

25

385-11090861

COVER

SN: 10001-UP

1шт.

26

385-11090871

SPOOL

SN: 10001-UP

1шт.

27

385-11090881

SPRING

SN: 10001-UP

1шт.

28

385-11090891

PACKING

SN: 10001-UP

1шт.

29

385-11090901

PLUG

SN: 10001-UP

1шт.

30

380-888751-1

FILTER

SN: 10001-UP

1шт.

31

380-888752-1

RING

SN: 10001-UP

1шт.

32

385-11093162

CONNECTOR ASS'Y

SN: 10889-UP

1шт.

|32

0

CONNECTOR ASS'Y

SN: 10097-10888

1шт.

33

385-11093171

CONNECTOR

SN: 10097-UP

1шт.

34

385-11090732

SEAL

SN: 10097-UP

1шт.

35

385-11089761

RING,BACK-UP

SN: 10097-UP

1шт.

36

385-11093181

SPRING

SN: 10097-UP

1шт.

37

385-11093192

SPOOL

SN: 10889-UP

1шт.

|37

0

SPOOL

SN: 10097-10888

1шт.

38

385-11093201

WASHER,THRUST

SN: 10097-UP

1шт.

39

385-11093211

RING

SN: 10097-UP

1шт.

40

382-025544-1

WASHER

SN: 10001-UP

2шт.

41

382-024841-1

BOLT

SN: 10001-UP

2шт.

|$$64

SERVICE KIT

-1шт.

18A

385-11093161

CONNECTOR ASS'Y

SN: 10001-10096

1шт.

|18A

385-11090791

E-RING

SN: 10001-10096

1шт.

|18A

385-11090732

SEAL

SN: 10085-10096

1шт.

|18A

0

SEAL

SN: 10001-10084

1шт.

|18A

385-11089761

RING,BACK-UP

SN: 10001-10096

1шт.

|18A

0

CONNECTOR

SN: 10001-10096

1шт.

|18A

0

SPRING

SN: 10001-10096

1шт.

|18A

0

SPOOL

SN: 10001-10096

1шт.

Выбрано товаров: 72