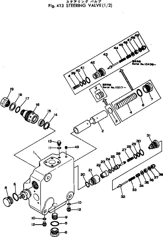
Запчасти Komatsu 515-1 КЛАПАН РУЛЕВОГО УПРАВЛЕНИЯ (/) РУЛЕВ. УПРАВЛЕНИЕ И СИСТЕМА УПРАВЛЕНИЯ

Схема запчастей Komatsu 515-1 - КЛАПАН РУЛЕВОГО УПРАВЛЕНИЯ (/) РУЛЕВ. УПРАВЛЕНИЕ И СИСТЕМА УПРАВЛЕНИЯ
FIT
1:1
100%

Артикул

Название

Примечание

Количество

|1

385-10231131

STEERING VALVE ASS'Y

SN: .-UP

1шт.

|1

0

STEERING VALVE ASS'Y

SN: 10436-.

1шт.

|1

0

STEERING VALVE ASS'Y

SN: 10001-10435

1шт.

1

0

HOUSING

SN: 10001-UP

1шт.

2

0

SLEEVE

SN: 10001-UP

1шт.

3

385-11237461

SHIM

SN: 11217-UP

-2шт.

|3

385-11053171

SPACER

SN: 10001-10216

1шт.

4

385-11067591

SPRING

SN: 10436-UP

1шт.

|4

385-11092241

SPRING

SN: 10013-10435

1шт.

|4

0

SPRING

SN: 10001-10012

1шт.

|$$11

(385-11092231{385-11092241)}

-1шт.

5

381-876109-1

O-RING

SN: 10001-UP

2шт.

6

381-876109-1

O-RING

SN: 10001-10435

1шт.

7

385-11092231

PLUG

SN: 10013-10435

1шт.

|7

0

PLUG

SN: 10001-10012

1шт.

|$$16

(385-11092231{385-11092241)}

-1шт.

8

382-310850-1

PLUG

SN: 10001-UP

2шт.

9

384-0444872

PLUG

SN: 10001-UP

1шт.

10

381-924284-1

O-RING

SN: 10001-UP

2шт.

11

381-924284-1

O-RING

SN: 10001-10435

1шт.

12

384-9410357

PLUG

SN: 10001-UP

2шт.

13

384-9410357

PLUG

SN: 10001-10435

1шт.

14

382-378051-1

RING

SN: 10001-UP

1шт.

15

385-11053751

PLUG

SN: 10001-UP

1шт.

16

385-11046962

PLUG

SN: 10061-UP

1шт.

|16

0

PLUG

SN: 10001-10060

1шт.

17

382-027792-1

O-RING

SN: 10001-UP

1шт.

18

385-11046811

RING

SN: 10001-UP

1шт.

19

385-11046971

NUT

SN: 10001-UP

1шт.

|20

381-631014-1

RELIEF VALVE ASS'Y

SN: 10001-UP

2шт.

20

381-876108-1

O-RING

SN: 10001-UP

1шт.

21

381-613993-1

CAP

SN: 10001-UP

1шт.

22

381-613994-1

POPPET

SN: 10001-UP

1шт.

23

381-615002-1

O-RING

SN: 10001-UP

1шт.

24

385-11021571

RING

SN: 10001-UP

1шт.

25

381-615003-1

POPPET

SN: 10001-UP

1шт.

26

381-613997-1

PISTON

SN: 10001-UP

1шт.

27

381-939255-1

SPRING

SN: 10001-UP

1шт.

28

381-615007-1

O-RING

SN: 10001-UP

1шт.

29

381-881995-2

RING

SN: 10001-UP

1шт.

30

381-876108-1

O-RING

SN: 10001-UP

1шт.

31

381-613995-1

PLUG

SN: 10001-UP

1шт.

32

381-613996-1

POPPET

SN: 10001-UP

1шт.

33

381-615001-1

SPRING

SN: 10001-UP

1шт.

34

381-613998-1

SCREW

SN: 10001-UP

1шт.

35

382-347391-1

WASHER

SN: 10001-UP

1шт.

36

384-0114494

NUT

SN: 10001-UP

1шт.

37

382-347391-1

WASHER

SN: 10001-UP

1шт.

38

384-0131486

NUT

SN: 10001-UP

1шт.

|39

385-11267271

RELIEF VALVE ASS'Y

SN: 10436-UP

1шт.

39

382-027833-1

O-RING

SN: 10436-UP

1шт.

40

385-11067581

RING

SN: 10436-UP

1шт.

41

381-876109-1

O-RING

SN: 10436-UP

1шт.

42

385-11067571

PLUG

SN: 10436-UP

1шт.

43

381-613996-1

POPPET

SN: 10436-UP

1шт.

44

381-615001-1

SPRING

SN: 10436-UP

1шт.

45

385-11231291

SCREW

SN: 10436-UP

1шт.

46

382-347391-1

WASHER

SN: 10436-UP

2шт.

47

384-0114494

NUT

SN: 10436-UP

1шт.

48

384-0131486

NUT

SN: 10436-UP

1шт.

49

384-0444650

PLUG

SN: 10436-UP

1шт.

Выбрано товаров: 61