Запчасти Komatsu 515-1 КРЫЛО КОМПЛЕКТ РАМА И ЧАСТИ КОРПУСА

Схема запчастей Komatsu 515-1 - КРЫЛО КОМПЛЕКТ РАМА И ЧАСТИ КОРПУСА
FIT
1:1
100%

Артикул

Название

Примечание

Количество

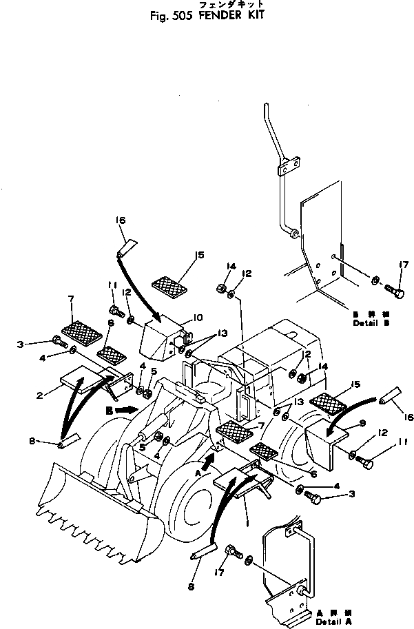
|1

385-11226721

FENDER KIT

SN: 10001-UP

1шт.

1

385-11226441

FENDER,FRONT¤ L.H.

SN: 10001-UP

1шт.

2

385-11226451

FENDER,FRONT¤ R.H.

SN: 10001-UP

1шт.

3

382-024864-1

BOLT

SN: 10001-UP

1шт.

4

382-025555-1

WASHER

SN: 10001-UP

12шт.

5

384-9412230

NUT

SN: 10001-UP

6шт.

6

385-11226491

STRIP

SN: 10001-UP

2шт.

7

385-11226501

SHEET

SN: 10001-UP

2шт.

8

381-895269-1

ADHESIVE

SN: 10001-UP

-2шт.

9

385-11226421

FENDER,REAR¤ L.H.

SN: 10001-UP

1шт.

10

385-11226431

FENDER,REAR¤ R.H.

SN: 10001-UP

1шт.

11

382-024864-1

BOLT

SN: 10001-UP

8шт.

12

382-025555-1

WASHER

SN: 10001-UP

16шт.

13

382-025546-1

WASHER

SN: 10001-UP

-2шт.

14

384-9412230

NUT

SN: 10001-UP

8шт.

15

385-11226501

SHEET

SN: 10001-UP

2шт.

16

381-895269-1

ADHESIVE

SN: 10001-UP

-2шт.

17

380-140483H

BOLT

SN: 10001-UP

2шт.

Выбрано товаров: 0