Запчасти Komatsu 520B-1 ЗАДН. МОСТ ВХОД ВИЛКА ПРИВОДВАЛ¤ ДИФФЕРЕНЦ. И КОЛЕСА

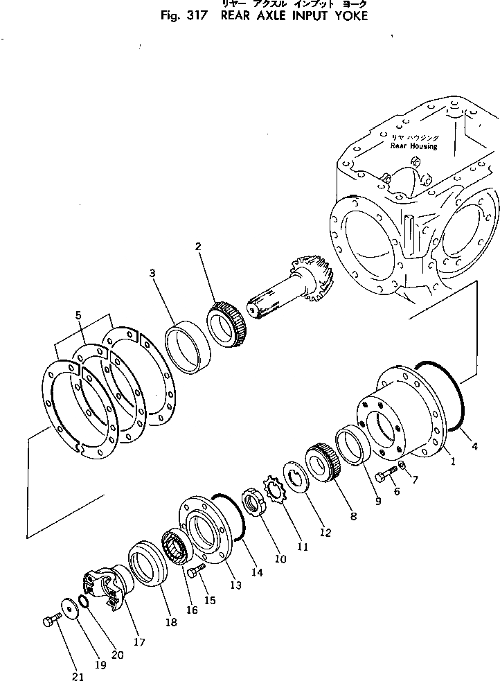
Схема запчастей Komatsu 520B-1 - ЗАДН. МОСТ ВХОД ВИЛКА ПРИВОДВАЛ¤ ДИФФЕРЕНЦ. И КОЛЕСА
FIT
1:1
100%

Артикул

Название

Примечание

Количество

|1

385-10336131

DRIVE AXLE ASS'Y,REAR

SN: 10064-UP

1шт.

|1

0

DRIVE AXLE ASS'Y,REAR

SN: 10015-10063

1шт.

|1

385-10336131

DRIVE AXLE ASS'Y,REAR

SN: 10013-10014

1шт.

|1

0

DRIVE AXLE ASS'Y,REAR

SN: 10001-10012

1шт.

1

385-11108101

CAGE

SN: 10001-UP

1шт.

|2

385-10267771

BEARING ASS'Y

SN: 10001-UP

1шт.

2

385-10267781

CONE

SN: 10001-UP

1шт.

3

385-10267791

CUP

SN: 10001-UP

1шт.

4

382-264681-1

O-RING

SN: 10001-UP

1шт.

5

381-940970-1

SHIM¤ 0.05MM (KIT)

SN: 10001-UP

-2шт.

|5

381-940971-1

SHIM¤ 0.10MM (KIT)

SN: 10001-UP

-2шт.

|5

381-940972-1

SHIM¤ 0.40MM (KIT)

SN: 10001-UP

-2шт.

6

382-024862-1

BOLT

SN: 10001-UP

9шт.

7

382-025536-1

WASHER

SN: 10001-UP

9шт.

|8

385-10267801

BEARING ASS'Y

SN: 10001-UP

1шт.

8

385-10267811

CUP

SN: 10001-UP

1шт.

9

385-10267821

CONE

SN: 10001-UP

1шт.

10

385-11107321

NUT

SN: 10001-UP

1шт.

11

384-0271225

WASHER

SN: 10001-UP

1шт.

12

385-11109051

WASHER

SN: 10001-UP

1шт.

13

385-11108121

RETAINER

SN: 10001-UP

1шт.

14

381-610412-1

O-RING

SN: 10001-UP

1шт.

15

382-024861-1

BOLT

SN: 10001-UP

6шт.

16

385-10167981

SEAL

SN: 10001-UP

1шт.

|17

385-11108351

YOKE ASS'Y

SN: 10001-UP

1шт.

17

385-11108141

YOKE

SN: 10001-UP

1шт.

18

385-11108341

SLINGER

SN: 10001-UP

1шт.

19

385-11108171

WASHER

SN: 10001-UP

1шт.

20

382-022288-1

O-RING

SN: 10001-UP

1шт.

21

382-275635-1

BOLT

SN: 10001-UP

1шт.

Выбрано товаров: 0