Качественные детали и логистика
Оригинальные и аналоговые запчасти с доставкой по России, Казахстану и Беларуси
©2022 PartSell ООО "Система" ИНН 2463123282 ОГРН 1212400004838
Центральный офис: г. Красноярск, Академика Киренского, д.87, пом.4
Телефон: 8 (800) 777-65-74 Email: zakaz@partsell.ru
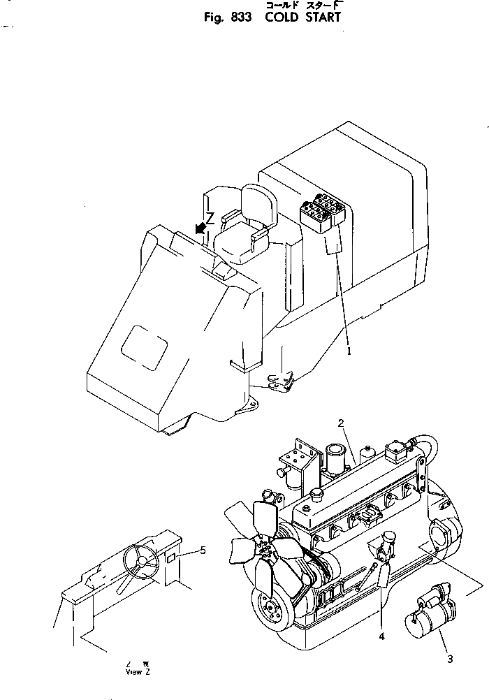
ХОЛОДН. ЗАПУСК
№
Артикул
Название
Примечание
Количество
|1
385-10313601
COLD START KIT,(-30ЯC)
SN: 10001-UP
1шт.
1
385-10196321
BATTERY
2
385-10285851
ENGINE ASS'Y,WITH 7.5KW STARTING MOTOR
3
600-813-2681
STARTING MOTOR ASS'Y
4
09992-00050
TAG,CAUTION
5
385-10154551
PLATE¤ CAUTION
Выбрано товаров: 0