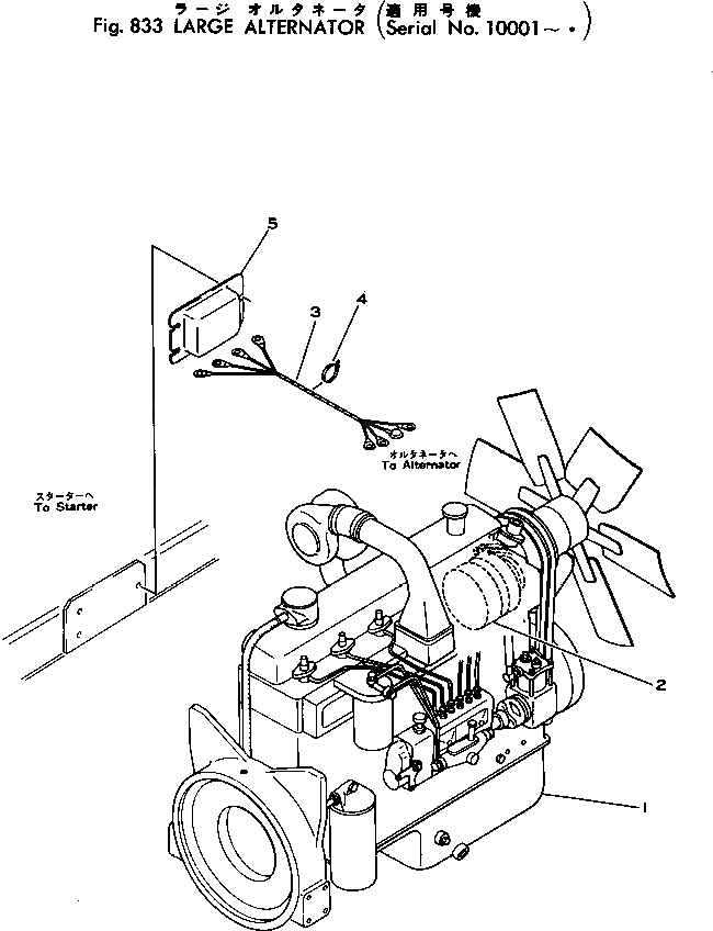
Запчасти Komatsu 530-1 БОЛЬШ. ГЕНЕРАТОР(№-.) ОПЦИОННЫЕ КОМПОНЕНТЫ

Схема запчастей Komatsu 530-1 - БОЛЬШ. ГЕНЕРАТОР(№-.) ОПЦИОННЫЕ КОМПОНЕНТЫ
FIT
1:1
100%

Артикул

Название

Примечание

Количество

|1

385-10242701

ALTERNATOR KIT

SN: 10001-.

1шт.

1

385-10242711

ENGINE ASS'Y

SN: 10001-.

1шт.

2

385-10242721

ALTERNATOR ASS'Y

SN: 10001-.

1шт.

3

385-10241891

HARNESS

SN: 10001-.

1шт.

4

385-10242731

WIRE

SN: 10001-.

1шт.

5

381-976195-1

STRAP

SN: 10001-.

2шт.

6

385-10230951

PLATE

SN: 10001-.

1шт.

Выбрано товаров: 7