Запчасти Komatsu 530-1 ВОЗД. ВЛАГООТДЕЛИТЕЛЬ ОПЦИОННЫЕ КОМПОНЕНТЫ

Схема запчастей Komatsu 530-1 - ВОЗД. ВЛАГООТДЕЛИТЕЛЬ ОПЦИОННЫЕ КОМПОНЕНТЫ
FIT
1:1
100%

Артикул

Название

Примечание

Количество

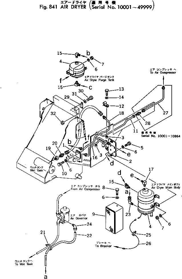
|1

385-10396491

AIR DRYER KIT

SN: .-49999

1шт.

|1

385-10287241

AIR DRYER KIT

SN: 10865-.

1шт.

|1

385-10282781

AIR DRYER KIT

SN: 10001-10864

1шт.

1

385-10276241

PLATE

SN: 10001-49999

1шт.

2

385-10276231

SUPPORT

SN: 10001-49999

1шт.

3

380-N06810-1

BOSS

SN: 10001-49999

2шт.

4

385-10151541

DRYER

SN: 10001-49999

1шт.

5

380-140483-1

BOLT

SN: 10001-49999

4шт.

6

382-025544-1

WASHER

SN: 10001-@

14шт.

7

382-025522-1

NUT

SN: 10001-49999

6шт.

8

382-024840-1

BOLT

SN: 10001-49999

2шт.

9

385-10276251

COVER

SN: 10001-49999

1шт.

10

382-024841-1

BOLT

SN: 10001-49999

2шт.

11

385-10276261

TUBE

SN: 10001-49999

1шт.

12

380-102818-1

CLAMP

SN: 10001-@

4шт.

13

382-024839-1

BOLT

SN: 10001-@

2шт.

14

382-025534-1

WASHER

SN: 10001-49999

2шт.

15

385-10151581

ELBOW

SN: 10001-@

3шт.

16

385-10276271

TUBE

SN: 10001-49999

1шт.

17

384-9402866

ELBOW

SN: 10001-@

1шт.

18

385-10276281

TUBE

SN: 10001-@

1шт.

19

380-198034-1

VALVE

SN: 10001-49999

1шт.

20

384-9402710

CONNECTOR

SN: 10001-49999

1шт.

21

381-976196-1

STRAP

SN: 10001-49999

5шт.

22

385-10234851

TUBE,VINYL

SN: 10001-49999

1шт.

23

380-164839-1

ELBOW

SN: 10001-49999

1шт.

24

380-175775-1

ELBOW

SN: 10001-49999

1шт.

25

381-976197-1

STRAP

SN: 10001-49999

5шт.

26

385-10396481

HARNESS

SN: .-49999

1шт.

|26

385-10276291

WIRING HARNESS

SN: 10001-.

1шт.

27

385-10282801

TUBE

SN: 10001-10864

1шт.

28

384-9402710

CONNECTOR

SN: 10001-10864

1шт.

29

385-10328351

BREAKER¤ 10A

SN: .-50000

2шт.

30

382-027328-1

BOLT

SN: .-50000

2шт.

31

384-0131015

WASHER

SN: .-50000

2шт.

32

384-0120622

NUT

SN: .-50000

2шт.

Выбрано товаров: 36