Запчасти Komatsu 530-1 ВЕРХН. COUNTER ВАЛ(№-) ТРАНСМИССИЯ

Схема запчастей Komatsu 530-1 - ВЕРХН. COUNTER ВАЛ(№-) ТРАНСМИССИЯ
FIT
1:1
100%

Артикул

Название

Примечание

Количество

|1

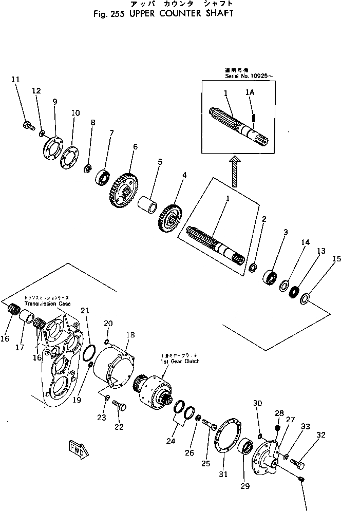
385-10313582

TRANSMISSION ASS'Y

SN: 50075-UP

1шт.

|1

0

TRANSMISSION ASS'Y

SN: 11435-50074

1шт.

|1

385-10339811

TRANSMISSION ASS'Y

SN: 11273-11434

1шт.

|1

385-10167812

TRANSMISSION ASS'Y

SN: 10001-11272

1шт.

|1

385-10287111

SHAFT ASS'Y,UPPER

SN: 10925-UP

1шт.

|1

0

SHAFT ASS'Y,UPPER

SN: 10001-10924

1шт.

1

385-10287091

SHAFT

SN: 10925-UP

1шт.

|1

0

SHAFT

SN: 10001-10924

1шт.

|$$9

(385-10287091{382-017134-1)}

-1шт.

1A

382-017134-1

PIN

SN: 10925-UP

1шт.

2

380-125566-1

RING

SN: 10001-UP

1шт.

3

385-11109021

BEARING

SN: 10001-UP

1шт.

4

381-921726-2

GEAR¤ 37 TEETH

SN: 10001-UP

1шт.

5

381-971522-1

SPACER

SN: 10001-UP

1шт.

6

385-11043161

GEAR¤ 53 TEETH

SN: 10001-UP

1шт.

7

385-10088661

BEARING

SN: 10001-UP

1шт.

8

382-024985-1

RING

SN: 10001-UP

1шт.

9

380-116610-1

CAP

SN: 10001-UP

1шт.

10

380-116611-1

GASKET

SN: 10001-UP

1шт.

11

382-024840-1

BOLT

SN: 10001-UP

6шт.

12

384-0131099

WASHER

SN: 10001-UP

6шт.

13

380-197228-1

BEARING

SN: 10001-UP

1шт.

14

385-11105181

RACE

SN: 10001-UP

1шт.

15

381-922984-1

RACE

SN: 10001-UP

1шт.

16

385-10454881

BEARING

SN: ..-UP

2шт.

|16

0

BEARING

SN: .-..

2шт.

|16

0

BEARING

SN: 10001-.

2шт.

17

385-10287131

SPACER

SN: 10925-UP

1шт.

|17

0

SPACER

SN: 10001-10924

1шт.

18

385-11104851

HOUSING

SN: 10001-UP

1шт.

19

382-352221-1

O-RING

SN: 10001-UP

1шт.

20

385-11105771

O-RING

SN: 10001-UP

1шт.

21

385-11118731

O-RING

SN: .-UP

1шт.

|21

0

O-RING

SN: 10001-.

1шт.

22

382-024843-1

BOLT

SN: 10001-UP

6шт.

23

384-0131099

WASHER

SN: 10001-UP

6шт.

24

380-129509-1

RING

SN: 10001-UP

2шт.

25

380-129508-2

BOLT

SN: 10001-UP

1шт.

26

382-016066-1

WASHER

SN: 10001-UP

1шт.

27

381-923169-1

COVER ASS'Y

SN: 10001-UP

1шт.

28

384-0444687

PLUG

SN: 10001-UP

2шт.

29

382-299489-1

BEARING

SN: 10001-UP

1шт.

30

382-355966-1

O-RING

SN: 10001-UP

2шт.

31

381-928466-1

GASKET

SN: 10001-UP

1шт.

32

380-140483H

BOLT

SN: 10001-UP

9шт.

33

384-0131099

WASHER

SN: 10001-UP

9шт.

Выбрано товаров: 46