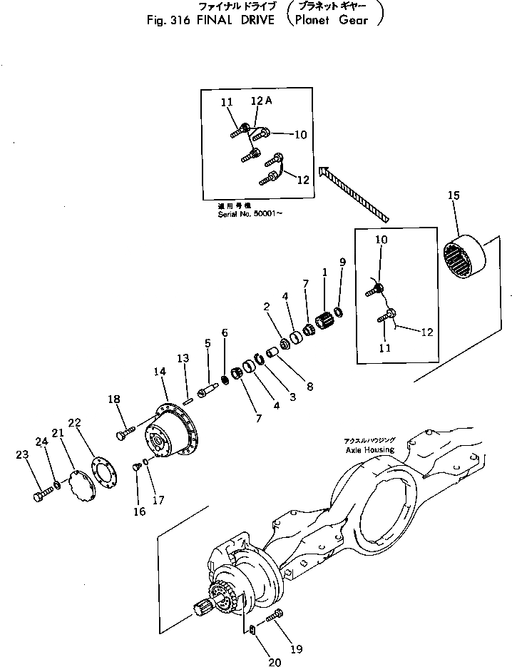
Запчасти Komatsu 530-1 КОНЕЧНАЯ ПЕРЕДАЧА (PLANET ПРИВОД)(№-) ПРИВОДВАЛ¤ ДИФФЕРЕНЦ. И КОЛЕСА

Схема запчастей Komatsu 530-1 - КОНЕЧНАЯ ПЕРЕДАЧА (PLANET ПРИВОД)(№-) ПРИВОДВАЛ¤ ДИФФЕРЕНЦ. И КОЛЕСА
FIT
1:1
100%

Артикул

Название

Примечание

Количество

|1

385-10081581

FRONT AXLE ASS'Y

SN: 10001-UP

1шт.

|1

385-10316001

REAR AXLE ASS'Y

SN: 11435-UP

1шт.

|1

385-10081571

REAR AXLE ASS'Y

SN: 10001-11434

1шт.

|1

385-10393282

CARRIER ASS'Y

SN: 10001-UP

2шт.

|1

0

CARRIER ASS'Y,REAR

SN: 10001-11615

2шт.

|1

0

CARRIER ASS'Y,FRONT

SN: 10001-11507

2шт.

|1

0

CARRIER ASS'Y

SN: 10001-10876

2шт.

|1

381-898207-2

PINION ASS'Y

SN: 11177-UP

3шт.

|1

0

PINION ASS'Y

SN: 10001-11176

3шт.

1

380-193281-1

PINION

SN: 10001-UP

1шт.

2

385-10271011

SPACER

SN: 11177-UP

1шт.

|2

380-193283-1

SPACER

SN: 10001-11176

1шт.

3

385-11121161

RING

SN: 11177-UP

1шт.

|3

0

RING

SN: 10001-11176

1шт.

|$$15

(385-11121161{385-10271011)}

-1шт.

4

385-10267151

CUP

SN: 11177-UP

2шт.

|4

0

CUP

SN: 10001-11176

2шт.

5

0

SHAFT

SN: 10001-UP

3шт.

|$$19

(385-10385821{385-10385831)}

-1шт.

|5

0

SHAFT,FRONT

SN: (10001-11507)

3шт.

|5

0

SHAFT,REAR

SN: (10001-11615)

3шт.

6

0

SPACER

SN: 10001-UP

3шт.

|$$23

(385-11121161{385-10271011)}

-1шт.

7

380-890128-2

CONE

SN: 11177-UP

6шт.

|7

0

CONE

SN: 10001-11176

6шт.

8

380-221006-1

SPACER

SN: 10001-UP

3шт.

9

380-221005-1

SPACER

SN: 10001-UP

3шт.

10

0

BOLT

SN: 10001-UP

3шт.

|$$29

(385-10385821{385-10385831)}

-1шт.

|10

0

BOLT,FRONT

SN: (10001-11507)

3шт.

|10

0

BOLT,REAR

SN: (10001-11615)

3шт.

11

382-311269-1

BOLT

SN: 10001-UP

2шт.

12

381-876020-1

WIRE

SN: 11652-UP

1шт.

|12

0

WIRE

SN: 10001-11651

1шт.

12A

381-876024-1

WIRE

SN: 10001-UP

1шт.

13

382-019841-1

PIN

SN: 10001-UP

3шт.

14

385-10262651

CARRIER

SN: 11141-UP

1шт.

|14

0

CARRIER

SN: 10001-11140

1шт.

15

380-193290-3

GEAR

SN: 10001-UP

2шт.

16

380-190302-1

PLUG

SN: 10001-UP

2шт.

17

382-570828-1

O-RING

SN: 10001-UP

2шт.

18

382-024840-1

BOLT

SN: 10001-UP

4шт.

19

382-025653-1

BOLT

SN: 10001-UP

16шт.

20

380-204678-3

PLATE

SN: 10001-UP

8шт.

21

381-985063-2

COVER

SN: 10001-UP

2шт.

22

380-193277-1

GASKET

SN: 10001-UP

2шт.

23

382-024840-1

BOLT

SN: 10001-UP

16шт.

24

382-025534-1

WASHER

SN: 10001-UP

16шт.

Выбрано товаров: 48