Запчасти Komatsu 530-1 ЦИЛИНДР РУЛЕВ. УПР-Я(№-) РУЛЕВ. УПРАВЛЕНИЕ И СИСТЕМА УПРАВЛЕНИЯ

Схема запчастей Komatsu 530-1 - ЦИЛИНДР РУЛЕВ. УПР-Я(№-) РУЛЕВ. УПРАВЛЕНИЕ И СИСТЕМА УПРАВЛЕНИЯ
FIT
1:1
100%

Артикул

Название

Примечание

Количество

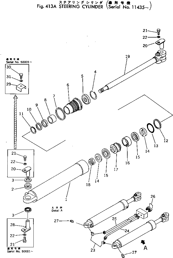
|1

707-10-52204

CYLINDER ASS'Y,L.H.

SN: 11435-UP

1шт.

|1

707-10-52104

CYLINDER ASS'Y,R.H.

SN: 11435-UP

1шт.

1

707-10-52243

CYLINDER,L.H.

SN: 11435-UP

1шт.

|1

707-10-52143

CYLINDER,R.H.

SN: 11435-UP

1шт.

2

707-10-52280

BUSHING

SN: 10001-UP

1шт.

3

707-10-52270

SEAL,DUST

SN: 10001-UP

2шт.

4

07179-00059

RING,SNAP

SN: 10001-UP

1шт.

5

07016-00407

SEAL,DUST

SN: 10001-UP

1шт.

6

707-29-80011

HEAD,CYLINDER

SN: 10001-UP

1шт.

7

707-45-80010

LOCK

SN: 10001-UP

1шт.

8

07177-04025

BUSHING

SN: 10001-UP

1шт.

9

707-51-40020

PACKING,ROD

SN: 10001-UP

1шт.

10

707-57-40011

RETAINER

SN: 10001-UP

1шт.

11

04065-06020

RING,SNAP

SN: 10001-UP

1шт.

12

07001-02085

RING,BACK-UP

SN: 10001-UP

1шт.

13

07000-12085

O-RING

SN: 10001-UP

1шт.

14

111-63-99330

RETAINER

SN: 10001-UP

2шт.

15

707-42-80012

PACKING,PISTON

SN: 10001-UP

2шт.

16

07155-00820

RING,WEAR

SN: 10001-UP

1шт.

17

707-10-52160

PISTON

SN: 10001-UP

1шт.

18

07165-13033

NUT,NYLON

SN: 10001-UP

1шт.

19

707-10-52120

ROD,PISTON

SN: 10001-UP

1шт.

20

385-11048241

SHAFT

SN: 50011-UP

2шт.

|20

385-11048241

SHAFT

SN: 10001-49999

4шт.

21

382-024859-1

BOLT

SN: 10001-UP

4шт.

22

381-932278-1

WASHER

SN: 10001-UP

4шт.

23

380-110902-1

ELBOW

SN: 10001-UP

2шт.

24

385-10375701

HOSE

SN: 11586-UP

1шт.

|24

381-936836-1

HOSE

SN: 10001-11585

1шт.

25

385-10375711

HOSE

SN: 11586-UP

1шт.

|25

380-204978-1

HOSE

SN: 10001-11585

1шт.

26

384-0126152

FITTING

SN: 10313-UP

2шт.

27

384-0444687

PLUG

SN: 11435-UP

2шт.

28

385-10407531

PIN

SN: 50001-UP

2шт.

29

385-10407551

SUPPORT

SN: 50001-UP

2шт.

30

382-024860-1

BOLT

SN: 50001-UP

2шт.

31

382-025536-1

WASHER

SN: 50001-UP

2шт.

Выбрано товаров: 37