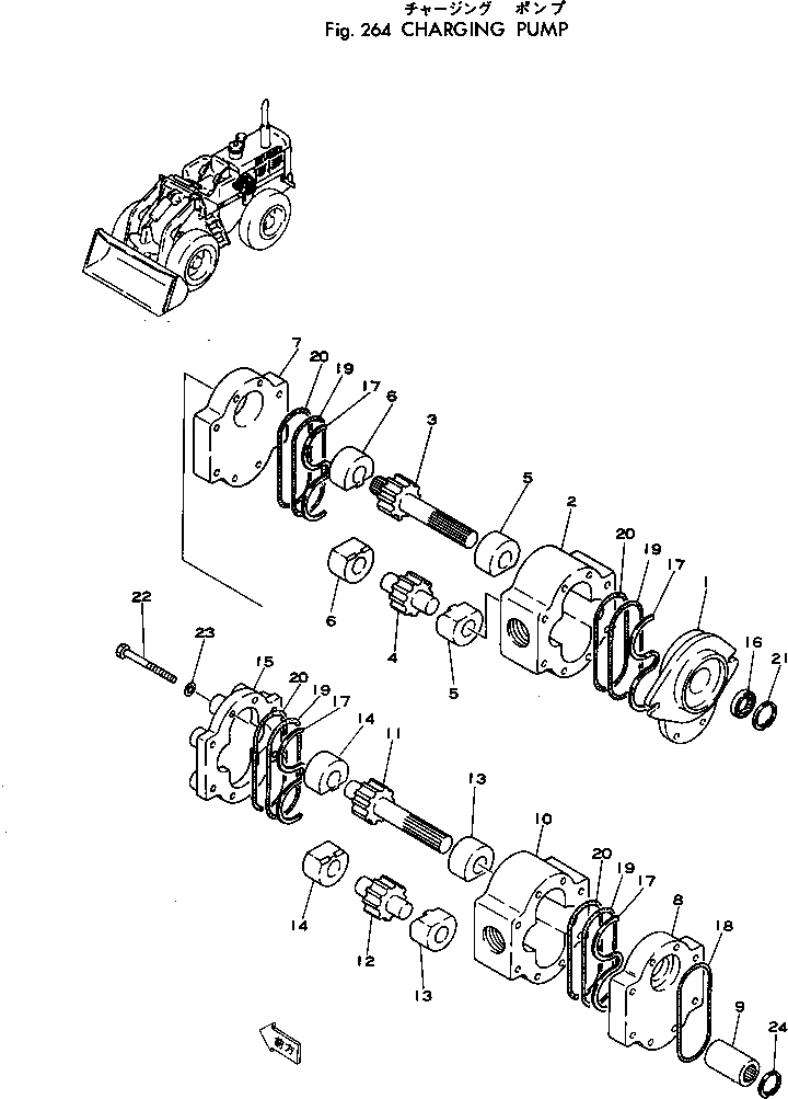
Запчасти Komatsu 530B-1 НАГНЕТАЮЩ. НАСОС(№-) ТРАНСМИССИЯ

Схема запчастей Komatsu 530B-1 - НАГНЕТАЮЩ. НАСОС(№-) ТРАНСМИССИЯ
FIT
1:1
100%

Артикул

Название

Примечание

Количество

|1

385-10079282

PUMP ASS'Y

SN: 10001-UP

1шт.

1

0

COVER

SN: 10001-UP

1шт.

2

0

BODY

SN: 10001-UP

1шт.

3

0

GEAR,DRIVE

SN: 10001-UP

1шт.

4

0

GEAR,DRIVEN

SN: 10001-UP

1шт.

5

0

BEARING

SN: 10001-UP

2шт.

6

0

BEARING

SN: 10001-UP

2шт.

7

0

PLATE

SN: 10001-UP

1шт.

8

0

PLATE

SN: 10001-UP

1шт.

9

0

COUPLING

SN: 10001-UP

1шт.

10

0

BODY

SN: 10001-UP

1шт.

11

0

GEAR,DRIVE

SN: 10001-UP

1шт.

12

0

GEAR,DRIVEN

SN: 10001-UP

1шт.

13

0

BEARING

SN: 10001-UP

2шт.

14

0

BEARING

SN: 10001-UP

2шт.

15

0

COVER

SN: 10001-UP

1шт.

16

381-988060-1

SEAL

SN: 10001-UP

1шт.

17

381-988064-1

STRIP

SN: 10001-UP

4шт.

18

381-988063-1

GASKET

SN: 10001-UP

1шт.

19

381-988061-1

GASKET

SN: 10001-UP

4шт.

20

381-988062-1

GASKET

SN: 10001-UP

4шт.

21

381-988065-1

RING

SN: 10001-UP

1шт.

22

381-988066-1

BOLT

SN: 10001-UP

8шт.

23

381-975028-1

WASHER

SN: 10001-UP

8шт.

24

0

RING

SN: 10001-UP

1шт.

Выбрано товаров: 0