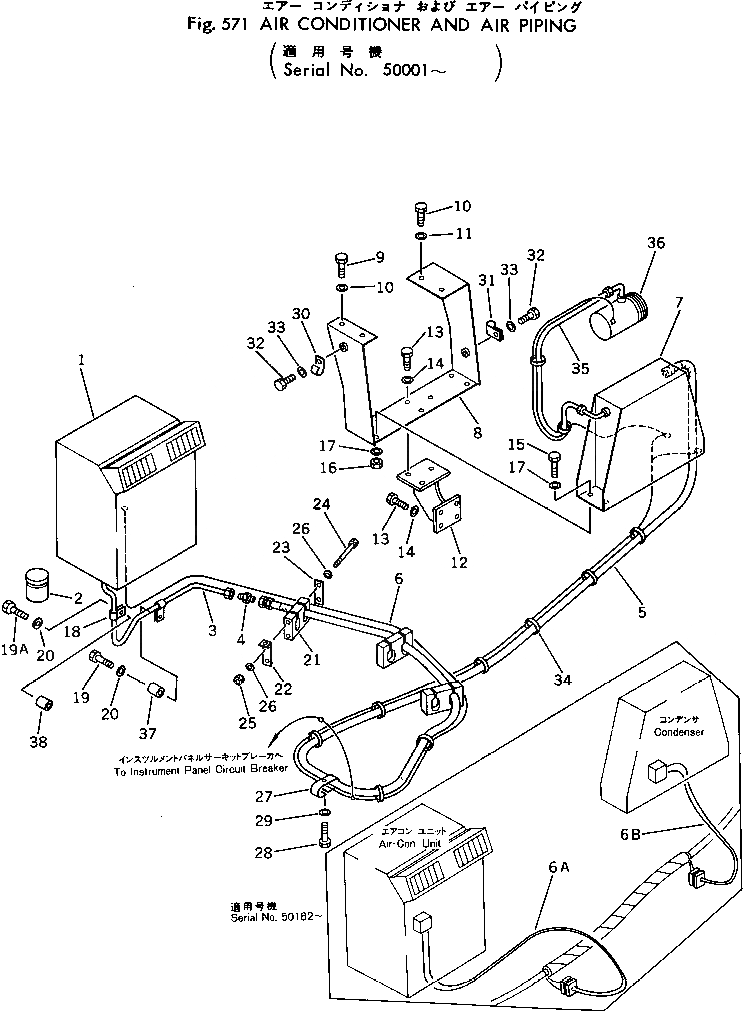
Запчасти Komatsu 540-1 КОНДИЦ. ВОЗДУХА И ВОЗДУХОВОД(№-) РАМА И ЧАСТИ КОРПУСА

Схема запчастей Komatsu 540-1 - КОНДИЦ. ВОЗДУХА И ВОЗДУХОВОД(№-) РАМА И ЧАСТИ КОРПУСА
FIT
1:1
100%

Артикул

Название

Примечание

Количество

|1

385-10417681

AIR CONDITIONER A.

SN: 50001-UP

1шт.

1

385-10416931

CONDITIONER ASS'Y

SN: 50001-UP

1шт.

2

382-244568-1

FLUID

SN: 50001-UP

4шт.

3

385-10404771

TUBE

SN: 50001-UP

1шт.

4

384-0118802

UNION

SN: 50001-UP

1шт.

5

385-10440661

HOSE

SN: 50001-UP

1шт.

6

385-10397973

HARNESS

SN: 50001-50161

1шт.

6A

385-10478611

WIRING HARNESS

SN: 50162-UP

1шт.

6B

385-10478631

WIRING HARNESS

SN: 50162-UP

1шт.

7

385-10416922

CONDENSER ASS'Y

SN: 50001-UP

1шт.

8

385-10392293

BRACKET

SN: 50001-UP

1шт.

9

382-024861-1

BOLT

SN: 50001-UP

2шт.

10

382-024862-1

BOLT

SN: 50001-UP

2шт.

11

382-025555-1

WASHER

SN: 50001-UP

4шт.

12

385-10392361

SUPPORT

SN: 50001-UP

1шт.

13

382-024861-1

BOLT

SN: 50001-UP

7шт.

14

382-025555-1

WASHER

SN: 50001-UP

8шт.

15

01010-50865

BOLT

SN: 50001-UP

4шт.

16

385-10163701

NUT

SN: 50001-UP

4шт.

17

382-025552-1

WASHER

SN: 50001-UP

8шт.

18

381-299407-1

CLAMP

SN: 50001-UP

2шт.

19

382-024841-1

BOLT

SN: 50001-UP

1шт.

19A

382-024842-1

BOLT

SN: 50001-UP

1шт.

20

382-025534-1

WASHER

SN: 50001-UP

2шт.

21

385-10355911

BLOCK

SN: 50001-UP

3шт.

22

385-10355921

BAR

SN: 50001-UP

3шт.

23

385-10355931

PLATE

SN: 50001-UP

3шт.

24

382-024845-1

BOLT

SN: 50001-UP

6шт.

25

384-9413979

NUT

SN: 50001-UP

6шт.

26

382-025544-1

WASHER

SN: 50001-UP

12шт.

27

381-986752-1

CLAMP

SN: 50001-UP

1шт.

28

382-025228-1

NUT

SN: 50001-UP

1шт.

29

382-025533-1

WASHER

SN: 50001-UP

1шт.

30

380-HL3551-0

CLAMP

SN: 50001-UP

1шт.

31

381-299566-1

CLAMP

SN: 50001-UP

1шт.

32

382-024839-1

BOLT

SN: 50001-UP

2шт.

33

382-025534-1

WASHER

SN: 50001-UP

2шт.

34

381-976197-1

STRAP

SN: 50001-UP

15шт.

35

385-10416381

HOSE

SN: 50001-UP

1шт.

36

385-10416911

COMPRESSOR ASS'Y

SN: 50001-UP

1шт.

37

385-10448001

SPACER

SN: 50001-UP

1шт.

38

385-10448011

SPACER

SN: 50001-UP

1шт.

Выбрано товаров: 42