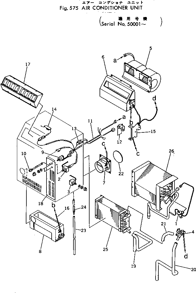
Запчасти Komatsu 540-1 БЛОК КОНДИЦИОНЕРА(№-) РАМА И ЧАСТИ КОРПУСА

Схема запчастей Komatsu 540-1 - БЛОК КОНДИЦИОНЕРА(№-) РАМА И ЧАСТИ КОРПУСА
FIT
1:1
100%

Артикул

Название

Примечание

Количество

|1

385-10421321

CONDITIONER ASS'Y

SN: 50001-UP

1шт.

1

385-10431731

VALVE,EXPANSION

SN: 50001-UP

1шт.

2

385-10431741

SWITCH,THERMO

SN: 50001-UP

1шт.

3

385-10431781

THERMOSTAT

SN: 50001-UP

1шт.

4

385-10431791

VALVE,WATER

SN: 50001-UP

1шт.

5

385-10431801

MOTOR

SN: 50001-UP

1шт.

6

385-10431811

DUMPER

SN: 50001-UP

1шт.

7

385-10431821

DUMPER

SN: 50001-UP

1шт.

8

385-10431831

DUMPER

SN: 50001-UP

1шт.

9

385-10431841

SWITCH,BLOWER

SN: 50001-UP

1шт.

10

385-10431851

LAMP,PILOT

SN: 50001-UP

1шт.

11

385-10431861

WIRING HARNESS

SN: 50001-UP

1шт.

12

385-10431871

RELAY

SN: 50001-UP

2шт.

13

385-10431881

FUSE

SN: 50001-UP

2шт.

14

385-10431891

RESISTOR

SN: 50001-UP

1шт.

15

385-10431901

LEVER,CONTROL

SN: 50001-UP

1шт.

16

385-10431911

WIRE

SN: 50001-UP

1шт.

17

385-10431921

GRILLE

SN: 50001-UP

1шт.

18

385-10431931

PLATE¤ OPERATING

SN: 50001-UP

1шт.

19

385-10431941

HOSE

SN: 50001-UP

1шт.

20

385-10431961

HOSE

SN: 50001-UP

1шт.

21

385-10431951

HOSE

SN: 50001-UP

1шт.

22

385-10431971

FILTER

SN: 50001-UP

1шт.

23

385-10431981

HOSE

SN: 50001-UP

1шт.

24

385-10431991

HOSE

SN: 50001-UP

1шт.

25

385-10432001

HEATER ASS'Y

SN: 50001-UP

1шт.

26

385-10432011

EVAPORATOR ASS'Y

SN: 50001-UP

1шт.

Выбрано товаров: 27