Запчасти Komatsu 540-1 ПОГРУЗ. НАСОС(№-) УПРАВЛ-Е РАБОЧИМ ОБОРУДОВАНИЕМ

Схема запчастей Komatsu 540-1 - ПОГРУЗ. НАСОС(№-) УПРАВЛ-Е РАБОЧИМ ОБОРУДОВАНИЕМ
FIT
1:1
100%

Артикул

Название

Примечание

Количество

|1

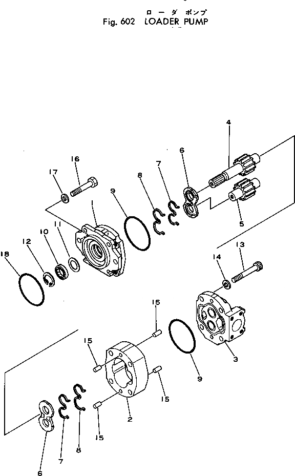
705-11-38000

PUMP ASS'Y,LOADER

SN: 10001-UP

1шт.

1

0

BRACKET

SN: 10001-UP

1шт.

2

0

CASE

SN: 10001-UP

1шт.

3

0

COVER ASS'Y

SN: 10001-UP

1шт.

4

0

GEAR,DRIVE

SN: 10001-UP

1шт.

5

0

GEAR,DRIVEN

SN: 10001-UP

1шт.

6

0

PLATE,SIDE

SN: 10001-UP

2шт.

7

0

RING

SN: 10001-UP

2шт.

8

0

SEAL

SN: 10001-UP

2шт.

9

0

O-RING

SN: 10001-UP

2шт.

10

705-17-03810

SEAL

SN: 10001-UP

1шт.

11

705-17-03870

PLATE

SN: 10001-UP

1шт.

12

04065-05220

RING

SN: 10001-UP

1шт.

13

0

BOLT

SN: 10001-UP

4шт.

14

0

WASHER

SN: 10001-UP

4шт.

15

0

PIN

SN: 10001-UP

4шт.

16

382-024873-1

BOLT

SN: 10001-UP

2шт.

17

382-025556-1

WASHER

SN: 10001-UP

2шт.

18

382-022285-1

O-RING

SN: 10031-UP

1шт.

|18

07000-02130

O-RING

SN: 10001-10030

1шт.

Выбрано товаров: 20