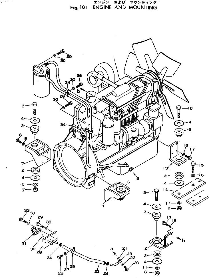
Запчасти Komatsu 540B-1 ДВИГАТЕЛЬ И КРЕПЛЕНИЕ(№-) КОМПОНЕНТЫ ДВИГАТЕЛЯ И ЭЛЕКТРИКА

Схема запчастей Komatsu 540B-1 - ДВИГАТЕЛЬ И КРЕПЛЕНИЕ(№-) КОМПОНЕНТЫ ДВИГАТЕЛЯ И ЭЛЕКТРИКА
FIT
1:1
100%

Артикул

Название

Примечание

Количество

1

385-10298693

ENGINE ASS'Y

SN: 50001-UP

1шт.

|1

0

ENGINE ASS'Y

SN: 10518-49999

1шт.

|1

0

ENGINE ASS'Y

SN: 10235-10517

1шт.

|1

385-10172001

ENGINE ASS'Y

SN: 10001-10234

1шт.

2

385-11074101

BASE

SN: 10001-UP

4шт.

3

382-025761-1

BOLT

SN: 10001-UP

3шт.

4

385-11074641

WASHER

SN: 10001-UP

8шт.

5

385-10166621

WASHER

SN: 10001-UP

2шт.

6

384-9413984

NUT

SN: 10001-UP

4шт.

7

385-10192611

SUPPORT

SN: 10001-UP

2шт.

8

385-10115311

BOLT

SN: 10001-UP

8шт.

9

385-10127291

WASHER

SN: 10001-UP

8шт.

10

382-025516-1

BOLT

SN: 10001-UP

1шт.

11

382-025549-1

WASHER

SN: 10001-UP

2шт.

12

385-10123622

ANGLE,R.H.

SN: 10001-UP

1шт.

13

385-10172811

ANGLE,L.H.

SN: 10001-UP

1шт.

14

385-10172861

PLATE

SN: 10001-UP

1шт.

15

382-024892-1

BOLT

SN: 10001-UP

2шт.

16

382-025557-1

WASHER

SN: 10001-UP

2шт.

17

385-10056311

BOLT

SN: 10001-UP

8шт.

18

381-989464-1

WASHER

SN: 10001-UP

8шт.

19

385-10172871

TUBE

SN: 10001-UP

1шт.

20

385-10193721

BOLT

SN: 10001-UP

1шт.

21

385-10135601

O-RING

SN: 10001-UP

1шт.

22

381-897433-1

GASKET

SN: 10001-UP

1шт.

23

380-177351-1

HOSE

SN: 10001-UP

1шт.

24

382-333710-1

CLAMP

SN: 10001-UP

2шт.

25

381-892033-1

CLIP

SN: 10001-UP

1шт.

26

382-024839-1

BOLT

SN: 10001-UP

3шт.

27

382-025534-1

WASHER

SN: 10001-UP

1шт.

28

385-10172821

TUBE

SN: 10001-UP

1шт.

29

382-024842-1

BOLT

SN: 10001-UP

4шт.

30

382-025544-1

WASHER

SN: 10001-UP

8шт.

31

385-10100921

VALVE ASS'Y

SN: 10001-UP

1шт.

32

385-10123611

O-RING

SN: 10001-UP

1шт.

33

382-024840-1

BOLT

SN: 10001-UP

2шт.

34

381-299566-1

CLAMP

SN: 10001-UP

4шт.

Выбрано товаров: 0