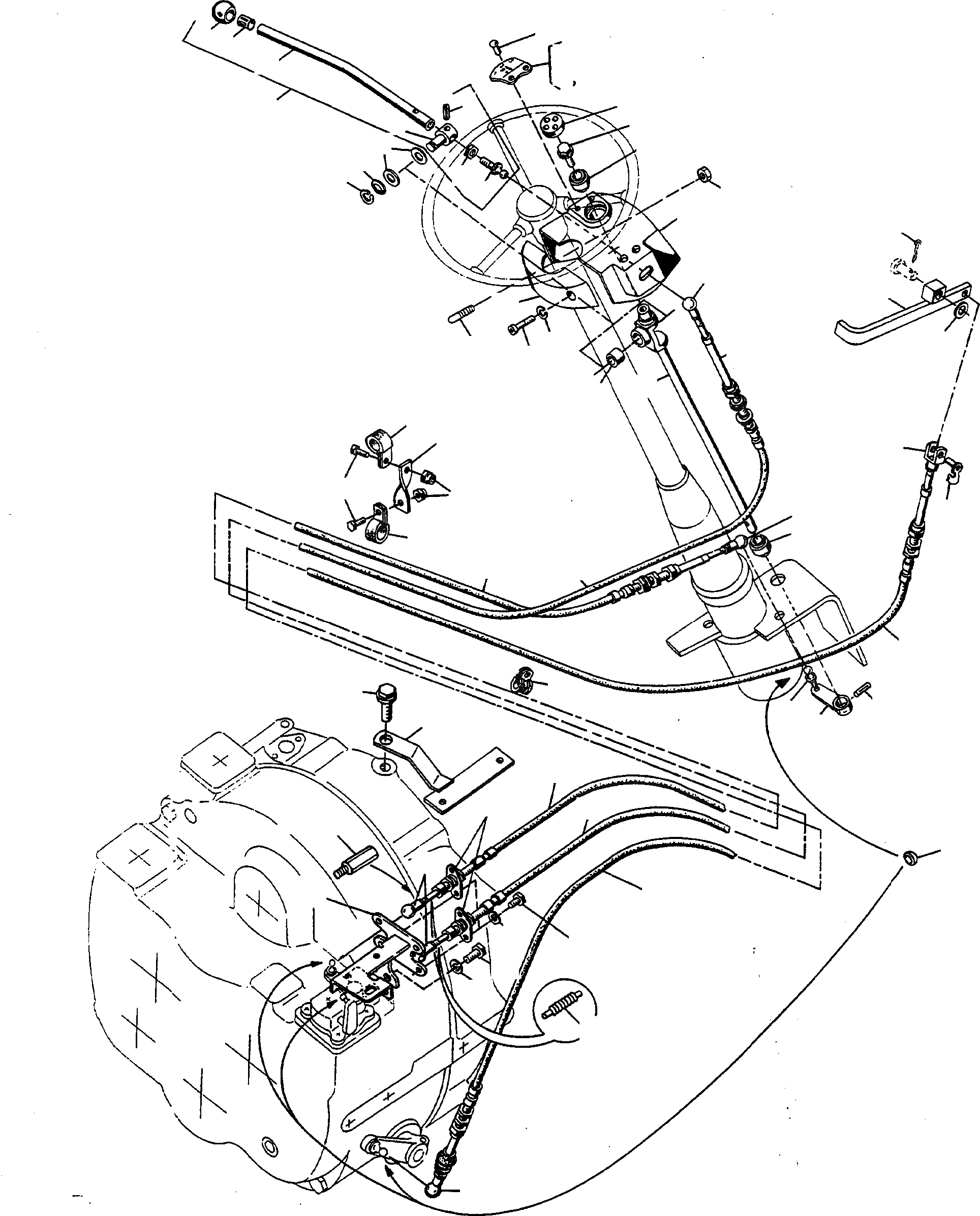
Запчасти Komatsu 55C ПРИВОД КОРПУС УПРАВЛ-Е ТРАНСМИССИЯ И ЗАДН. МОСТ

Схема запчастей Komatsu 55C - ПРИВОД КОРПУС УПРАВЛ-Е ТРАНСМИССИЯ И ЗАДН. МОСТ
1A
17
21
11
10
2
13A
3
12
31
26A
26B
37
38
13
4
1
8
9
5
20
23
24
6
7
15
16
42
27
40
41
18
14
25
19
22
48
47
45
49
50
27
46
10
48
26
25
43
51
33
29
32
28
26
25
34
30
27
35
43
36
39
44
FIT
1:1
100%

Артикул

Название

Примечание

Количество

1

2950783M91

LEVER

DeutschDesc: HEBEL

1шт.

1A

ROD

EnglischBem: ORDER 2850 783 M91

1шт.

2

1443830X1

BALL HEAD

DeutschDesc: KUGELKNOPF

1шт.

3

1444447X1

SLEEVE

DeutschDesc: HUELSE

1шт.

4

390244X1

ADAPTER SLEEVES

DeutschDesc: SPANNHUELSE

1шт.

5

2950772M1

JOURNAL

DeutschDesc: ZAPFEN

1шт.

6

391719X1

NUT

EnglischBem: REPAIRS AND REPLACES 1440 208 X1

1шт.

7

1443816X1

BALL PIVOT

DeutschDesc: KUGELZAPFEN

1шт.

8

2950775M1

PLUG

DeutschDesc: VERSCHLUSSSTOPFEN

1шт.

9

391357X1

SCREW

DeutschDesc: SCHRAUBE

1шт.

10

1444581X1

BALL AND SOCKET JOIN

DeutschDesc: GELENKLAGER

2шт.

11

1443804X1

NOTCHED NAIL

DeutschDesc: KERBNAGEL

2шт.

12

2950773M1

SHIFT INDICATOR

EnglischBem: NOTE PLATE GERMAN

1шт.

13

2962096M1

SHIFT INDICATOR

EnglischBem: NOTE PLATE ENGLISH

1шт.

13A

4401267M1

SHIFT INDICATOR

EnglischBem: CH

1шт.

14

3090000M1

GRUB SCREW

DeutschDesc: GEWINDESTIFT

1шт.

15

1444294X1

NUT

DeutschDesc: MUTTER

1шт.

16

3092369M1

SUPPORT

DeutschDesc: LAGERUNG

1шт.

17

3092370M1

SUPPORT

DeutschDesc: LAGERUNG

1шт.

18

391037X1

SPRING WASHER

DeutschDesc: FEDERRING

3шт.

19

390871X1

SCREW

DeutschDesc: SCHRAUBE

2шт.

20

2950768M1

DISC

DeutschDesc: SCHEIBE

2шт.

21

2950782M91

ROD

DeutschDesc: STANGE

1шт.

22

1443828X1

BUSHING

DeutschDesc: BUCHSE

1шт.

23

2999758M1

CUP SPRING

DeutschDesc: TELLERFEDER

1шт.

24

339276X1

CIRCLIP

DeutschDesc: SICHERUNGSRING

1шт.

25

3097217M91

BOWDEN CABLE

EnglischBem: 2300 MM

1шт.

26

3097216M91

BOWDEN CABLE

EnglischBem: 1500 MM

1шт.

26A

2999817M1

BALL JOINT

EnglischBem: NOTE: Pos.(26A) included in Pos.(25) and (26) Kit REPAIRS AND RE

1шт.

26B

3230245M1

BELLOWS

EnglischBem: NOTE: Pos.(26B) included in Pos.(25) and (26) Kit

1шт.

27

2977281M1

BALL SOCKET

EnglischBem: NOTE: Pos.(27) included in Pos.(25) and (26) Kit

4шт.

28

2944475M91

LEVER

DeutschDesc: HEBEL

1шт.

29

1444498X1

BALL PIVOT

DeutschDesc: KUGELZAPFEN

1шт.

30

2979040M1

GASKET

DeutschDesc: DICHTUNG

4шт.

31

1444426X1

GROOVE PIN

DeutschDesc: KERBSTIFT

1шт.

32

2950788M91

BRACKET

DeutschDesc: HALTER

1шт.

33

1444140X1

SCREW

DeutschDesc: SCHRAUBE

1шт.

34

3097210M1

EXTENSION

DeutschDesc: VERLAENGERUNG

1шт.

35

3097206M91

BRACKET

DeutschDesc: HALTER

1шт.

36

391074X1

SCREW

DeutschDesc: SCHRAUBE

4шт.

37

1443791X1

SPRING WASHER

DeutschDesc: FEDERRING

4шт.

38

339123X1

SCREW

DeutschDesc: SCHRAUBE

2шт.

39

1443789X1

SPRING WASHER

DeutschDesc: FEDERRING

2шт.

40

3096420M91

LEVER

EnglischBem: NOT EXISTING FOR TRANSMISSION LIMIT 20 KM/H

1шт.

41

391219X1

DISC

EnglischBem: NOT EXISTING FOR TRANSMISSION LIMIT 20 KM/H

1шт.

42

339058X1

COTTER

EnglischBem: NOT EXISTING FOR TRANSMISSION LIMIT 20 KM/H

1шт.

43

3094188M91

BOWDEN CABLE

EnglischBem: NOT EXISTING FOR TRANSMISSION LIMIT 20 KM/H 2100 MM

1шт.

44

2977281M1

BALL SOCKET

EnglischBem: NOT EXISTING FOR TRANSMISSION LIMIT 20 KM/H

1шт.

45

3230169M1

FORK HEAD

EnglischBem: NOT EXISTING FOR TRANSMISSION LIMIT 20 KM/H

1шт.

46

3002204X1

CLEVIS PIN

EnglischBem: NOT EXISTING FOR TRANSMISSION LIMIT 20 KM/H

1шт.

47

2950780M1

BRACKET

DeutschDesc: HALTER

1шт.

48

2951041M91

CLIP

DeutschDesc: SCHELLE

2шт.

49

339123X1

SCREW

DeutschDesc: SCHRAUBE

2шт.

50

2998708M1

NUT

EnglischBem: REPAIRS AND REPLACES 1444 329 X1

4шт.

51

1444666X1

CLIP

DeutschDesc: SCHELLE

1шт.

Выбрано товаров: 0