Запчасти Komatsu 55C РУЛЕВ. УПРАВЛЕНИЕ, РУЛЕВ. УПРАВЛЕНИЕ КРЕПЛЕНИЕ СИСТЕМАУПРАВЛЕНИЯ ПОВОРОТОМ, ПЕРЕДНИЙ МОСТ, ТОРМОЗ. СИСТЕМА

Схема запчастей Komatsu 55C - РУЛЕВ. УПРАВЛЕНИЕ, РУЛЕВ. УПРАВЛЕНИЕ КРЕПЛЕНИЕ СИСТЕМАУПРАВЛЕНИЯ ПОВОРОТОМ, ПЕРЕДНИЙ МОСТ, ТОРМОЗ. СИСТЕМА
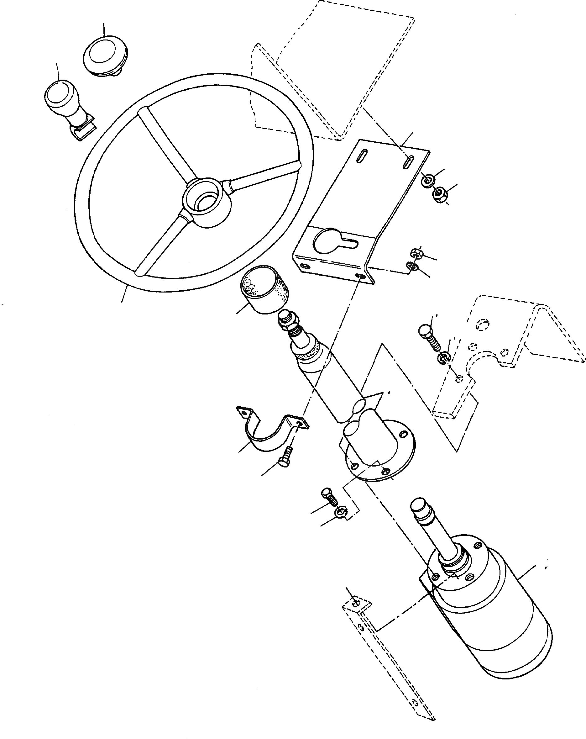
14
16
3A
4A
2
2A
4B
4A
1A
15
5
6
7
11
10
13
3
12
4
1
8
9
FIT
1:1
100%

Артикул

Название

Примечание

Количество

1

3092872M91

STEERING COLUMN

SN: 377724711

1шт.

|$22

STEERING COLUMN

DeutschDesc: LENKSAEULE

-3шт.

1A

4003196M91

STEERING COLUMN

SN: 377724712-377724713

1шт.

|$23

STEERING COLUMN

DeutschDesc: LENKSAEULE

-3шт.

2

3092871M91

STEERING UNIT

SN: 377724711

1шт.

|$24

STEERING UNIT

DeutschDesc: LENKEINHEIT

-3шт.

2A

4002292M91

STEERING UNIT

SN: 377724712-377724713

1шт.

|$25

STEERING UNIT

DeutschDesc: LENKEINHEIT

-3шт.

3

339451X1

SCREW

SN: 377724711

3шт.

3A

3002007X1

SCREW

SN: 377724712-377724713

3шт.

4

1443790X1

SPRING WASHER

SN: 377724711

3шт.

4A

1443789X1

SPRING WASHER

SN: 377724712-377724713

4шт.

4B

1440711X1

SCREW

SN: 377724712-377724713

1шт.

5

3086698M1

BRACKET

DeutschDesc: HALTER

1шт.

6

390734X1

PLAIN WASHER

DeutschDesc: UNTERLEGSCHEIBE

2шт.

7

339402X1

NUT

DeutschDesc: MUTTER

2шт.

8

3086699M1

CLIP

DeutschDesc: SCHELLE

1шт.

9

339081X1

SCREW

DeutschDesc: SCHRAUBE

2шт.

10

1443790X1

SPRING WASHER

DeutschDesc: FEDERRING

2шт.

11

339402X1

NUT

DeutschDesc: MUTTER

2шт.

12

1444897X1

HOSE

EnglischBem: GOODS SOLD BY THE METER 1443 912 X1 50 MM

1шт.

13

4002122M1

STEERING WHEEL

EnglischBem: REPAIRS AND REPLACES 2952 553 M1

1шт.

14

2880880M91

BUTTON

DeutschDesc: KNOPF

1шт.

15

2950741M91

TURN BUTTON

EnglischBem: FOR STEERING WHEEL 2952 553 M1

1шт.

16

4201447M91

TURN BUTTON

EnglischBem: FOR STEERING WHEEL 4002 122 M1

1шт.

Выбрано товаров: 25