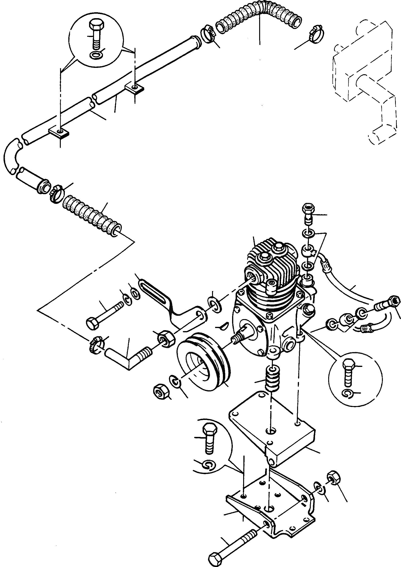
Запчасти Komatsu 55C КОМПРЕССОР, D9 + D9 TC TURBO СИСТЕМАУПРАВЛЕНИЯ ПОВОРОТОМ, ПЕРЕДНИЙ МОСТ, ТОРМОЗ. СИСТЕМА

Схема запчастей Komatsu 55C - КОМПРЕССОР, D9 + D9 TC TURBO СИСТЕМАУПРАВЛЕНИЯ ПОВОРОТОМ, ПЕРЕДНИЙ МОСТ, ТОРМОЗ. СИСТЕМА
30
20
31
2
1
1
29
1
2
11
10
16
5
9
17
8
6
7
18
12
3
4
1
16
19
21
15
14
13
27
28
22
25
26
23
24
FIT
1:1
100%

Артикул

Название

Примечание

Количество

1

1444838X1

CLIP

DeutschDesc: SCHELLE

4шт.

2

2871552M1

HOSE

DeutschDesc: SCHLAUCH

2шт.

3

2871560M91

PIPE

DeutschDesc: ROHRLEITUNG

1шт.

4

1443763X1

NUT

DeutschDesc: MUTTER

1шт.

5

2871555M1

STRAP

DeutschDesc: LASCHE

1шт.

6

390855X1

SEAL

DeutschDesc: DICHTRING

1шт.

7

339136X1

SCREW

EnglischBem: REPAIRS AND REPLACES 1443 651 X1

1шт.

8

1443789X1

SPRING WASHER

DeutschDesc: FEDERRING

1шт.

9

2922629M1

DISC

DeutschDesc: SCHEIBE

1шт.

10

2871559M91

COMPRESSOR

DeutschDesc: KOMPRESSOR

1шт.

|$32

COMPRESSOR

DeutschDesc: KOMPRESSOR

-3шт.

11

2998241M1

BANJO BOLT

DeutschDesc: HOHLSCHRAUBE

1шт.

12

1443810X1

WOODRUFF KEY

DeutschDesc: SCHEIBENFEDER

1шт.

13

1443794X1

SPRING WASHER

EnglischBem: REPAIRS AND REPLACES 1443 788 X1

1шт.

14

1443762X1

NUT

DeutschDesc: MUTTER

1шт.

15

2871547M1

PULLEY

DeutschDesc: RIEMENSCHEIBE

1шт.

16

1440993X1

SEAL

DeutschDesc: DICHTRING

4шт.

17

2871561M91

HOSE

DeutschDesc: SCHLAUCH

1шт.

18

1444756X1

BANJO BOLT

DeutschDesc: HOHLSCHRAUBE

1шт.

19

339287X1

SCREW

DeutschDesc: SCHRAUBE

4шт.

20

1443789X1

SPRING WASHER

DeutschDesc: FEDERRING

4шт.

21

2871549M1

BELLOWS

DeutschDesc: FALTENBALG

1шт.

22

2871548M1

CARRIER

DeutschDesc: TRAEGER

1шт.

23

2871553M1

FULCRUM

DeutschDesc: STUETZBOCK

1шт.

24

3003944X1

SCREW

DeutschDesc: SCHRAUBE

1шт.

25

1443794X1

SPRING WASHER

DeutschDesc: FEDERRING

1шт.

26

1443757X1

NUT

DeutschDesc: MUTTER

1шт.

27

339139X1

SCREW

DeutschDesc: SCHRAUBE

4шт.

28

1443792X1

SPRING WASHER

DeutschDesc: FEDERRING

4шт.

29

2985323M91

TUBE

EnglischBem: FOR ENGINE D963 TC

1шт.

30

391702X1

SCREW

EnglischBem: FOR ENGINE D963 TC

2шт.

31

1443790X1

SPRING WASHER

EnglischBem: FOR ENGINE D963 TC

2шт.

Выбрано товаров: 32