Запчасти Komatsu 55C МАСЛ. БАК ГИДРАВЛИКА

Схема запчастей Komatsu 55C - МАСЛ. БАК ГИДРАВЛИКА
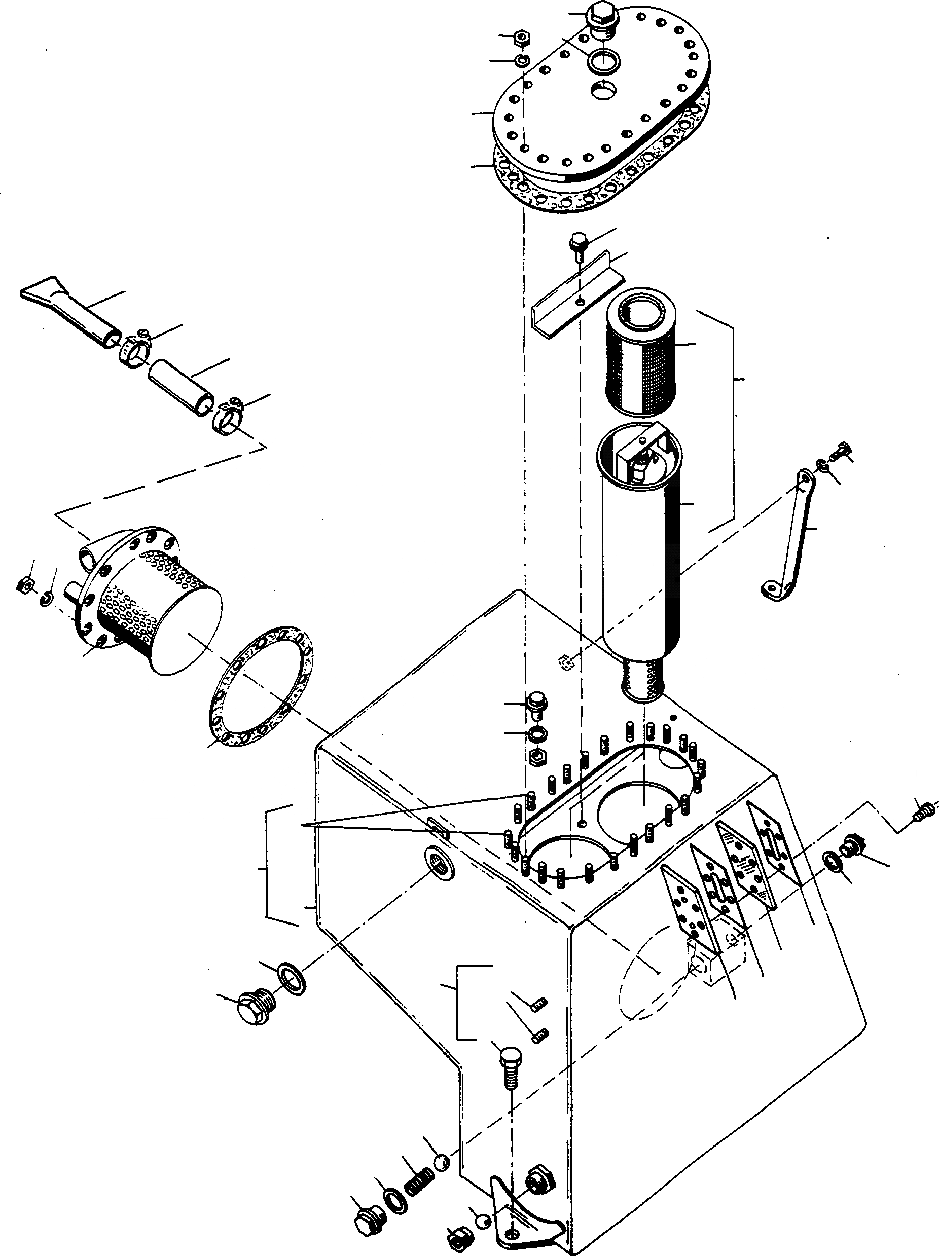
1
16A
34
2
3
4
4
5
6
7
8
37
39
11
38
9
39
33
10
32
3
23
12
13
22
21
16
14
29
28
15
19
35
20
14
36
19
18
17
27
26
25
24
30
31
FIT
1:1
100%

Артикул

Название

Примечание

Количество

1

1443747X1

SCREW

DeutschDesc: SCHRAUBE

1шт.

2

391305X1

SEAL

DeutschDesc: DICHTRING

1шт.

3

339402X1

NUT

DeutschDesc: MUTTER

36шт.

4

1443790X1

SPRING WASHER

DeutschDesc: FEDERRING

36шт.

5

2950952M1

COVER

DeutschDesc: DECKEL

1шт.

6

2950953M1

GASKET

DeutschDesc: DICHTUNG

1шт.

7

1444132X1

SCREW

DeutschDesc: SCHRAUBE

2шт.

8

2950907M1

CLAMPING DEVICE

DeutschDesc: KLEMMVORRICHTUNG

2шт.

9

2975851M91

FILTER

DeutschDesc: FILTER

2шт.

10

HOUSING

EnglischBem: ORDER 2975 851 M91

1шт.

11

2894080M1

FILTER ELEMENT

DeutschDesc: FILTERELEMENT

4шт.

12

2999792M1

PLUG

DeutschDesc: VERSCHLUSSSTOPFEN

1шт.

13

390839X1

SEAL

DeutschDesc: DICHTRING

1шт.

14

2950991M91

OIL TANK

DeutschDesc: OELBEHAELTER

1шт.

15

CONTAINER

EnglischBem: ORDER 2950 991 M91

1шт.

16

1444276X1

THREADED PIN

DeutschDesc: GEWINDEBOLZEN

36шт.

16A

1444280X1

STUD BOLT

DeutschDesc: STIFTSCHRAUBE

2шт.

17

1444140X1

SCREW

DeutschDesc: SCHRAUBE

2шт.

18

3070519M1

THRUST PLATE

DeutschDesc: DRUCKPLATTE

1шт.

19

3070520M1

GASKET

DeutschDesc: DICHTUNG

2шт.

20

3070517M1

INSPECTION GLASS

DeutschDesc: SCHAUGLAS

1шт.

21

339337X1

SCREW

DeutschDesc: SCHRAUBE

6шт.

22

2948543M1

GASKET

DeutschDesc: DICHTUNG

1шт.

23

2951020M93

INTAKE STACK

EnglischBem: REPAIRS AND REPLACES 2951 020 M92

1шт.

24

1444271X1

PLUG

DeutschDesc: VERSCHLUSSSTOPFEN

1шт.

25

391265X1

SEAL

DeutschDesc: DICHTRING

1шт.

26

2860405M1

SPRING

DeutschDesc: FEDER

1шт.

27

1444590X1

BALL

DeutschDesc: KUGEL

1шт.

28

390855X1

SEAL

DeutschDesc: DICHTRING

1шт.

29

2949213M1

PLUG

DeutschDesc: VERSCHLUSSSTOPFEN

1шт.

30

1444589X1

BALL

DeutschDesc: KUGEL

1шт.

31

1442060X1

BOXNUT

DeutschDesc: UEBERWURFMUTTER

1шт.

32

3096479M91

STAND

DeutschDesc: STUETZE

1шт.

33

339020X1

SCREW

DeutschDesc: SCHRAUBE

1шт.

34

1443792X1

SPRING WASHER

DeutschDesc: FEDERRING

1шт.

35

391305X1

SEAL

DeutschDesc: DICHTRING

1шт.

36

1443747X1

SCREW

EnglischBem: REPAIRS AND REPLACES 3005 637 X1

1шт.

37

2963942M1

DUMMY STUD

DeutschDesc: BLINDSTUTZEN

1шт.

38

3000413X1

HOSE

DeutschDesc: SCHLAUCH

1шт.

39

1444840X1

CLIP

DeutschDesc: SCHELLE

2шт.

Выбрано товаров: 0