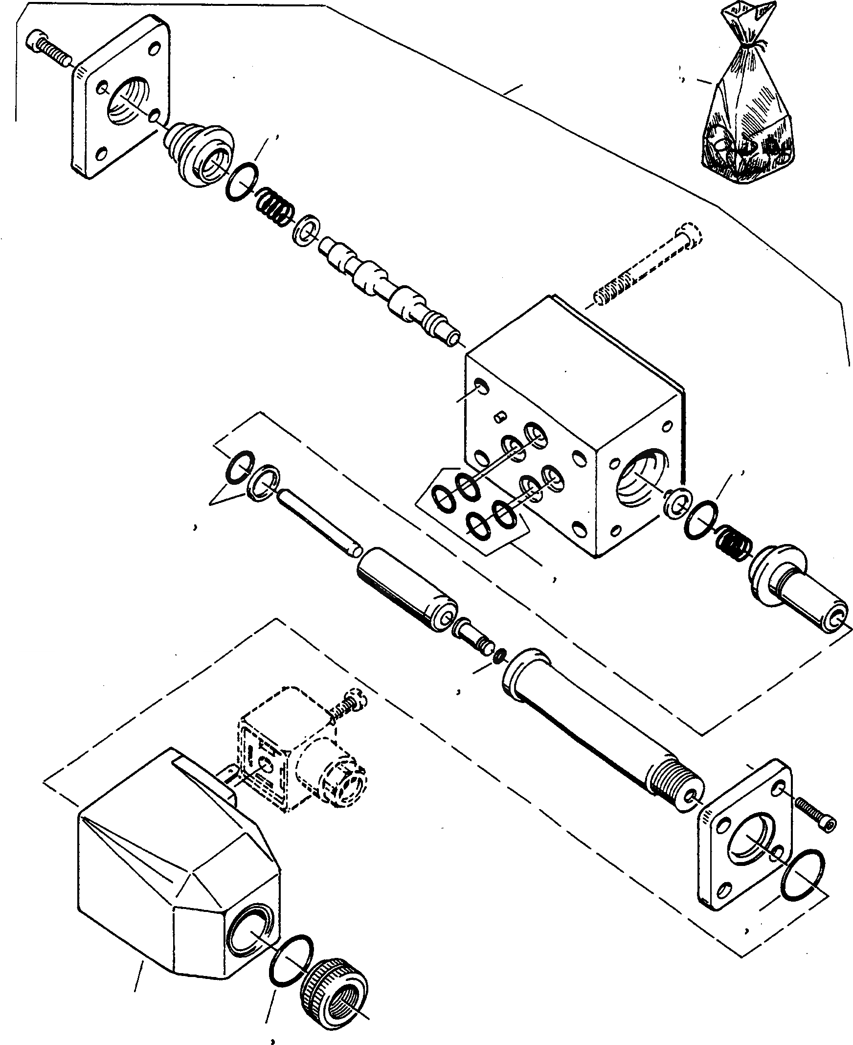
Запчасти Komatsu 55C A.L.S. ГИДРАВЛИКА, УДАЛЕНН. УПРАВЛЯЮЩ. КЛАПАН A.L.S. ГИДРАВЛИКА, СОЛЕНОИДНЫЙ КЛАПАН

Схема запчастей Komatsu 55C - A.L.S. ГИДРАВЛИКА, УДАЛЕНН. УПРАВЛЯЮЩ. КЛАПАН A.L.S. ГИДРАВЛИКА, СОЛЕНОИДНЫЙ КЛАПАН
3
2
1
3
2
3
2
2
3
3
2
2
3
3
2
4
2
3
FIT
1:1
100%

Артикул

Название

Примечание

Количество

1

4912348M91

REMOTE CONTROL VALVE

1шт.

2

3232364M91

GASKET KIT

1шт.

3

4912404M91

GASKET KIT

1шт.

4

4912223M91

MAGNET

1шт.

Выбрано товаров: 0