Запчасти Komatsu 55C SERVO OPERATING ASSEMBLY, СДВОЕНН. НАСОС, ТРУБЫS ОБОРУД-Е

Схема запчастей Komatsu 55C - SERVO OPERATING ASSEMBLY, СДВОЕНН. НАСОС, ТРУБЫS ОБОРУД-Е
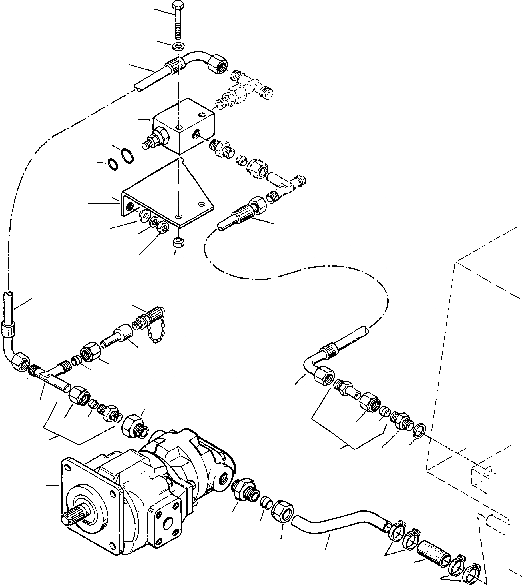
8
9
11
5
6
7
1
12
4
3
2
10
11
18
19
31
32
12
13
14
16
17
27
26
15
29
25
28
33
20
21
22
30
24
23
24
FIT
1:1
100%

Артикул

Название

Примечание

Количество

1

4215496M1

BRACKET

DeutschDesc: HALTER

1шт.

2

3005918X1

NUT

DeutschDesc: MUTTER

1шт.

3

1442850X1

PLAIN WASHER

DeutschDesc: UNTERLEGSCHEIBE

2шт.

4

2964056M1

DISC

DeutschDesc: SCHEIBE

2шт.

5

4004055M91

PRESSURE VALVE

DeutschDesc: DRUCKVENTIL

1шт.

6

4910170M1

O-RING

DeutschDesc: O-RING

1шт.

7

4910171M1

O-RING

DeutschDesc: O-RING

1шт.

8

339291X1

SCREW

DeutschDesc: SCHRAUBE

2шт.

9

1443789X1

SPRING WASHER

DeutschDesc: FEDERRING

2шт.

10

339169X1

NUT

DeutschDesc: MUTTER

2шт.

11

2993671X91

HOSE ASSEMBLY

DeutschDesc: SCHLAUCH VOLLST.

1шт.

12

2993515X91

HOSE ASSEMBLY

DeutschDesc: SCHLAUCH VOLLST.

1шт.

13

3004224X1

STUD

DeutschDesc: STUTZEN

1шт.

14

1444679X1

STUD

DeutschDesc: STUTZEN

1шт.

15

621551M91

UNION

DeutschDesc: VERSCHRAUBUNG

1шт.

16

339995X1

BOXNUT

DeutschDesc: UEBERWURFMUTTER

1шт.

17

1443840X1

OLIVE

DeutschDesc: SCHNEIDRING

1шт.

18

2994792M91

CHECK PORT

DeutschDesc: PRUEFANSCHLUSS

1шт.

19

4004579M91

STUD

DeutschDesc: STUTZEN

1шт.

20

2995521X1

STUD

DeutschDesc: STUTZEN

1шт.

21

1443842X1

OLIVE

DeutschDesc: SCHNEIDRING

1шт.

22

1443838X1

BOXNUT

DeutschDesc: UEBERWURFMUTTER

1шт.

23

4005402M1

HOSE

EnglischBem: REPAIRS AND REPLACES 3000 413 X1 TO BE INSTALLED TOGETHER GOODS

1шт.

24

1444840X1

CLIP

DeutschDesc: SCHELLE

4шт.

25

2993382X1

UNION

DeutschDesc: VERSCHRAUBUNG

1шт.

26

1443842X1

OLIVE

DeutschDesc: SCHNEIDRING

1шт.

27

1443838X1

BOXNUT

DeutschDesc: UEBERWURFMUTTER

1шт.

28

1441215X1

SEAL

DeutschDesc: DICHTRING

1шт.

29

3002314X1

STUD

DeutschDesc: STUTZEN

1шт.

30

4005406M1

TUBE

EnglischBem: REPAIRS AND REPLACES 4004 576 M1 TO BE INSTALLED TOGETHER

1шт.

31

339995X1

BOXNUT

DeutschDesc: UEBERWURFMUTTER

1шт.

32

1443840X1

OLIVE

DeutschDesc: SCHNEIDRING

1шт.

33

4004672M91

TANDEM PUMP

DeutschDesc: TANDEMPUMPE

1шт.

|$34

TANDEM PUMP

DeutschDesc: TANDEMPUMPE

-3шт.

Выбрано товаров: 0