Запчасти Komatsu 55C ТРАНСМИССИЯ МАСЛ. ОХЛАЖД-Е ДВИГАТЕЛЬ, АКСЕССУАРЫ И ЭЛЕКТРИЧ. СИСТЕМА

Схема запчастей Komatsu 55C - ТРАНСМИССИЯ МАСЛ. ОХЛАЖД-Е ДВИГАТЕЛЬ, АКСЕССУАРЫ И ЭЛЕКТРИЧ. СИСТЕМА
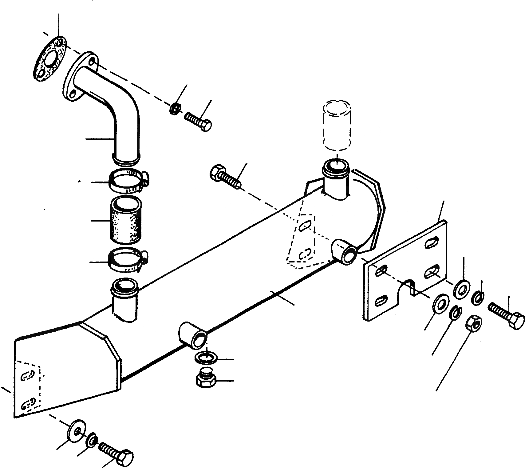
1
3
4
2
13
5
20
6
19
5
18
17
12
14
11
15
10
16
7
8
9
FIT
1:1
100%

Артикул

Название

Примечание

Количество

1

1443853X1

GASKET

DeutschDesc: DICHTUNG

1шт.

2

2979655M91

TUBE

DeutschDesc: ROHR

1шт.

3

1443790X1

SPRING WASHER

DeutschDesc: FEDERRING

2шт.

4

339401X1

SCREW

DeutschDesc: SCHRAUBE

2шт.

5

1444841X1

CLIP

DeutschDesc: SCHELLE

2шт.

6

1443882X1

HOSE

EnglischBem: GOODS SOLD BY THE METER 1443 912 X1 80 MM

1шт.

7

390735X1

PLAIN WASHER

DeutschDesc: UNTERLEGSCHEIBE

2шт.

8

1443792X1

SPRING WASHER

DeutschDesc: FEDERRING

2шт.

9

1444066X1

SCREW

DeutschDesc: SCHRAUBE

2шт.

10

390247X1

PLUG

DeutschDesc: VERSCHLUSSSTOPFEN

1шт.

11

339526X1

SEAL

DeutschDesc: DICHTRING

1шт.

12

2979051M91

EXCHANGER

DeutschDesc: WAERMETAUSCHER

1шт.

13

339139X1

SCREW

DeutschDesc: SCHRAUBE

2шт.

14

390735X1

PLAIN WASHER

DeutschDesc: UNTERLEGSCHEIBE

2шт.

15

1443792X1

SPRING WASHER

DeutschDesc: FEDERRING

2шт.

16

339054X1

NUT

DeutschDesc: MUTTER

2шт.

17

1443665X1

SCREW

DeutschDesc: SCHRAUBE

2шт.

18

1443792X1

SPRING WASHER

DeutschDesc: FEDERRING

2шт.

19

391212X1

PLAIN WASHER

DeutschDesc: UNTERLEGSCHEIBE

2шт.

20

2979052M1

PLATE

DeutschDesc: PLATTE

1шт.

Выбрано товаров: 20