Запчасти Komatsu 55C СИСТЕМА БЫСТРОГО ЗАПУСКА КОМПЛЕКТ ДВИГАТЕЛЬ, АКСЕССУАРЫ И ЭЛЕКТРИЧ. СИСТЕМА

Схема запчастей Komatsu 55C - СИСТЕМА БЫСТРОГО ЗАПУСКА КОМПЛЕКТ ДВИГАТЕЛЬ, АКСЕССУАРЫ И ЭЛЕКТРИЧ. СИСТЕМА
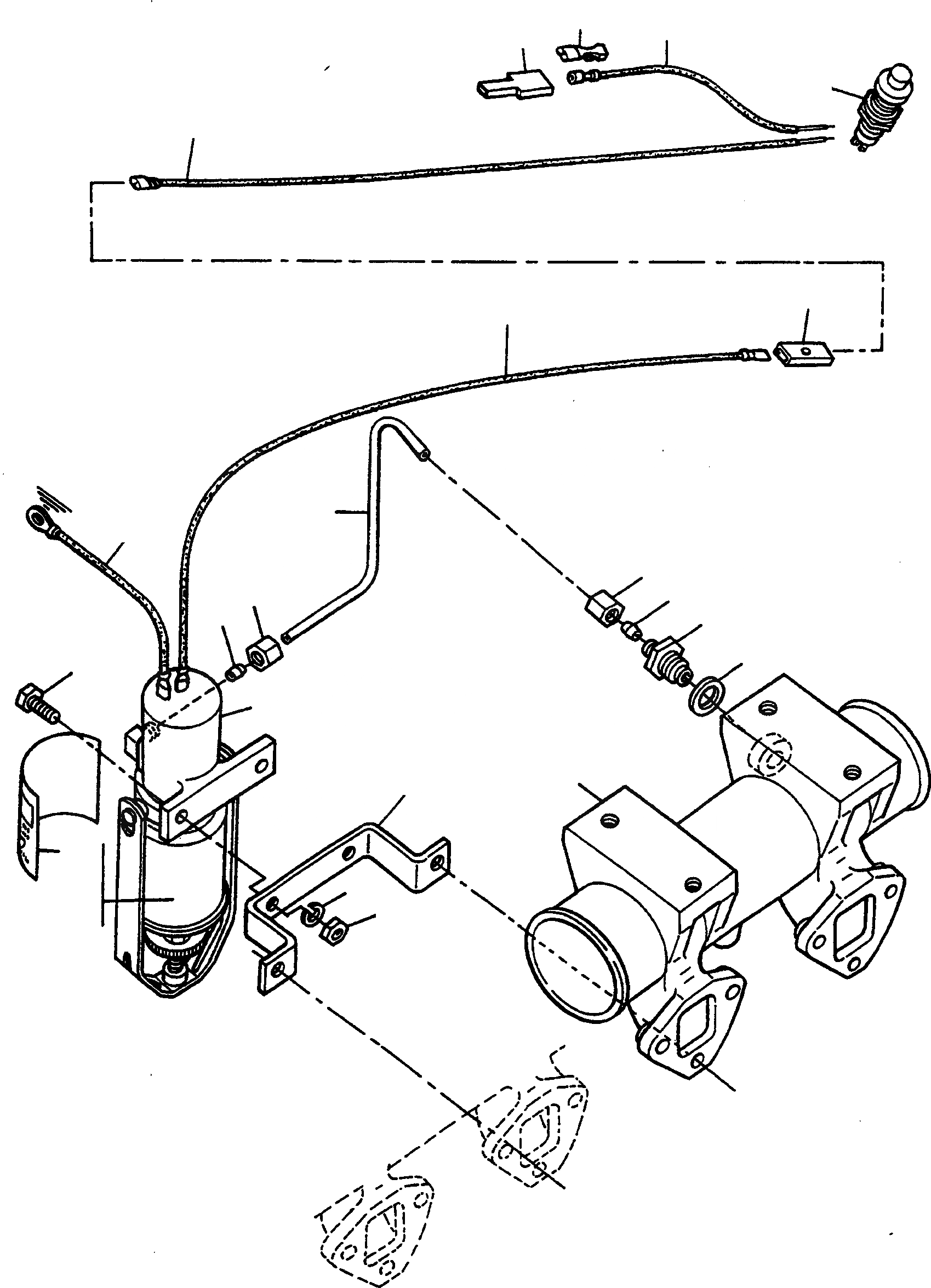
20
14
16
11A
21
17
19
18
5
15
6
4
6
4
2
3
8
11
1
7
13
9
12
10
FIT
1:1
100%

Артикул

Название

Примечание

Количество

1

2968892M1

INTAKE MANIFOLD

DeutschDesc: ANSAUGKRUEMMER

1шт.

2

2994227M1

NOZZLE

DeutschDesc: DUESE

1шт.

3

390855X1

SEAL

DeutschDesc: DICHTRING

1шт.

4

3007502X1

TAPERED RING

DeutschDesc: KEGELRING

2шт.

5

2994230M1

TUBE

DeutschDesc: ROHR

1шт.

6

363976X1

BOXNUT

DeutschDesc: UEBERWURFMUTTER

2шт.

7

2979664M1

BRACKET

DeutschDesc: HALTER

1шт.

8

339123X1

SCREW

DeutschDesc: SCHRAUBE

2шт.

9

1443789X1

SPRING WASHER

DeutschDesc: FEDERRING

2шт.

10

339169X1

NUT

DeutschDesc: MUTTER

2шт.

11

2994229M1

STARTING AID KIT

DeutschDesc: STARTHILFESATZ

1шт.

11A

830999M2

BOTTLE

EnglischBem: WITH ETHER

1шт.

12

529604M1

BOTTLE

EnglischBem: WITHOUT ETHER

1шт.

13

529109M1

DECAL

DeutschDesc: AUFKLEBER

1шт.

14

2955032M1

PRESSURE SWITCH

DeutschDesc: DRUCKSCHALTER

1шт.

15

2994236M91

EARTH STRAP

DeutschDesc: MASSELEITUNG

1шт.

16

2970885M1

CABLE

DeutschDesc: KABEL

1шт.

17

2970884M1

CABLE

DeutschDesc: KABEL

1шт.

18

2970883M1

CABLE

DeutschDesc: KABEL

1шт.

19

2877394M1

ELECTRICAL PLUG

DeutschDesc: STECKER

1шт.

20

1444012X1

ELECTRICAL PLUG

DeutschDesc: STECKER

2шт.

21

3061860M8

CABLE JUNCTION

DeutschDesc: KABELVERTEILER

1шт.

Выбрано товаров: 22