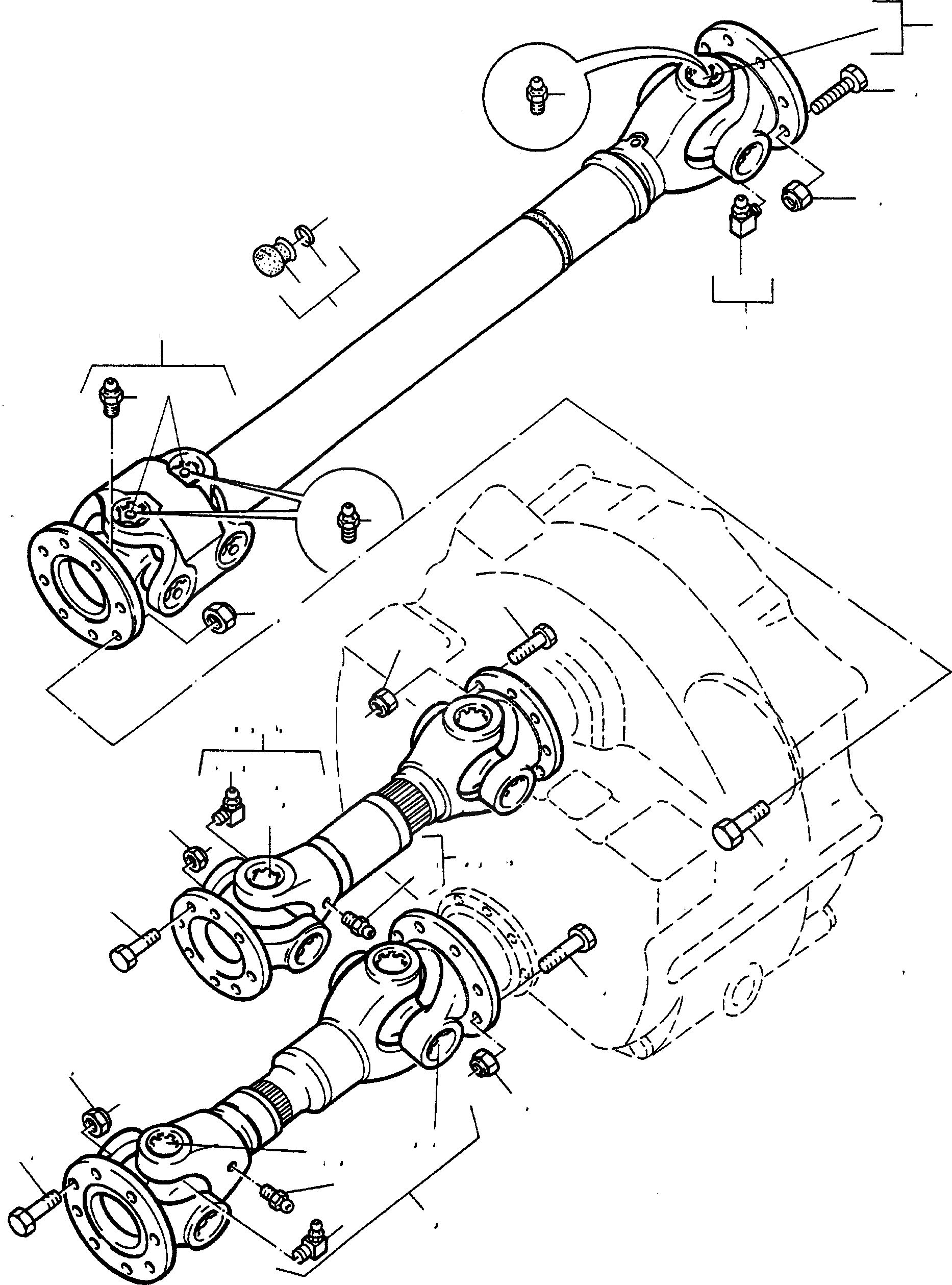
Запчасти Komatsu 55C КРЕСТОВИНАS ТРАНСМИССИЯ И ЗАДН. МОСТ

Схема запчастей Komatsu 55C - КРЕСТОВИНАS ТРАНСМИССИЯ И ЗАДН. МОСТ
18
28A
22
28A
19
27A
26A
6A
27
6B
6K
16B
17A
23
11
11
12
17
7
16A
17A
6F
28
6E
6A
6H
6G
30
24
31
29
18
19
18
19
21
25
23
7
28
8
1
6B
2
5
4
8
26
2
1
6
16
17
13
12
16
13
15
14
9
10
FIT
1:1
100%

Артикул

Название

Примечание

Количество

1

2951168M91

UNIVERSAL JOINT

SN: 377724391

1шт.

2

NOT USED

DeutschDesc: NICHT VERWENDET

-1шт.

3

NOT USED

DeutschDesc: NICHT VERWENDET

-1шт.

4

2941710M91

KNUCKLE JOINT

DeutschDesc: KREUZGELENK

2шт.

5

339002X1

LUBRICATION NIPPLE

DeutschDesc: SCHMIERNIPPEL

2шт.

6

339003X1

LUBRICATION NIPPLE

DeutschDesc: SCHMIERNIPPEL

1шт.

6A

4002946M91

UNIVERSAL JOINT

SN: 377724392-UP

1шт.

6B

4002945M91

UNIVERSAL JOINT

EnglischBem: ALTERNATIVE

1шт.

6C

NOT USED

DeutschDesc: NICHT VERWENDET

-1шт.

6D

NOT USED

DeutschDesc: NICHT VERWENDET

-1шт.

6E

3232343M91

KNUCKLE JOINT

EnglischBem: Ш 38 MM

2шт.

6F

3230262M91

KNUCKLE JOINT

EnglischBem: Ш 42 MM

2шт.

6G

1441983X1

LUBRICATION NIPPLE

DeutschDesc: SCHMIERNIPPEL

2шт.

6H

339002X1

LUBRICATION NIPPLE

DeutschDesc: SCHMIERNIPPEL

2шт.

6K

339608X1

LUBRICATION NIPPLE

DeutschDesc: SCHMIERNIPPEL

1шт.

7

2881550M91

SCREW

DeutschDesc: SCHRAUBE

16шт.

8

1444332X1

NUT

DeutschDesc: MUTTER

16шт.

9

2951169M91

UNIVERSAL JOINT

SN: 377726290

1шт.

10

4005723M91

UNIVERSAL JOINT

SN: 377726291-UP

1шт.

11

4917888M91

KNUCKLE JOINT

EnglischBem: Ш 42X117,5MM

2шт.

12

2962349M91

KNUCKLE JOINT

EnglischBem: Ш 42X123MM

2шт.

13

3065777M8

KNUCKLE JOINT

EnglischBem: Ш 45 MM

2шт.

14

339002X1

LUBRICATION NIPPLE

EnglischBem: NOTE: Pos. (14) included in Pos. (9) and (10) Kit

2шт.

15

339003X1

LUBRICATION NIPPLE

DeutschDesc: SCHMIERNIPPEL

1шт.

16

2941701M1

SCREW

SN: 377724074

16шт.

16A

3232238M1

SCREW

SN: 377724075-377724075

8шт.

16B

3004329X1

SCREW

SN: 377724075-377724075

8шт.

17

1444327X1

NUT

SN: 377724074

16шт.

17A

2995594X1

NUT

SN: 377724075-377724075

16шт.

18

3086970M92

UNIVERSAL JOINT

DeutschDesc: GELENKWELLE

1шт.

19

NOT USED

DeutschDesc: NICHT VERWENDET

-1шт.

20

NOT USED

DeutschDesc: NICHT VERWENDET

-1шт.

21

3232407M91

KNUCKLE JOINT

EnglischBem: REPAIRS AND REPLACES 3230 030 M91 REPAIRS AND REPLACES 3232 186

2шт.

22

3232407M91

KNUCKLE JOINT

EnglischBem: REPAIRS AND REPLACES 3230 030 M91 REPAIRS AND REPLACES 3232 186

1шт.

23

3229164M1

VALVE

EnglischBem: ONLY TO USE FOR 3230 030 M91

3шт.

24

1441983X1

LUBRICATION NIPPLE

DeutschDesc: SCHMIERNIPPEL

1шт.

25

1441858X1

LUBRICATION NIPPLE

DeutschDesc: SCHMIERNIPPEL

1шт.

26

2941701M1

SCREW

SN: 377724074

8шт.

26A

3004329X1

SCREW

SN: 377724075-377724075

8шт.

27

1444067X1

SCREW

SN: 377724074

8шт.

27A

3232334M1

SCREW

SN: 377724075-377724075

8шт.

28

1444327X1

NUT

SN: 377724074

16шт.

28A

2995594X1

NUT

SN: 377724075-377724075

16шт.

29

3229262M91

BOOT

DeutschDesc: MANSCHETTE

1шт.

30

CLIP

EnglischBem: ORDER 3229 262 M91

1шт.

31

BOOT

EnglischBem: ORDER 3229 262 M91

1шт.

Выбрано товаров: 0