Запчасти Komatsu 560B-1 ТРАНСМИССИЯ МАСЛ. НАСОС ТРАНСМИССИЯ

Схема запчастей Komatsu 560B-1 - ТРАНСМИССИЯ МАСЛ. НАСОС ТРАНСМИССИЯ
FIT
1:1
100%

Артикул

Название

Примечание

Количество

|1

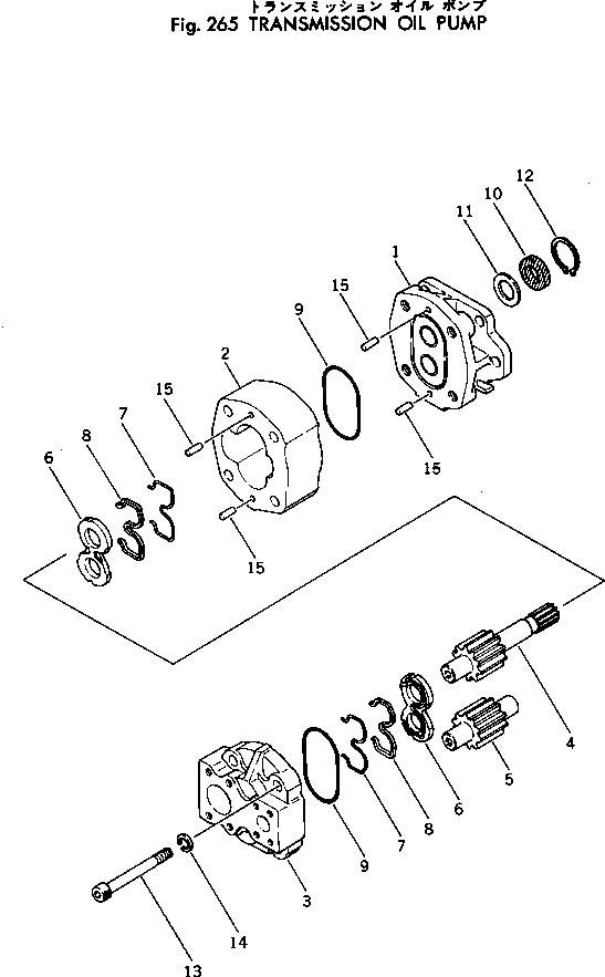
705-11-40100

PUMP ASS'Y,(SAL 100)

SN: 10001-UP

1шт.

1

0

BRACKET

SN: 10001-UP

1шт.

2

0

CASE

SN: 10001-UP

1шт.

3

0

COVER ASS'Y

SN: 10001-UP

1шт.

4

0

GEAR,DRIVE

SN: 10001-UP

1шт.

5

0

GEAR,DRIVEN

SN: 10001-UP

1шт.

6

0

PLATE

SN: 10001-UP

2шт.

7

0

RING

SN: 10001-UP

2шт.

8

0

SEAL

SN: 10001-UP

2шт.

9

0

O-RING

SN: 10001-UP

2шт.

10

705-17-03810

SEAL

SN: 10001-UP

1шт.

11

705-17-03870

PLATE

SN: 10001-UP

1шт.

12

04065-05220

RING

SN: 10001-UP

1шт.

13

0

BOLT

SN: 10001-UP

4шт.

14

0

WASHER

SN: 10001-UP

4шт.

15

0

PIN

SN: 10001-UP

4шт.

Выбрано товаров: 16