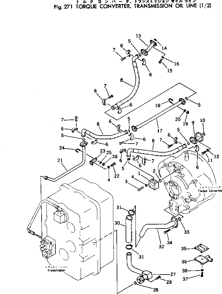
Запчасти Komatsu 560B-1 ГИДРОТРАНСФОРМАТОР¤ ТРАНСМИССИЯ МАСЛ. ЛИНИЯ (/) ТРАНСМИССИЯ

Схема запчастей Komatsu 560B-1 - ГИДРОТРАНСФОРМАТОР¤ ТРАНСМИССИЯ МАСЛ. ЛИНИЯ (/) ТРАНСМИССИЯ
FIT
1:1
100%

Артикул

Название

Примечание

Количество

1

385-10220081

BLOCK

SN: 10001-UP

1шт.

2

382-343906-1

O-RING

SN: 10001-UP

1шт.

3

382-025501-1

BOLT

SN: 10001-UP

4шт.

4

382-025544-1

WASHER

SN: 10001-UP

5шт.

5

382-343909-1

O-RING

SN: 10001-UP

6шт.

6

382-290045-1

FLANGE

SN: 10001-UP

12шт.

7

382-024850-1

BOLT

SN: 10001-UP

24шт.

8

385-10220211

HOSE

SN: 10001-UP

3шт.

9

385-10220201

TUBE

SN: 10001-UP

1шт.

10

382-343923-1

O-RING

SN: 10001-UP

1шт.

11

382-024863-1

BOLT

SN: 10001-UP

4шт.

12

382-025546-1

WASHER

SN: 10001-UP

4шт.

13

385-10220251

TUBE

SN: 10001-UP

1шт.

14

382-343923-1

O-RING

SN: 10001-UP

1шт.

15

382-024863-1

BOLT

SN: 10001-UP

4шт.

16

382-025546-1

WASHER

SN: 10001-UP

4шт.

17

385-10220381

TUBE

SN: 10001-UP

1шт.

18

381-977086-1

U-BOLT

SN: 10001-UP

2шт.

19

382-025523-1

NUT

SN: 10001-UP

4шт.

20

382-025534-1

WASHER

SN: 10001-UP

4шт.

21

385-10220391

TUBE

SN: 10001-UP

1шт.

22

382-024866-1

BOLT

SN: 10001-UP

1шт.

23

385-10221141

SUPPORT

SN: 10001-UP

1шт.

24

385-10091731

U-BOLT

SN: 10001-UP

1шт.

25

382-025542-1

WASHER

SN: 10001-UP

2шт.

26

382-026030-1

NUT

SN: 10001-UP

2шт.

27

385-10219671

TUBE

SN: 10001-UP

1шт.

28

382-343923-1

O-RING

SN: 10001-UP

1шт.

29

382-024862-1

BOLT

SN: 10001-UP

4шт.

30

07260-05838

HOSE

SN: 10001-UP

1шт.

31

382-279029-1

CLAMP

SN: 10001-UP

2шт.

32

385-10219661

TUBE

SN: 10001-UP

1шт.

33

382-343923-1

O-RING

SN: 10001-UP

1шт.

34

382-024862-1

BOLT

SN: 10001-UP

4шт.

35

385-11334051

GASKET

SN: 10001-UP

1шт.

36

385-10221072

ADAPTER

SN: 10001-UP

1шт.

37

382-024840-1

BOLT

SN: 10001-UP

4шт.

38

382-025534-1

WASHER

SN: 10001-UP

4шт.

Выбрано товаров: 38