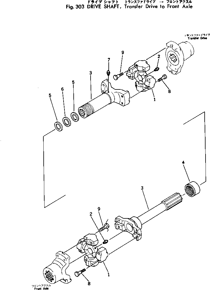
Запчасти Komatsu 560B-1 ВЕДУЩ. ВАЛ¤ ПЕРЕДАЧА ПРИВОД - ПЕРЕДНИЙ МОСТ ПРИВОДВАЛ¤ ДИФФЕРЕНЦ. И КОЛЕСА

Схема запчастей Komatsu 560B-1 - ВЕДУЩ. ВАЛ¤ ПЕРЕДАЧА ПРИВОД - ПЕРЕДНИЙ МОСТ ПРИВОДВАЛ¤ ДИФФЕРЕНЦ. И КОЛЕСА
FIT
1:1
100%

Артикул

Название

Примечание

Количество

|1

385-10181691

DRIVE SHAFT ASS'Y

SN: 10001-UP

1шт.

1

385-10192671

SPIDER ASS'Y

SN: 10001-UP

2шт.

2

384-0109461

FITTING

SN: 10001-UP

2шт.

3

385-10192711

YOKE ASS'Y

SN: 10001-UP

1шт.

4

385-10192681

CAP

SN: 10001-UP

1шт.

5

385-10192691

WASHER

SN: 10001-UP

2шт.

6

385-10192701

WASHER

SN: 10001-UP

1шт.

7

384-0109461

FITTING

SN: 10001-UP

1шт.

8

382-080289-1

BOLT

SN: 10001-UP

8шт.

9

382-080289-1

BOLT

SN: 10001-UP

8шт.

Выбрано товаров: 0