Запчасти Komatsu 560B-1 ДИФФЕРЕНЦ. ПРИВОД (/) ПРИВОДВАЛ¤ ДИФФЕРЕНЦ. И КОЛЕСА

Схема запчастей Komatsu 560B-1 - ДИФФЕРЕНЦ. ПРИВОД (/) ПРИВОДВАЛ¤ ДИФФЕРЕНЦ. И КОЛЕСА
FIT
1:1
100%

Артикул

Название

Примечание

Количество

|1

385-11119281

AXLE ASS'Y,FRONT

SN: 10001-UP

1шт.

|1

385-11119291

AXLE ASS'Y,REAR

SN: 10001-UP

1шт.

|1

385-11120981

CARRIER ASS'Y,FRONT

SN: 10001-UP

1шт.

|1

385-11120971

CARRIER ASS'Y,REAR

SN: 10001-UP

1шт.

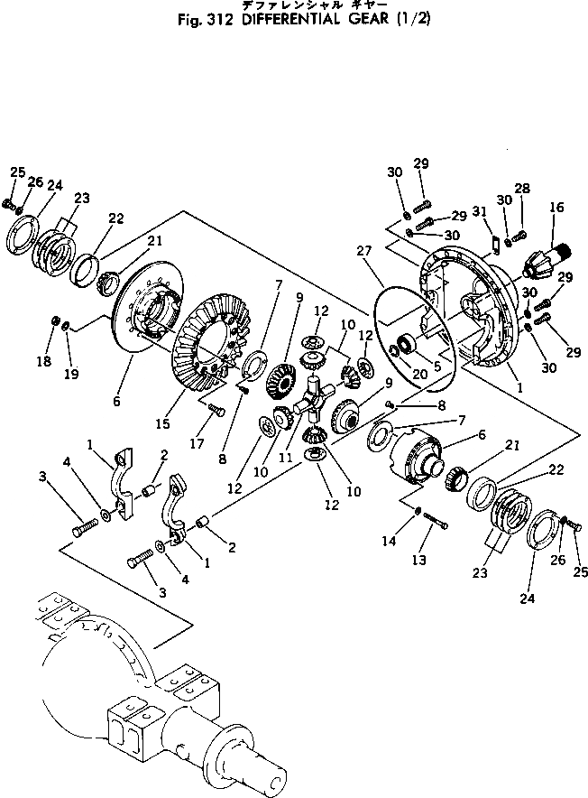
1

385-11119271

CARRIER ASS'Y

SN: 10001-UP

1шт.

2

385-11096471

BUSHING

SN: 10001-UP

4шт.

3

382-026720-1

BOLT

SN: 10001-UP

4шт.

4

382-025540-1

WASHER

SN: 10001-UP

4шт.

5

385-10233311

BEARING

SN: 10001-UP

1шт.

6

385-11120961

DIFFERENTIAL ASS'Y

SN: 10001-UP

1шт.

7

381-929587-1

WASHER

SN: 10001-UP

2шт.

8

381-929586-1

SCREW

SN: 10001-UP

4шт.

9

385-11120901

GEAR

SN: 10001-UP

2шт.

10

381-883224-1

GEAR

SN: 10001-UP

4шт.

11

380-196311-3

SPIDER

SN: 10001-UP

1шт.

12

380-196310-2

WASHER

SN: 10001-UP

4шт.

13

382-025904-1

BOLT

SN: 10001-UP

24шт.

14

381-281878-1

WASHER

SN: 10001-UP

24шт.

|15

385-10324842

GEAR ASS'Y

SN: 10001-UP

1шт.

15

0

GEAR

SN: 10001-UP

1шт.

16

0

SHAFT

SN: 10001-UP

1шт.

17

382-025864-1

BOLT

SN: 10001-UP

12шт.

18

382-025632-1

NUT

SN: 10001-UP

12шт.

19

382-025538-1

WASHER

SN: 10001-UP

12шт.

20

382-307960-1

RING

SN: 10001-UP

1шт.

21

385-10233371

CONE

SN: 10001-UP

2шт.

22

385-10233381

CUP

SN: 10001-UP

2шт.

23

385-11095591

SHIM¤ 0.13MM

SN: 10001-UP

-2шт.

|23

385-11095601

SHIM¤ 0.20MM

SN: 10001-UP

-2шт.

|23

385-11095611

SHIM¤ 0.50MM

SN: 10001-UP

-2шт.

24

385-11095571

RETAINER

SN: 10001-UP

2шт.

25

382-024865-1

BOLT

SN: 10001-UP

8шт.

26

382-025536-1

WASHER

SN: 10001-UP

8шт.

27

385-11097461

O-RING

SN: 10001-UP

1шт.

28

382-024894-1

BOLT

SN: 10001-UP

16шт.

29

382-024892-1

BOLT

SN: 10001-UP

4шт.

30

382-025538-1

WASHER

SN: 10001-UP

20шт.

31

385-10246301

SUPPORT

SN: 10001-UP

1шт.

Выбрано товаров: 38