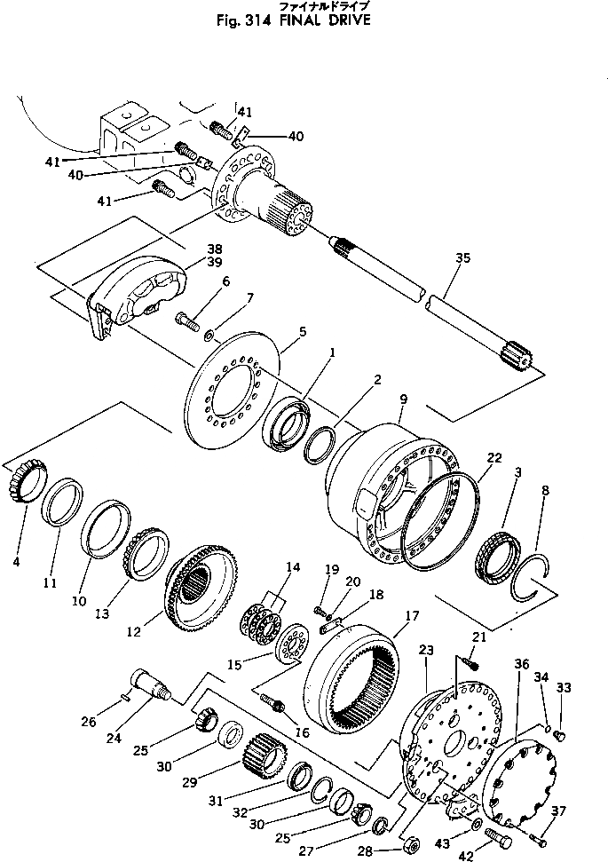
Запчасти Komatsu 560B-1 КОНЕЧНАЯ ПЕРЕДАЧА ПРИВОДВАЛ¤ ДИФФЕРЕНЦ. И КОЛЕСА

Схема запчастей Komatsu 560B-1 - КОНЕЧНАЯ ПЕРЕДАЧА ПРИВОДВАЛ¤ ДИФФЕРЕНЦ. И КОЛЕСА
FIT
1:1
100%

Артикул

Название

Примечание

Количество

|1

385-11119281

AXLE ASS'Y,FRONT

SN: 10001-UP

1шт.

|1

385-11119291

AXLE ASS'Y,REAR

SN: 10001-UP

1шт.

1

385-11095801

RETAINER

SN: 10001-UP

2шт.

2

382-876086-1

O-RING

SN: 10001-UP

2шт.

3

385-11125452

SEAL

SN: 10001-UP

2шт.

4

385-10392221

CONE

SN: 10009-UP

2шт.

|4

0

CONE

SN: 10001-10008

2шт.

|$$8

(385-10392221{385-10393121¤}

-1шт.

|$$9

385-10392231)

-1шт.

5

385-11054621

BRAKE

SN: 10001-UP

2шт.

6

382-025741-1

BOLT

SN: 10001-UP

36шт.

7

382-025540-1

WASHER

SN: 10001-UP

36шт.

8

385-11110231

RING

SN: 10001-UP

2шт.

|9

385-10395721

HUB ASS'Y

SN: 10009-UP

2шт.

|9

385-10367891

HUB ASS'Y

SN: 10001-10008

2шт.

9

385-10393121

HUB

SN: 10009-UP

1шт.

|9

385-11119261

HUB

SN: 10001-10008

1шт.

10

385-10233341

CUP

SN: 10001-UP

1шт.

11

385-10392231

CUP

SN: 10009-UP

1шт.

|11

0

CUP

SN: 10001-10008

1шт.

|$$21

(385-10392231{385-10393121¤}

-1шт.

|$$22

385-10392221)

-1шт.

|12

385-11097641

HUB ASS'Y

SN: 10001-UP

2шт.

12

385-11095721

HUB

SN: 10001-UP

1шт.

13

385-10233331

CONE

SN: 10001-UP

1шт.

14

385-11054591

SHIM¤ 0.13MM

SN: 10001-UP

-2шт.

|14

385-11054601

SHIM¤ 0.20MM

SN: 10001-UP

-2шт.

|14

385-11054611

SHIM¤ 0.50MM

SN: 10001-UP

-2шт.

15

385-11054581

RETAINER

SN: 10001-UP

2шт.

16

382-027846-1

SCREW

SN: 10001-UP

20шт.

17

380-220772-1

GEAR

SN: 10001-UP

2шт.

18

380-182283-1

PLATE

SN: 10001-UP

8шт.

19

382-024839-1

BOLT

SN: 10001-UP

16шт.

20

382-025534-1

WASHER

SN: 10001-UP

16шт.

21

384-0138243

BOLT

SN: 10001-UP

8шт.

22

380-211844-1

RING

SN: 10001-UP

2шт.

|23

381-885387-2

CARRIER ASS'Y

SN: 10001-UP

2шт.

23

381-885407-2

CARRIER

SN: 10001-UP

1шт.

24

380-220756-1

SHAFT

SN: 10001-UP

3шт.

25

385-10233351

CONE

SN: 10001-UP

6шт.

26

382-019947-1

PIN

SN: 10001-UP

3шт.

27

380-220810-1

SPACER

SN: 10001-UP

3шт.

28

380-220754-1

NUT

SN: 10001-UP

3шт.

|29

381-876581-1

GEAR ASS'Y

SN: 10001-UP

3шт.

29

380-220768-1

GEAR

SN: 10001-UP

1шт.

30

385-10233361

CUP

SN: 10001-UP

2шт.

31

380-182272-1

SPACER

SN: 10001-UP

1шт.

32

382-333862-1

RING

SN: 10001-UP

1шт.

33

380-220150-1

PLUG

SN: 10001-UP

1шт.

34

382-368269-1

O-RING

SN: 10001-UP

1шт.

35

385-11120892

SHAFT

SN: 10001-UP

2шт.

36

385-10229491

COVER

SN: 10001-UP

2шт.

37

382-021318-1

BOLT

SN: 10001-UP

24шт.

38

385-10247901

CALIPER ASS'Y

SN: 10001-UP

2шт.

39

385-10247911

CALIPER ASS'Y

SN: 10001-UP

2шт.

40

385-11108851

BAR

SN: 10001-UP

4шт.

41

382-027838-1

SCREW

SN: 10001-UP

36шт.

42

385-10259211

BOLT

SN: 10001-UP

58шт.

43

382-025540-1

WASHER

SN: 10001-UP

58шт.

Выбрано товаров: 59