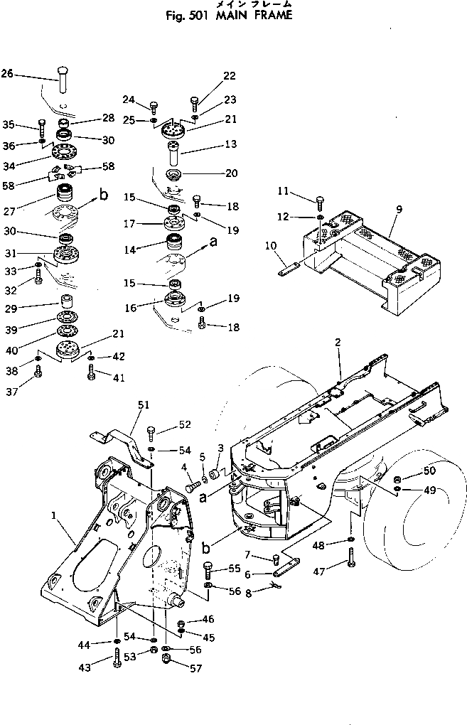
Запчасти Komatsu 560B-1 ОСНОВН. РАМА РАМА И ЧАСТИ КОРПУСА

Схема запчастей Komatsu 560B-1 - ОСНОВН. РАМА РАМА И ЧАСТИ КОРПУСА
FIT
1:1
100%

Артикул

Название

Примечание

Количество

1

385-10251335

FRAME,FRONT

SN: 10002-UP

1шт.

|1

385-10251333

FRAME,FRONT

SN: 10001-10001

1шт.

2

385-10303225

FRAME,REAR

SN: 10002-UP

1шт.

|2

385-10303224

FRAME,REAR

SN: 10001-10001

1шт.

3

380-216295-1

BUMPER

SN: 10001-UP

2шт.

4

382-024862-1

BOLT

SN: 10001-UP

2шт.

5

382-025546-1

WASHER

SN: 10001-UP

2шт.

6

385-11387051

BAR

SN: 10001-UP

1шт.

7

380-203254-1

PIN

SN: 10001-UP

2шт.

8

381-897849-1

PIN

SN: 10001-UP

2шт.

9

385-10349422

WEIGHT

SN: .-UP

1шт.

|9

0

WEIGHT

SN: 10001-.

1шт.

10

385-10292621

BAR

SN: 10001-UP

2шт.

11

382-026021-1

BOLT

SN: 10001-UP

4шт.

12

382-025558-1

WASHER

SN: 10001-UP

4шт.

13

385-11256151

SHAFT

SN: 10001-UP

1шт.

14

385-10207431

BEARING

SN: 10001-UP

1шт.

15

385-11256371

SEAL

SN: 10001-UP

2шт.

16

385-10220131

RETAINER

SN: 10001-UP

1шт.

17

385-11256181

RETAINER

SN: 10001-UP

1шт.

18

382-024874-1

BOLT

SN: 10001-UP

12шт.

19

382-025547-1

WASHER

SN: 10001-UP

12шт.

20

385-11256141

BUSHING

SN: 10001-UP

1шт.

21

385-11256411

RETAINER

SN: 10001-UP

2шт.

22

382-024876-1

BOLT

SN: 10001-UP

6шт.

23

382-025547-1

WASHER

SN: 10001-UP

6шт.

24

382-024888-1

BOLT

SN: 10001-UP

4шт.

25

382-025548-1

WASHER

SN: 10001-UP

4шт.

26

385-11256251

SHAFT

SN: 10001-UP

1шт.

27

385-10270991

BEARING

SN: 10001-UP

1шт.

28

385-11256351

BUSHING

SN: 10001-UP

1шт.

29

385-11256361

BUSHING

SN: 10001-UP

1шт.

30

385-11303141

SEAL

SN: 10001-UP

2шт.

31

385-11256381

RETAINER

SN: 10001-UP

1шт.

32

382-024878-1

BOLT

SN: 10001-UP

12шт.

33

382-025547-1

WASHER

SN: 10001-UP

12шт.

34

385-10309951

RETAINER

SN: 10001-UP

1шт.

35

382-024878-1

BOLT

SN: 10001-UP

12шт.

36

382-025537-1

WASHER

SN: 10001-UP

12шт.

37

382-024877-1

BOLT

SN: 10001-UP

6шт.

38

382-025547-1

WASHER

SN: 10001-UP

6шт.

39

385-10207411

SHIM¤ 0.50MM

SN: 10001-UP

14шт.

40

385-10207401

SHIM¤ 0.10MM

SN: 10001-UP

10шт.

41

382-024892-1

BOLT

SN: 10001-UP

4шт.

42

382-025548-1

WASHER

SN: 10001-UP

4шт.

43

382-027272-1

BOLT

SN: 10001-UP

12шт.

44

382-026609-1

WASHER

SN: 10001-UP

12шт.

45

380-206468-2

WASHER

SN: 10001-UP

12шт.

46

382-025985-1

NUT

SN: 10001-UP

12шт.

47

382-027272-1

BOLT

SN: 10001-UP

8шт.

48

382-026609-1

WASHER

SN: 10001-UP

8шт.

49

380-206468-2

WASHER

SN: 10001-UP

8шт.

50

382-025985-1

NUT

SN: 10001-UP

8шт.

51

385-10340902

SUPPORT

SN: 10002-UP

1шт.

|51

385-10309291

SUPPORT

SN: 10001-10001

1шт.

52

382-024863-1

BOLT

SN: 10002-UP

2шт.

|52

382-024863-1

BOLT

SN: 10001-10001

4шт.

53

382-025526-1

NUT

SN: 10002-UP

2шт.

|53

382-025526-1

NUT

SN: 10001-10001

4шт.

54

382-025555-1

WASHER

SN: 10002-UP

4шт.

|54

382-025546-1

WASHER

SN: 10001-10001

8шт.

55

382-027801-1

BOLT

SN: 10001-UP

2шт.

56

382-025550-1

WASHER

SN: 10001-UP

4шт.

57

384-9413986

NUT

SN: 10001-UP

2шт.

58

385-10340731

SHIM¤ 0.1MM

SN: 10001-UP

-2шт.

|58

385-10340741

SHIM¤ 0.2MM

SN: 10001-UP

-2шт.

|58

385-10340751

SHIM¤ 0.5MM

SN: 10001-UP

-2шт.

Выбрано товаров: 67