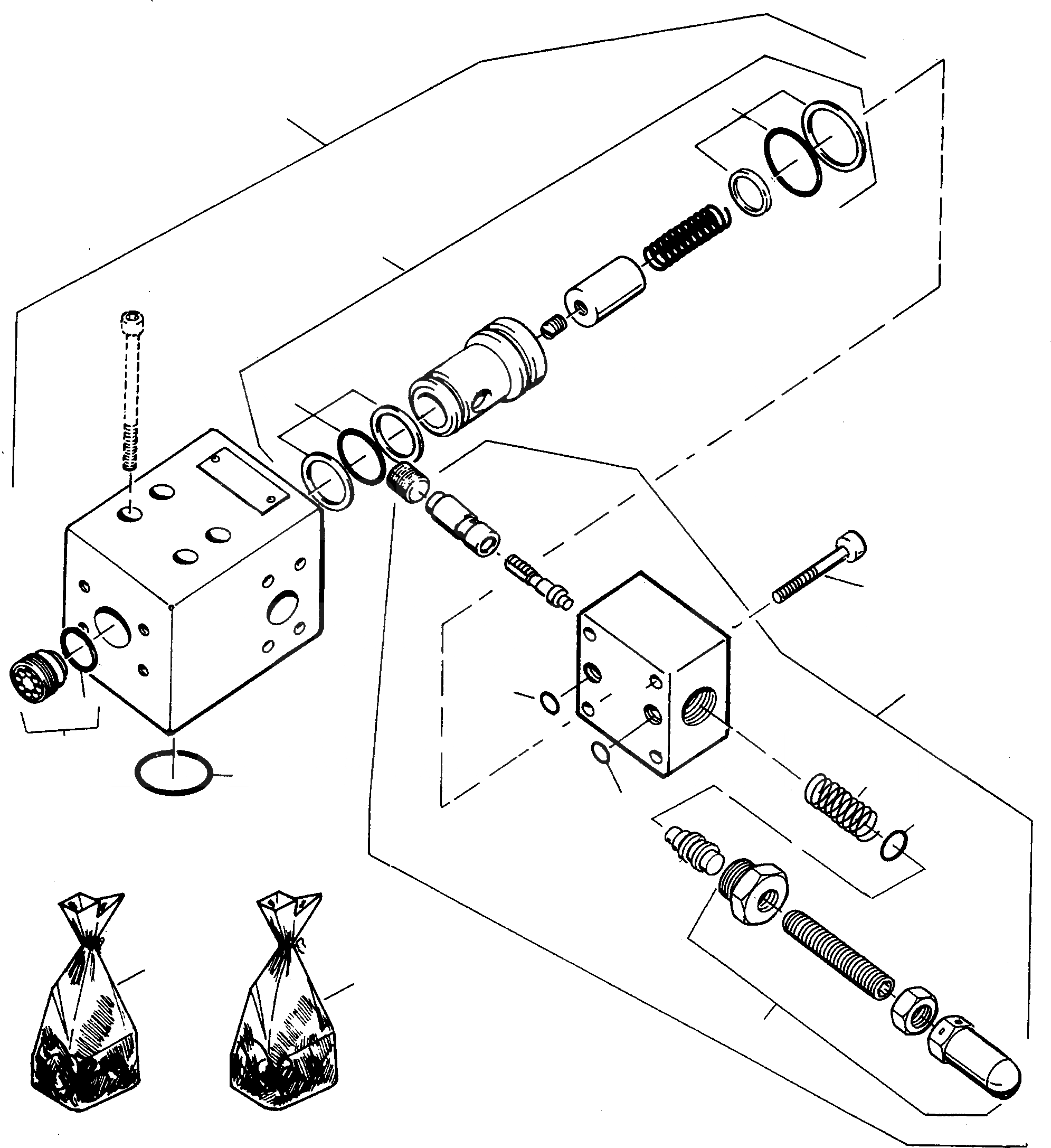
Запчасти Komatsu 60E BY-PASS КЛАПАН ГИДРАВЛИКА

Схема запчастей Komatsu 60E - BY-PASS КЛАПАН ГИДРАВЛИКА
4
5
1
5
8
6
7
5
2
10
7
7
7
5
7
9
FIT
1:1
100%

Артикул

Название

Примечание

Количество

1

4215278M91

BY-PASS VALVE

DeutschDesc: ABSCHALTVENTIL

1шт.

2

3232437M91

CHECK VALVE

DeutschDesc: RUECKSCHLAGVENTIL

1шт.

3

NOT USED

DeutschDesc: NICHT VERWENDET

-1шт.

4

3232438M91

VALVE

DeutschDesc: VENTIL

1шт.

5

3232439M91

GASKET KIT

DeutschDesc: DICHTUNGSSATZ

1шт.

6

3232436M91

VALVE COVER

DeutschDesc: VENTILDECKEL

1шт.

7

3232440M91

GASKET KIT

DeutschDesc: DICHTUNGSSATZ

1шт.

8

2993522X1

SCREW

DeutschDesc: SCHRAUBE

4шт.

9

4912212M91

VARIATOR

DeutschDesc: VERSTELLER

1шт.

10

3232460M1

SPRING

DeutschDesc: FEDER

1шт.

Выбрано товаров: 0