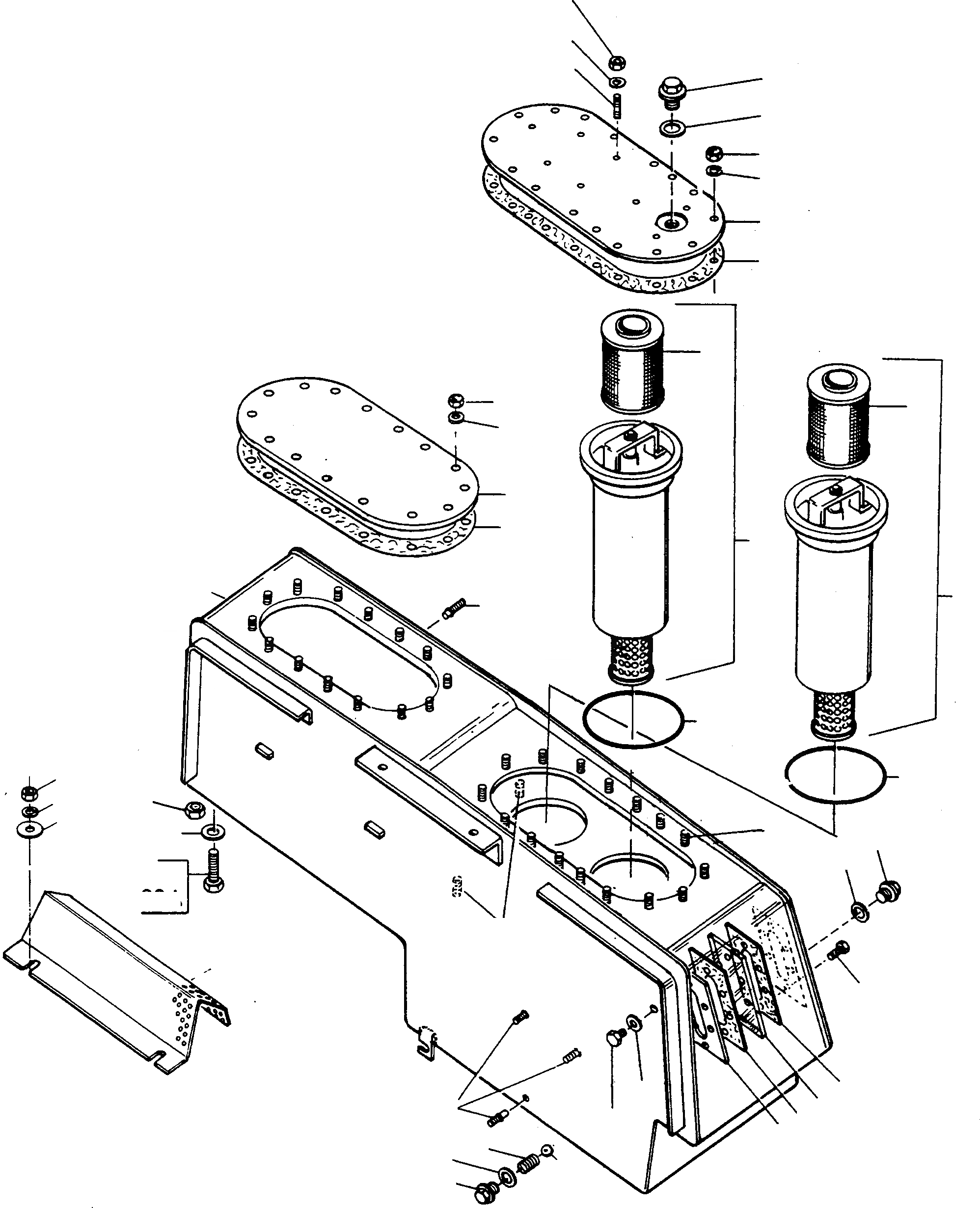
Запчасти Komatsu 60E МАСЛ. БАК ГИДРАВЛИКА

Схема запчастей Komatsu 60E - МАСЛ. БАК ГИДРАВЛИКА
28
29A
27
14
26
4
25
29B
24
23
22
21
20
18
23
18
22
32
17
31
1
29
3
19
36
19
35
34
2
30
16
15
29
33
8
6
10
7
3
9
6
5
12
13
11
FIT
1:1
100%

Артикул

Название

Примечание

Количество

1

4211026M91

OIL TANK

DeutschDesc: OELBEHAELTER

1шт.

2

1444276X1

THREADED PIN

DeutschDesc: GEWINDEBOLZEN

28шт.

3

1444280X1

THREADED PIN

DeutschDesc: GEWINDEBOLZEN

3шт.

4

1444278X1

THREADED PIN

DeutschDesc: GEWINDEBOLZEN

4шт.

5

3070519M1

THRUST PLATE

DeutschDesc: DRUCKPLATTE

1шт.

6

3070520M1

GASKET

DeutschDesc: DICHTUNG

1шт.

7

3070517M1

INSPECTION GLASS

DeutschDesc: SCHAUGLAS

1шт.

8

339337X1

SCREW

DeutschDesc: SCHRAUBE

6шт.

8A

2994854M1

SEAL

DeutschDesc: DICHTRING

6шт.

9

2999792M1

PLUG

DeutschDesc: VERSCHLUSSSTOPFEN

1шт.

10

390839X1

SEAL

DeutschDesc: DICHTRING

1шт.

11

1444590X1

BALL

DeutschDesc: KUGEL

1шт.

12

2860405M1

SPRING

DeutschDesc: FEDER

1шт.

13

391265X1

SEAL

DeutschDesc: DICHTRING

1шт.

14

1444271X1

PLUG

DeutschDesc: VERSCHLUSSSTOPFEN

1шт.

15

390855X1

SEAL

DeutschDesc: DICHTRING

1шт.

16

2949213M1

PLUG

DeutschDesc: VERSCHLUSSSTOPFEN

1шт.

17

4200561M91

OIL FILTER

DeutschDesc: OELFILTER

2шт.

18

2894080M1

FILTER ELEMENT

DeutschDesc: FILTERELEMENT

4шт.

19

2995367X1

O-RING

DeutschDesc: O-RING

2шт.

20

4210438M1

GASKET

DeutschDesc: DICHTUNG

1шт.

21

4210439M1

COVER

DeutschDesc: DECKEL

1шт.

22

1443790X1

SPRING WASHER

DeutschDesc: FEDERRING

28шт.

23

339402X1

NUT

DeutschDesc: MUTTER

28шт.

24

391305X1

SEAL

DeutschDesc: DICHTRING

1шт.

25

1443747X1

PLUG

DeutschDesc: VERSCHLUSSSTOPFEN

1шт.

26

2995382X1

THREADED PIN

DeutschDesc: GEWINDEBOLZEN

6шт.

27

2999604M1

PLAIN WASHER

DeutschDesc: UNTERLEGSCHEIBE

9шт.

28

2994791M1

NUT

DeutschDesc: MUTTER

6шт.

29

NOT USED

DeutschDesc: NICHT VERWENDET

-1шт.

29A

1444093X1

SCREW

EnglischBem: REPAIRS AND REPLACES 391 375 X1

6шт.

29B

1444330X1

NUT

DeutschDesc: MUTTER

6шт.

30

4002347M1

DISC

EnglischBem: REPAIRS AND REPLACES 391 212 X1

12шт.

31

4210438M1

GASKET

DeutschDesc: DICHTUNG

1шт.

32

4202192M1

COVER

DeutschDesc: DECKEL

1шт.

33

4210853M1

PERFORATED PLATE

DeutschDesc: LOCHBLECH

1шт.

34

2964056M1

DISC

EnglischBem: REPAIRS AND REPLACES 390 735 X1

4шт.

35

DISC

EnglischBem: REPAIRS AND REPLACES 391 039 X1

4шт.

36

1444329X1

NUT

DeutschDesc: MUTTER

4шт.

Выбрано товаров: 39